roboforum.ru

Технический форум по робототехнике.

Модели МК в Протеус, как заменить?

Раздел создан специально для людей которым интересна робототехника, но в силу разных причин они не знают с чего начать.
Задавайте ваши вопросы, какими бы простыми они не казались, постоянные посетители форума постараются ответить на них по мере своих сил.
Робот своими руками. Самодельный робот.

Модели МК в Протеус, как заменить?

Сообщение RoboTok » 13 мар 2008, 15:38

Всем прива.

Начал делать схему контроллера в Протеус, но нету ни одного похожего МК.

Например нужна мега128, но в Протеус она выглядит не совсем как на самом деле.

Как бы мне её обозначить схематически, чтобы сделать схему ?

Или может, есть программы, где есть модели МК распространенных?
Аватара пользователя
RoboTok
 
Сообщения: 1060
Зарегистрирован: 04 фев 2008, 13:18
Откуда: Москва
прог. языки: PHP

Re: Модели МК в Протеус, как заменить?

Сообщение Myp » 13 мар 2008, 15:49

:shock:
о боже
мега 128 на саму себя не похожа
какой кошмар..


а можно скриншот как она выглядит? :)
<telepathmode>На вопросы отвечает Бригадир Телепатов!</telepathmode>
Всё уже придумано до нас!
Аватара пользователя
Myp
скрытый хозяин вселенной :)
 
Сообщения: 18018
Зарегистрирован: 18 сен 2006, 12:26
Откуда: Тверь по прозвищу Дверь
прог. языки: псевдокод =) сила в алгоритме!
ФИО: глубокоуважаемый Фёдор Анатольевич

Re: Модели МК в Протеус, как заменить?

Сообщение RoboTok » 13 мар 2008, 15:54

Блин, у неё 2 порта в шину засунуты без распиновки.
Аватара пользователя
RoboTok
 
Сообщения: 1060
Зарегистрирован: 04 фев 2008, 13:18
Откуда: Москва
прог. языки: PHP

Re: Модели МК в Протеус, как заменить?

Сообщение Myp » 13 мар 2008, 16:20

так значит это самая обычная стандартная мега? и вы товарищ просто не умете протеусом пользоваться? :)
так бы сразу и сказали :)
так мол и так, порты выведены в шину, как бы мне мою схему к ним подключить...?

вобщем идите ко читайте хэлп там подробно расписано как соединять в шину и разъединять и т.д.
<telepathmode>На вопросы отвечает Бригадир Телепатов!</telepathmode>
Всё уже придумано до нас!
Аватара пользователя
Myp
скрытый хозяин вселенной :)
 
Сообщения: 18018
Зарегистрирован: 18 сен 2006, 12:26
Откуда: Тверь по прозвищу Дверь
прог. языки: псевдокод =) сила в алгоритме!
ФИО: глубокоуважаемый Фёдор Анатольевич

Re: Модели МК в Протеус, как заменить?

Сообщение RoboTok » 13 мар 2008, 16:45

Что то я вас не понимаю.

У Протеуса модель Меги без 2 портов, а вместо этого 2 шины без подписей и распиновки.
Сам я шинами полльзовался, но мне нужно знать у какой ножки какой вывод и т.д.
Если вы делали схему в Протеусе с мегой128, то скажите пожалуйста как мне увидеть модель без шин с распиновкой ?
Аватара пользователя
RoboTok
 
Сообщения: 1060
Зарегистрирован: 04 фев 2008, 13:18
Откуда: Москва
прог. языки: PHP

Re: Модели МК в Протеус, как заменить?

Сообщение Myp » 13 мар 2008, 17:08

ну как же, без подписи и распиновки :shock:
там же всё написано
я вот прям щас специально запустил протеус и проверил
ACDSee Pro BMP Image.jpg
ACDSee Pro BMP Image.jpg (4.21 КиБ) Просмотров: 3518

2 шины и обе подписаны!
<telepathmode>На вопросы отвечает Бригадир Телепатов!</telepathmode>
Всё уже придумано до нас!
Аватара пользователя
Myp
скрытый хозяин вселенной :)
 
Сообщения: 18018
Зарегистрирован: 18 сен 2006, 12:26
Откуда: Тверь по прозвищу Дверь
прог. языки: псевдокод =) сила в алгоритме!
ФИО: глубокоуважаемый Фёдор Анатольевич

Re: Модели МК в Протеус, как заменить?

Сообщение avr123.nm.ru » 13 мар 2008, 17:20

RoboTok писал(а):Сам я шинами полльзовался, но мне нужно знать у какой ножки какой вывод и т.д.


ОТКРОЙТЕ ДАТАШИТ !!! и позырьте !

или пример шахматы в PROTEUS.
Аватара пользователя
avr123.nm.ru
отсылающий читать курс
 
Сообщения: 14195
Зарегистрирован: 06 ноя 2005, 04:18
Откуда: Москва
Предупреждения: -8

Re: Модели МК в Протеус, как заменить?

Сообщение RoboTok » 13 мар 2008, 17:40

Сколько видел схем с использованием мег128 и не в одной небыло шины из корпуса как в Протеус.
Кто му же у них названия не верные не как в ДШ.
И к тому же нету нумерации.

Вот открыл я ДШ, смотрю и не вижу там портов АД(0-7) и А(8-15).

Есть PD0, PD1, PE0 и т.д.

Вы понимаете о чём я вообще пишу ?

Мне нужно схему накидать и чтоб было понятно, где и куда идут выводы.
Так можно было вообще сделать одну синюю полоску и сказать, что там всё.

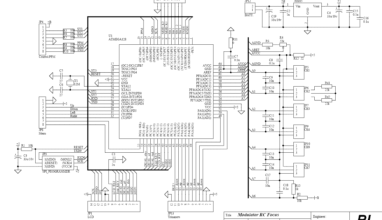
Блин щас схему найду на меге128, чтоб вы поняли как люди делают и как выглядит мега в реале.
Вложения
Untitled-1.gif
Аватара пользователя
RoboTok
 
Сообщения: 1060
Зарегистрирован: 04 фев 2008, 13:18
Откуда: Москва
прог. языки: PHP

Re: Модели МК в Протеус, как заменить?

Сообщение Myp » 13 мар 2008, 18:13

Вот открыл я ДШ, смотрю и не вижу там портов АД(0-7) и А(8-15).

:o
предлагаю распечатать и скушать его, с майонезом или кетчупом.
может хотябы тогда будет польза...



а это игра такая десткая
"найди одинаковые буковки" называется :)
ACDSee Pro BMP Image.jpg
ACDSee Pro BMP Image.jpg (12.44 КиБ) Просмотров: 3474

картинка, если вы не заметили, из даташита =)

Так можно было вообще сделать одну синюю полоску и сказать, что там всё.

ага
тока не одну а несколько
по 1 полоске на каждый порт
<telepathmode>На вопросы отвечает Бригадир Телепатов!</telepathmode>
Всё уже придумано до нас!
Аватара пользователя
Myp
скрытый хозяин вселенной :)
 
Сообщения: 18018
Зарегистрирован: 18 сен 2006, 12:26
Откуда: Тверь по прозвищу Дверь
прог. языки: псевдокод =) сила в алгоритме!
ФИО: глубокоуважаемый Фёдор Анатольевич

Re: Модели МК в Протеус, как заменить?

Сообщение -= Александр =- » 13 мар 2008, 18:16

Я вообще по такому поводу не напрягаюсь - для симуляции у меня одна схема, для разводки - другая, а для сдачи документации третья. :wink:
Ниндзя - круче всех. Они умеют ходить по воде, делить на ноль и угадывать шаффл в АйПоде.
Аватара пользователя
-= Александр =-
Мастер Самоделкин
 
Сообщения: 3678
Зарегистрирован: 11 окт 2004, 19:20
Откуда: Россия, СПб
прог. языки: C/C++, Python, asm
ФИО: Курмис Александр Андреевич

Re: Модели МК в Протеус, как заменить?

Сообщение RoboTok » 13 мар 2008, 18:20

Короче буду очень рад, если мне ктонить поможет конкретно.
А то Myp-а я не понимаю...

Добавлено спустя 1 минуту 33 секунды:
-= Александр =- писал(а):Я вообще по такому поводу не напрягаюсь - для симуляции у меня одна схема, для разводки - другая, а для сдачи документации третья. :wink:


А в чём вы схемы рисуете ?
И что посоветуете ?

А то меня Протеус уже парит чутка.
Аватара пользователя
RoboTok
 
Сообщения: 1060
Зарегистрирован: 04 фев 2008, 13:18
Откуда: Москва
прог. языки: PHP

Re: Модели МК в Протеус, как заменить?

Сообщение Myp » 13 мар 2008, 18:28

Дохтора сюда!!!! Дохтора!!!!
пациент ослеп!!!!!



итак для проверки
пишу большими буквами!!!
Внимание!!! Сосредоточьтесь!!!


в даташите написано

PC0 (A8)
PC1 (A9)
PC2 (A10)
PC3 (A11)
PC4 (A12)
PC5 (A13)
PC6 (A14)
PC7 (A15)

в протеусе шина A[8..15]

ваши ассоциации????
<telepathmode>На вопросы отвечает Бригадир Телепатов!</telepathmode>
Всё уже придумано до нас!
Аватара пользователя
Myp
скрытый хозяин вселенной :)
 
Сообщения: 18018
Зарегистрирован: 18 сен 2006, 12:26
Откуда: Тверь по прозвищу Дверь
прог. языки: псевдокод =) сила в алгоритме!
ФИО: глубокоуважаемый Фёдор Анатольевич

Re: Модели МК в Протеус, как заменить?

Сообщение avr123.nm.ru » 13 мар 2008, 18:41

RoboTok писал(а):А в чём вы схемы рисуете ?


Вот вам - http://kakEagle.narod.ru - супер пупер и экстра ...
Аватара пользователя
avr123.nm.ru
отсылающий читать курс
 
Сообщения: 14195
Зарегистрирован: 06 ноя 2005, 04:18
Откуда: Москва
Предупреждения: -8

Re: Модели МК в Протеус, как заменить?

Сообщение -= Александр =- » 13 мар 2008, 19:09

Я рисую в PCAD-2004. Не потому что нравится, а потому что это щас почти что стандарт такой. Развожу когда как - в PCAD и в Proteus. Иногда (самое простое) вообще в Sprint Layout. Eagle меня что-то не впечатлил...
Ниндзя - круче всех. Они умеют ходить по воде, делить на ноль и угадывать шаффл в АйПоде.
Аватара пользователя
-= Александр =-
Мастер Самоделкин
 
Сообщения: 3678
Зарегистрирован: 11 окт 2004, 19:20
Откуда: Россия, СПб
прог. языки: C/C++, Python, asm
ФИО: Курмис Александр Андреевич

Re: Модели МК в Протеус, как заменить?

Сообщение avr123.nm.ru » 13 мар 2008, 19:24

Вот еще хвалят - http://www.diptrace.com
Аватара пользователя
avr123.nm.ru
отсылающий читать курс
 
Сообщения: 14195
Зарегистрирован: 06 ноя 2005, 04:18
Откуда: Москва
Предупреждения: -8

След.

Вернуться в Новичкам или основы основ роботостроения.

Кто сейчас на конференции

Сейчас этот форум просматривают: нет зарегистрированных пользователей и гости: 0

cron