СТРЕЛКА ЭММИТЕРА ДОЛЖНА БЫТЬ К БАЗЕ ! А резистор R13 перенести к динамику - тогда транзистор будет ключем работать а не в линейном режиме. avr123.nm.ru
vj-nike писал(а):...Транзистор VT1 служит ключом. Он периодически подсоединяет динамик В1 к источнику питания 3,2 В (допускается 2,7...4,8 В). Частота коммутации ключа находится в звуковом диапазоне. Переменным резистором R4 регулируют громкость. Он может быть заменен постоянным резистором или перемычкой. Если громкости покажется мало, следует добавить еще одну батарею питания.
все правильно, сомнений не вызывает.
я делаю ресет как тут нарисовано:
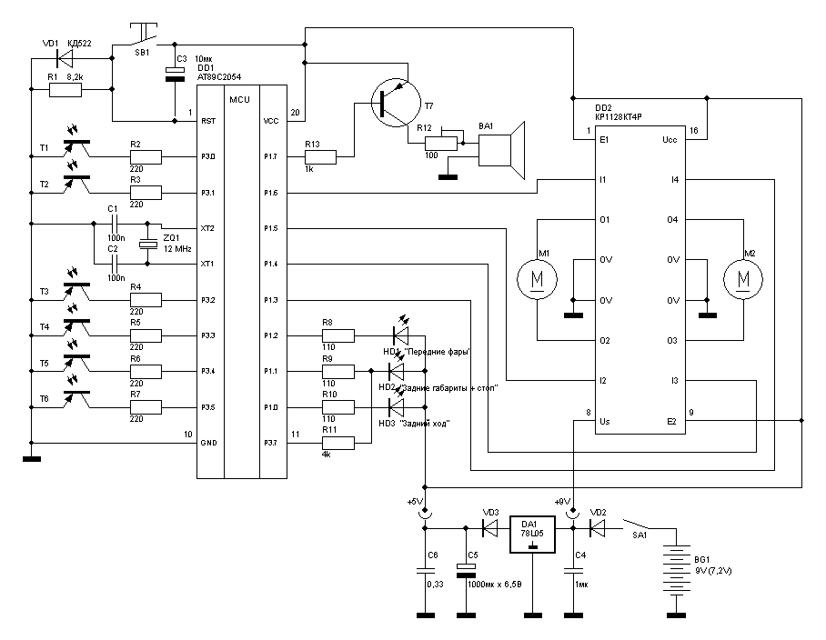
vj-nike писал(а):Дайте, пжалста, вами проверенные схемы подключения к 9В акк. МК, L293 и моторчиков.
вполне рабочаяя схема, сам же говорил что работает от разных источников, дело в напряжении питания МК.
если действительно хочешь чтоб помогли то отвечай на все вопросы подробно.

стрелочки в разные стороны нарисованы на коллекторах
Неужели никто не решал этой задачи?
а если уже они не заработают, то значит буду искать проблему в другом.. Например, в подключении VT1 или ИК-светодиодов...