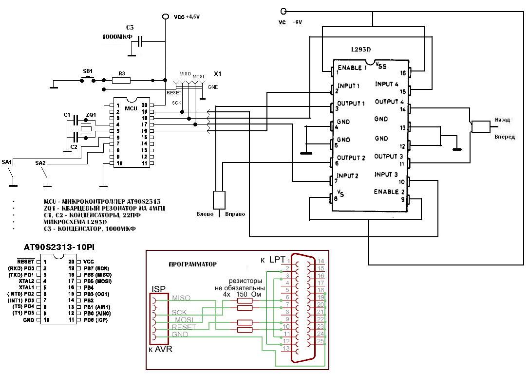
1) Питание сделал расдельное,вследствии чего считаю можно обойтись безь стабилизатора ... GND если не ошибаюсь, можно и общее делать?
2)
... имеется ввиду случаем не С3 (правда он на 1000мкФ) ?SSG писал(а):4.2. Надо бы керамический конденсатор на 0.1мФ на питание поставить и при компоновке его поближе к контроллеру разместить.
3)
SSG писал(а):4.3. Параллельно R3 хорошо бы диодик, а параллельно SB1 - конденсатор на 0.1мФ.
Открой плиз тайну, что это даёт .... и не ошибся ли по поводу дважды "параллельно" ???
4)
SSG писал(а): А вообще, начинать нужно с цели, которая у инженеров называется техническим заданием, т.е. сначала нужно определиться что Вы собираетесь строить, какую функциональность это должно иметь, а потом уже выбирать железо и рисовать схему. А то, к примеру, черт его знает для чего у Вас там SA1 и SA2. Я предположил, что для бамперов, а как оно на самом деле?![]()
Задачи: получить первичные практические сведения о взаимодействии ПК и внешних устройств.
Цели: построить аналогичную программируемую машинку, только без бамперов.
А тумблеры SA1 и SA2 для практики, чтобы научиться считывать данные о состоянии этих тумблеров и в зависимости от их положения, соответсвено действовать.
Я больше силен в программировании чем в электронике вот и стараюсь упростить ( без потери надежности ) схему, но усложнить программу.
