Доброй ночи.
Давно загорелся идеей создания робота газонокосилки и сейчас делаю спецификацию всего что надо купить.
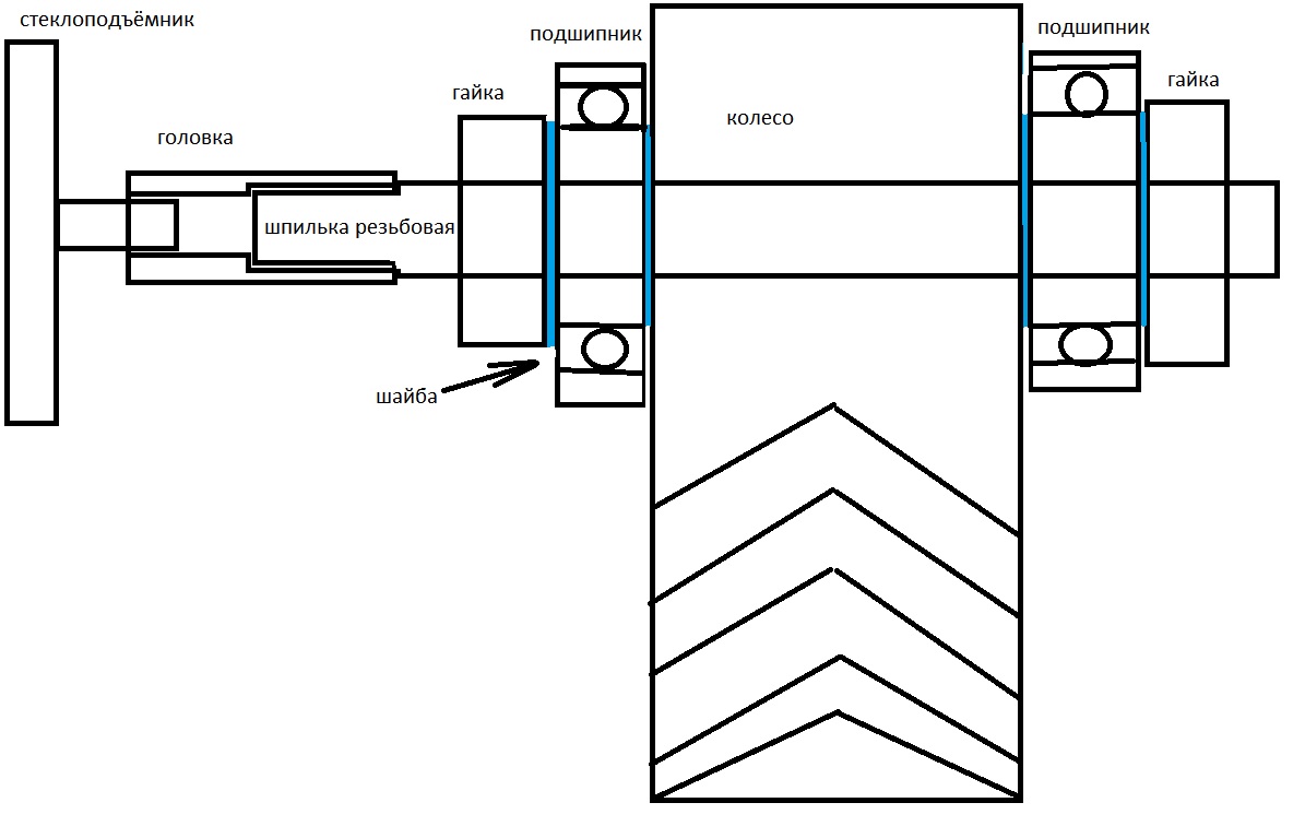
И вот возник вопрос, как прикрепить квадратный штифт, стеклоподъемника от ваза к колесу.
Вот штифт:
http://pokrovavto.com.ua/img/793d35ca-586c-11e5-ab2e-60a44c2c824d.jpg
А вот пример колеса:
https://www.castorama.ru/koleso-dlja-ga ... lki-170-mm
Понятно, что с внешней стороны надо крепить вал к самому корпусу колеса с двух сторон, как у автора ниже, но как переход сделать с квадрата на круг? Может кто сталкивался?
Или может вообще сделать дырку в квадрате и в него шуруп загнать? Или вообще другие двигатели взять?
Нашел на этом форуме топик, про такого робота, вот ссылка прям на страницу с вопросом и ответом, но деталей так и не увидел.
http://roboforum.ru/forum10/topic6195.html?hilit=%D0%B3%D0%B0%D0%B7%D0%BE%D0%BD%D0%BE%D0%BA%D0%BE%D1%81&start=270
Заранее спасибо за советы!


