Драйвер для 3v двигателя 200mA

Раздел создан специально для людей которым интересна робототехника, но в силу разных причин они не знают с чего начать.
Задавайте ваши вопросы, какими бы простыми они не казались, постоянные посетители форума постараются ответить на них по мере своих сил.
Робот своими руками. Самодельный робот.

Драйвер для 3v двигателя 200mA

Сообщение Vovan » 20 апр 2006, 22:26

Поможите... Нужна схема на БИПОЛЯРНЫХ транзисторах.
В журнале Электрик за 2005г по-моему №3 есть описание, но схему не дают :(  
___________
С уважением
Vovan
Аватара пользователя
Vovan
 
Сообщения: 3340
Зарегистрирован: 05 окт 2005, 12:03
Откуда: Литва
прог. языки: asm

Сообщение EdGull » 21 апр 2006, 05:07

это самая распространенная схема.
почему не пользуемся поисковиками, религия не позволяет?
Аватара пользователя
EdGull
 
Сообщения: 10211
Зарегистрирован: 28 дек 2004, 20:33
Откуда: Тольятти
Skype: Ed_Gull
прог. языки: Bascom AVR Basic
ФИО: Гуль Эдуард Викторович

Сообщение Vovan » 21 апр 2006, 09:39

To EdGull:
это самая распространенная схема

На 6v (min) - навалом, согласен.
Я же прошу на 3v! Религия тут не при делах, просто если по "самой распространенной схеме" - потери напряжения слишком велики, а при 3v это оччччень чувствительно.
P.s. "Поисковики" облазил аж в глазах рябит, ну если не трудно ткните носом нерадивого :oops:
___________
С уважением
Vovan
Аватара пользователя
Vovan
 
Сообщения: 3340
Зарегистрирован: 05 окт 2005, 12:03
Откуда: Литва
прог. языки: asm

Сообщение Vovan » 21 апр 2006, 10:51

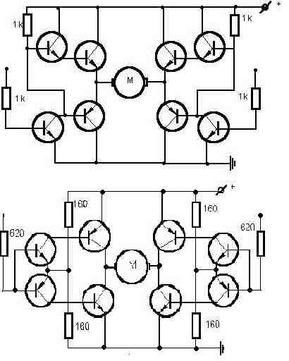
PSS: За основу схемы управления двигателем на биполярных транзисторах, взяты два варианта его включения. Однако в первом варианте слишком велики потери напряжения, а во втором они много меньше, но ток потребления схемой очень большой. Ищу третий, оптимальный.
(схемы прилагаю, дабы избежать повторений)
___________
С уважением
Vovan
Вложения
Drivers.jpg
Аватара пользователя
Vovan
 
Сообщения: 3340
Зарегистрирован: 05 окт 2005, 12:03
Откуда: Литва
прог. языки: asm

Сообщение EdGull » 21 апр 2006, 10:58

На биполярниках физикой процесов положено большое падение напряжения. Чудес на свете не бывает.
Аватара пользователя
EdGull
 
Сообщения: 10211
Зарегистрирован: 28 дек 2004, 20:33
Откуда: Тольятти
Skype: Ed_Gull
прог. языки: Bascom AVR Basic
ФИО: Гуль Эдуард Викторович

Сообщение Kanoka » 21 апр 2006, 11:13

У меня такое впечатление что я чего то не догоняю. Объясните чем L293 хуже чем биполярники?
Kanoka
Модератор
 
Сообщения: 1274
Зарегистрирован: 11 ноя 2004, 03:18
Откуда: Москва

Сообщение Vovan » 21 апр 2006, 11:14

Да, похоже, бывают (чудеса). Вот цитата из статьи С.М.Абрамова из выше-выше указанного номера Электрика:  
  "Схема, показанная на рис.3, обладает несколько улучшенными характеристиками и рассчитана на ток 100?200 мА. Она мало чем отличается от предыдущей. Для увеличения коэффициента усиления транзисторы включены по схеме Дарлингтона. Те же результаты можно получить, если вместо транзисторов VT1, VT3 (рис.2) применить КТ972, а вместо VT2-VT4 - КТ973.
   Схема, показанная на рис.4, по мнению автора, обладает наилучшими характеристиками. При токах нагрузки до 1 А падение напряжения на обоих ключах составляет 0,6 В. На выходе, при питании от 5 В, можно получить 4,4 В."  
Только схем этих выцепить не удаётся :(
___________
С уважением
Vovan
Аватара пользователя
Vovan
 
Сообщения: 3340
Зарегистрирован: 05 окт 2005, 12:03
Откуда: Литва
прог. языки: asm

Сообщение Vovan » 21 апр 2006, 11:24

To Kanoka:
Да ничем не хуже! Она лучше!
Но в данном случае и негодится и жалко на 1 мотор м/с с двумя драйверами ставить, к тому же она не помещается в устройство, а транзюки я могу раскидать по всей "территории комбината".
Устройство сложное и миниатюрное, в нём стоИт драйвер на 7 движков (маленькая м\с TB6591FL/FLG Toshiba) дык вот один из её семи драйверов(внутри микросхемы) накрылся, поэтому 7-й мотор не работает. Подключая "микросхемные" драйвера на место седьмого драйвера удаётся заставить работать устройство, но с большими потерями или напряжения или тока. Вот такая специфическая задачка.
___________
С уважением
Vovan
Аватара пользователя
Vovan
 
Сообщения: 3340
Зарегистрирован: 05 окт 2005, 12:03
Откуда: Литва
прог. языки: asm

Сообщение EdGull » 21 апр 2006, 12:04

Vovan писал(а):Да, похоже, бывают (чудеса). Вот цитата из статьи С.М.Абрамова из выше-выше указанного номера Электрика:  
  "Схема, показанная на рис.3, обладает несколько улучшенными характеристиками и рассчитана на ток 100?200 мА. Она мало чем отличается от предыдущей. Для увеличения коэффициента усиления транзисторы включены по схеме Дарлингтона. Те же результаты можно получить, если вместо транзисторов VT1, VT3 (рис.2) применить КТ972, а вместо VT2-VT4 - КТ973.
   Схема, показанная на рис.4, по мнению автора, обладает наилучшими характеристиками. При токах нагрузки до 1 А падение напряжения на обоих ключах составляет 0,6 В. На выходе, при питании от 5 В, можно получить 4,4 В."  
Только схем этих выцепить не удаётся :(Vovan

Помоему мы говорим на разных языках :-)
Какое падение приемлемо в вашем случае?
Насколько я понимаю, меньше 2*0,2В получиться никак не получится, потому как это биполярники.
Аватара пользователя
EdGull
 
Сообщения: 10211
Зарегистрирован: 28 дек 2004, 20:33
Откуда: Тольятти
Skype: Ed_Gull
прог. языки: Bascom AVR Basic
ФИО: Гуль Эдуард Викторович

Сообщение Vovan » 21 апр 2006, 12:59

To EdGull:
Помоему мы говорим на разных языках

Я наверное не по-русски что-то написАл?
Насколько я понимаю, меньше 2*0,2В получиться никак не получится, потому как это биполярники.

Дык вот ПОЛУЧАЕТСЯ! Именно потому что биполярники!
В результате СОБСТВЕННЫХ экспериментов - получилась отличная схема!
Вот результаты:
Напряжение питания - 3,2v
Напряжение на двигателе - 3,15v
Ток потребления схемы в холостом режиме - 6mkA
(у L293 -20mA!!!)
Вот вам и
падение приемлемо

Мождь я "велосипед" изобрёл, но получается, что два дня не пропали даром! :D
Схемку сюда поместить? :wink:
ЗЫ: правда в неё никак КТ97x -тые транзисторы не воткнуть, но это не омрачает моей радости. 
___________
С уважением
Vovan
Аватара пользователя
Vovan
 
Сообщения: 3340
Зарегистрирован: 05 окт 2005, 12:03
Откуда: Литва
прог. языки: asm

Сообщение lebaon » 21 апр 2006, 18:30

ложи сюда, интересно аж жуть :twisted:
Аватара пользователя
lebaon
Безбашенный Теоретик
 
Сообщения: 1137
Зарегистрирован: 07 янв 2006, 18:30
Откуда: Подмосковье

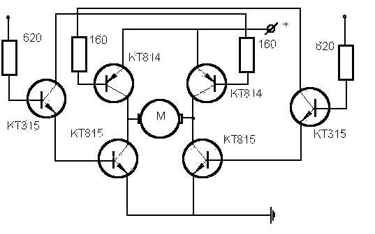
Сообщение Vovan » 22 апр 2006, 09:03

Вот:
Вложения
DrSup.jpg
Аватара пользователя
Vovan
 
Сообщения: 3340
Зарегистрирован: 05 окт 2005, 12:03
Откуда: Литва
прог. языки: asm

Сообщение avr123.nm.ru » 24 апр 2006, 22:55

Vovan писал(а):Дык вот ПОЛУЧАЕТСЯ! Именно потому что биполярники!

В результате СОБСТВЕННЫХ экспериментов - получилась отличная схема!
___________
С уважением
Vovan


Лучшеб книжку почитали ...  Хоровица например.

А то так и будете в потемках бродить добросовестно заблуждаясь и изобретая вечный двигатель ...
Аватара пользователя
avr123.nm.ru
отсылающий читать курс
 
Сообщения: 14195
Зарегистрирован: 06 ноя 2005, 04:18
Откуда: Москва

Сообщение Vovan » 25 апр 2006, 10:49

Мыслительный процесс еще никому не помешал и чтение книг никто не отменял - одно другому не мешает. А что лучше на данном этапе - сами решим! :D
Хотя куда нам, "темноте" :wink: .
___________
С уважением
Vovan
Аватара пользователя
Vovan
 
Сообщения: 3340
Зарегистрирован: 05 окт 2005, 12:03
Откуда: Литва
прог. языки: asm

Сообщение -= Александр =- » 20 май 2006, 15:50

Нет чтоб по-человечески 4 мосфета поставить и если надо - 4 управляюие микрухи, так будут биполярники плодить. Я конечно понимаю что дешево, но КПД у такого драйвера будет как у паровоза...  :roll:
Аватара пользователя
-= Александр =-
Мастер Самоделкин
 
Сообщения: 3678
Зарегистрирован: 11 окт 2004, 19:20
Откуда: Россия, СПб
прог. языки: C/C++, Python, asm
ФИО: Курмис Александр Андреевич

След.

Вернуться в Новичкам или основы основ роботостроения.

Кто сейчас на конференции

Сейчас этот форум просматривают: нет зарегистрированных пользователей и гости: 0

cron