roboforum.ru

Технический форум по робототехнике.


L298N Грабли

Раздел создан специально для людей которым интересна робототехника, но в силу разных причин они не знают с чего начать.
Задавайте ваши вопросы, какими бы простыми они не казались, постоянные посетители форума постараются ответить на них по мере своих сил.
Робот своими руками. Самодельный робот.

L298N Грабли

Сообщение nixxon86 » 12 апр 2012, 21:32

Уважаемы резиденты данного форума у меня возникла вот такая трабла с L298.
При подаче напряжения равным 4.5 вольта мотор более-менее крутиться если увеличиваешь встает как вкопанный.Просвятите в чем может быть причина.


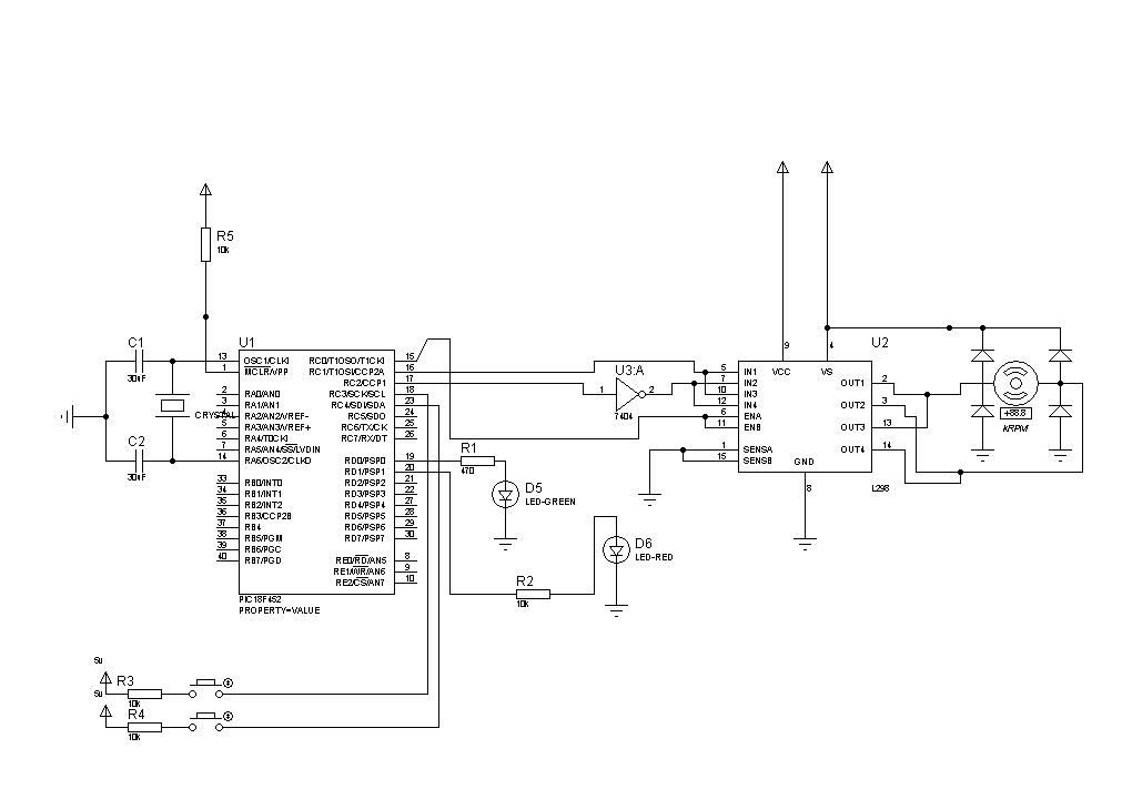
projectsf1.JPG
Схема Девайса


Изображение 002.jpg
Вид сверху


Изображение 003.jpg
Вид снизу
nixxon86
 
Сообщения: 38
Зарегистрирован: 04 окт 2011, 22:14
Откуда: Серпухов
прог. языки: C++(CUDA)/C#,Delphi/Pascal,D

Re: L298N Грабли

Сообщение dccharacter » 12 апр 2012, 22:01

ABSOLUTE MAXIMUM RATINGS
VS Power Supply 50 V
VSS Logic Supply Voltage 7 V

Добавлено спустя 1 минуту 31 секунду:
Нафига буффер U3???

Добавлено спустя 59 секунд:
что вообще за ад? откуда схема?

Добавлено спустя 1 минуту 32 секунды:
страница 6 даташита - смотри внимательно на схему, сравнивай со своей.
Мой волшебник это я сам. Всю архитектуру программы придумал лично, а ребята помогли воплотить её. Я бы и сам мог написать, но лень учить язык и его конструкции.
Аватара пользователя
dccharacter
 
Сообщения: 4995
Зарегистрирован: 10 дек 2010, 13:16
Откуда: Красногорск МО
прог. языки: C, Python, wiring/processing
ФИО: Андрей

Re: L298N Грабли

Сообщение nixxon86 » 12 апр 2012, 22:15

dccharacter писал(а):ABSOLUTE MAXIMUM RATINGS
VS Power Supply 50 V
VSS Logic Supply Voltage 7 V

Добавлено спустя 1 минуту 31 секунду:
Нафига буффер U3???
1)Это Инвертер(для создания Инверсного ШИМ на ножке
Добавлено спустя 59 секунд:
что вообще за ад? откуда схема?
Схема самопал студентов
Добавлено спустя 1 минуту 32 секунды:
страница 6 даташита - смотри внимательно на схему, сравнивай со своей
Смотрел и не раз

.


Добавлено спустя 7 минут 59 секунд:


А еще на фотке вид снизу есть один очень длиный проводок он идет к силовой части(+12в)

Могу попозже выложить видео что происходит
И фото с коментариями к каждому соединению
nixxon86
 
Сообщения: 38
Зарегистрирован: 04 окт 2011, 22:14
Откуда: Серпухов
прог. языки: C++(CUDA)/C#,Delphi/Pascal,D

Re: L298N Грабли

Сообщение dccharacter » 12 апр 2012, 22:25

у тебя на схеме все идет к силовой части
Мой волшебник это я сам. Всю архитектуру программы придумал лично, а ребята помогли воплотить её. Я бы и сам мог написать, но лень учить язык и его конструкции.
Аватара пользователя
dccharacter
 
Сообщения: 4995
Зарегистрирован: 10 дек 2010, 13:16
Откуда: Красногорск МО
прог. языки: C, Python, wiring/processing
ФИО: Андрей

Re: L298N Грабли

Сообщение Madf » 12 апр 2012, 23:18

А ещё скорость вращения ротора может вступать в синхронизацию скорости отрисовки графического движка и с виду как будто он стоит.)
Madf
 
Сообщения: 3298
Зарегистрирован: 03 янв 2012, 12:55
Откуда: Москва
прог. языки: VB6, BASCOM, ASM...

Re: L298N Грабли

Сообщение nixxon86 » 13 апр 2012, 18:08

Madf писал(а):А ещё скорость вращения ротора может вступать в синхронизацию скорости отрисовки графического движка и с виду как будто он стоит.)

Поскриптум для Петросянов-Обсуждаеться здесь реальное устройство а не его модель в Proteus и не надо на вполне обычный вопрос отвечать ересью.

Добавлено спустя 6 минут 23 секунды:
dccharacter писал(а):у тебя на схеме все идет к силовой части

Тогда мне с чего начать проверять помимо драйвера?
C контролера импульсы идут.
nixxon86
 
Сообщения: 38
Зарегистрирован: 04 окт 2011, 22:14
Откуда: Серпухов
прог. языки: C++(CUDA)/C#,Delphi/Pascal,D

Re: L298N Грабли

Сообщение nixxon86 » 15 апр 2012, 20:46

Проблема была в отсутствующих диодах
nixxon86
 
Сообщения: 38
Зарегистрирован: 04 окт 2011, 22:14
Откуда: Серпухов
прог. языки: C++(CUDA)/C#,Delphi/Pascal,D


Вернуться в Новичкам или основы основ роботостроения.

Кто сейчас на конференции

Сейчас этот форум просматривают: нет зарегистрированных пользователей и гости: 0

cron