INDEPENDENT писал(а):хотя бы сделать и спаять мне пока это достаточно
это зря! есть же Протеус, зачем паять? всё равно без программы ничего работать не будет. Построить всё в Протеусе, отладить, а уж затем думать как паять (а мождь и не придётся

)
INDEPENDENT писал(а):Под кнопками подрозумеваеться переключатель вкл выкл?
кнопка это не переключатель, кнопка это и в Африке кнопка: пока нажата - два контакта (два провода) замкнуты, отпущена - разомкнуты.
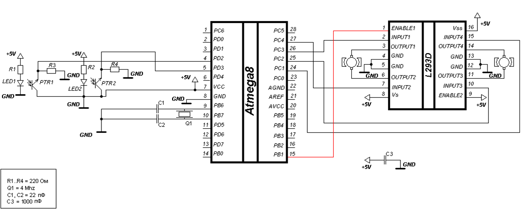
INDEPENDENT писал(а):И еще что означают концы проводков отведенных для кнопок?
это общий провод, он же земля, он же (в данной схеме) минус питания. То же самое и внизу драйвера и "слева тоже после конденсаторов".
INDEPENDENT писал(а):кварцовый резонатор...какой следует использовать в схеме?
предлагаю, пока вообще не использовать, а использовать внутренний RC генератор МК, причём по умолчанию.
Куда, как и какой программатор подключать, какой софт при этом использовать об этом столько информации, что только совсем ленивый и неграмотный не найдёт
