Нужна помошь в освоении proteus.

Раздел создан специально для людей которым интересна робототехника, но в силу разных причин они не знают с чего начать.
Задавайте ваши вопросы, какими бы простыми они не казались, постоянные посетители форума постараются ответить на них по мере своих сил.
Робот своими руками. Самодельный робот.

Нужна помошь в освоении proteus.

Сообщение INDEPENDENT » 05 июл 2011, 15:57

Здрависвуйте , уважаемые пользователи! Помогите ,ПОЖАЛУЙСТА, смоделировать микроконтроллер в среде Proteus и научиться им пользоваться. У меня в микроконтроллере один моторчик отвечающий за рулевую часть ,другой за движение. Очень хочу научиться!! Руководство пользователя ,когда читаю, появляеться все больше вопросов. (мнее 16 лет) . У кого появилось желание помочь заранее спасибо :) . (skype-INDEPENDENT645, icq-591796379).

Добавлено спустя 2 минуты 7 секунд:
Если на форуме была подобная тема , дайте ссылочку ,пожалуйста.

Добавлено спустя 4 минуты 39 секунд:
все детали я купил. (atmega8 , l289N(в протеусе нашел только l289 они сильно отличаються?) , usb(маму) проводки.)

Добавлено спустя 2 минуты 2 секунды:
2 моторчика в старой радиоуправляемой машинке)

Добавлено спустя 1 минуту 39 секунд:
простите ошибся!! Драйвер двигателя L298N . В proteus только l298.
INDEPENDENT
 
Сообщения: 52
Зарегистрирован: 28 окт 2010, 21:37
Skype: independent645

Re: Нужна помошь в освоении proteus.

Сообщение avr123.nm.ru » 05 июл 2011, 17:20

Это тоже.

Для начинающих по PROTEUS www.proteus123.narod.ru
Читайте !
Аватара пользователя
avr123.nm.ru
отсылающий читать курс
 
Сообщения: 14195
Зарегистрирован: 06 ноя 2005, 04:18
Откуда: Москва

Re: Нужна помошь в освоении proteus.

Сообщение Romikgy » 05 июл 2011, 17:30

пиши вопросы здесь , тебе здесь и ответят
die Wahrheit ist irgendwo da draußen
Аватара пользователя
Romikgy
 
Сообщения: 750
Зарегистрирован: 15 ноя 2009, 13:37
Откуда: Porto Franco "Odessa"

Re: Нужна помошь в освоении proteus.

Сообщение INDEPENDENT » 05 июл 2011, 20:45

http://www.proteus123.narod.ru это я прочитал)

Добавлено спустя 1 минуту 11 секунд:
l298n имеет отличие от l289?

Добавлено спустя 2 минуты 52 секунды:
и может где нубудь уже есть подобная готовая схема. (Драйвер двигателя два моторчика и микропроцессор.) ?
INDEPENDENT
 
Сообщения: 52
Зарегистрирован: 28 окт 2010, 21:37
Skype: independent645

Re: Нужна помошь в освоении proteus.

Сообщение MiBBiM » 05 июл 2011, 21:01

http://projects.roboclub.ru/index.shtml?attempt и еще плюсом датчики освещенности, готовая прошивка и контактные датчики
Tomorrow will be. Better
Аватара пользователя
MiBBiM
 
Сообщения: 1866
Зарегистрирован: 29 окт 2007, 18:11
Откуда: Пермь
прог. языки: Brainfuck/Basic/Delphi/C++/Lisp/x86asm/JavaScript

Re: Нужна помошь в освоении proteus.

Сообщение INDEPENDENT » 05 июл 2011, 21:29

спасибо!! сейчас прочитаю. У меня Дальномеры есть)) но использовать не решаюсь)

Добавлено спустя 2 минуты 4 секунды:
Но все равно у кого есть всн таки чистыйй вариант контроллера для 4 колесной машинки с рулевой частью.

Добавлено спустя 10 минут 36 секунд:
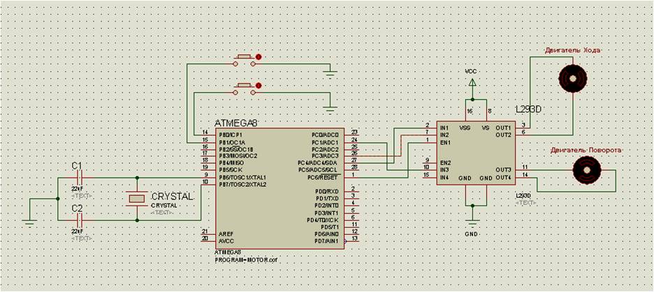
Рисунок2.png


Добавлено спустя 1 минуту 3 секунды:
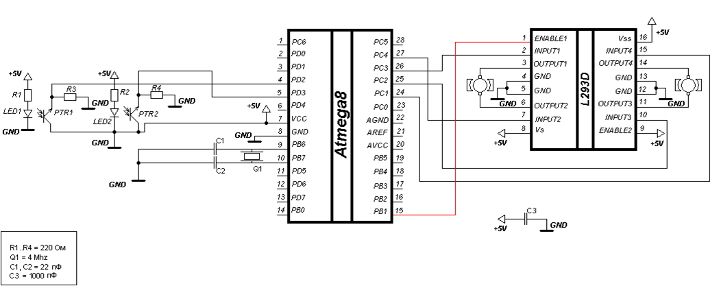
тут я вижу только контроллер 2 колеса и все(( остальное не понятно(

Добавлено спустя 1 минуту 6 секунд:
это ближе что я хочу сделать

Добавлено спустя 24 секунды:
простите что 2 раза((

Добавлено спустя 3 минуты 18 секунд:
Вот это уже мое творение. Не знаю как продолжтить. И где вход usd должегн быть? помогите.)

Добавлено спустя 1 минуту 1 секунду:
2 фото это тоже макеты. помогите прочитать их. я не погимаю многих элементов
Вложения
screen_2.JPG.jpg
Рисунок1.jpg
Рисунок1.jpg
INDEPENDENT
 
Сообщения: 52
Зарегистрирован: 28 окт 2010, 21:37
Skype: independent645

Re: Нужна помошь в освоении proteus.

Сообщение Vovan » 05 июл 2011, 21:37

Ну дык схема-то в принципе готова :)
Только почему: на IN2 изолятор идет?
En посажен на reset?
IN4 не подключен, реверса на этом моторе не надо что ли?
На чем пишешь? если на асм, могу помочь пару часов у компа буду торчать...
_________
Sincerely,
Vovan
Аватара пользователя
Vovan
 
Сообщения: 3340
Зарегистрирован: 05 окт 2005, 12:03
Откуда: Литва
прог. языки: asm

Re: Нужна помошь в освоении proteus.

Сообщение INDEPENDENT » 06 июл 2011, 08:55

Из 3 моя схема первая самая. 2 одинаковы. не могу прочитать их что на них). Пока не знаю на чем писать хотя бы сделать и спаять мне пока это достаточно, а потом уже буду учиться программировать.(знаю паскаль) Спасибо большое за предложение)) Как то не ловко вас утруждать. На паскаль вроде есть компиляторы? Мне бы верхнюю доделать схему. На двух одинаковых картинках слева я виже 2 конденсатора...а кристал что это? И над atmega 8 что находиться( А еще же usb нужно вроде что бы програмировать?
INDEPENDENT
 
Сообщения: 52
Зарегистрирован: 28 окт 2010, 21:37
Skype: independent645

Re: Нужна помошь в освоении proteus.

Сообщение galex1981 » 06 июл 2011, 08:59

CRYSTAL - кварцевый резонатор
над atmega8 пара кнопок
if(!Operate) Read(pDatasheet);
Аватара пользователя
galex1981
 
Сообщения: 4363
Зарегистрирован: 04 дек 2008, 22:44
Откуда: Камышин
Skype: galk-aleksandr1
прог. языки: Kotlin, Java, C, C++, Assm, BasCom, VB, php
ФИО: Галкин Александр Владимирович

Re: Нужна помошь в освоении proteus.

Сообщение INDEPENDENT » 06 июл 2011, 09:19

Спасибо)) Под кнопками подрозумеваеться переключатель вкл выкл? А crystal как в proteus найти) А usb?

Добавлено спустя 3 минуты 57 секунд:
И еще что означают концы проводков отведенных для кнопок? Возле дроайвера двигателя внизу понятно это ток входит. А там не понимаю и слева тоже после конденсаторов.

Добавлено спустя 5 минут 35 секунд:
Разобрался что такое кварцовый резонатор. Возник другой вопрос какой следует использовать в схеме?)
INDEPENDENT
 
Сообщения: 52
Зарегистрирован: 28 окт 2010, 21:37
Skype: independent645

Re: Нужна помошь в освоении proteus.

Сообщение dccharacter » 06 июл 2011, 10:09

Используй, пожалуйста, гугл. Там очень легко и быстро найдешь ответы на все свои вопросы. Читай и думай.
Мой волшебник это я сам. Всю архитектуру программы придумал лично, а ребята помогли воплотить её. Я бы и сам мог написать, но лень учить язык и его конструкции.
Аватара пользователя
dccharacter
 
Сообщения: 4995
Зарегистрирован: 10 дек 2010, 13:16
Откуда: Красногорск МО
прог. языки: C, Python, wiring/processing
ФИО: Андрей

Re: Нужна помошь в освоении proteus.

Сообщение Vovan » 06 июл 2011, 11:15

INDEPENDENT писал(а):хотя бы сделать и спаять мне пока это достаточно
это зря! есть же Протеус, зачем паять? всё равно без программы ничего работать не будет. Построить всё в Протеусе, отладить, а уж затем думать как паять (а мождь и не придётся :wink: )
INDEPENDENT писал(а):Под кнопками подрозумеваеться переключатель вкл выкл?
кнопка это не переключатель, кнопка это и в Африке кнопка: пока нажата - два контакта (два провода) замкнуты, отпущена - разомкнуты.
INDEPENDENT писал(а):И еще что означают концы проводков отведенных для кнопок?
это общий провод, он же земля, он же (в данной схеме) минус питания. То же самое и внизу драйвера и "слева тоже после конденсаторов".
INDEPENDENT писал(а):кварцовый резонатор...какой следует использовать в схеме?
предлагаю, пока вообще не использовать, а использовать внутренний RC генератор МК, причём по умолчанию.
Куда, как и какой программатор подключать, какой софт при этом использовать об этом столько информации, что только совсем ленивый и неграмотный не найдёт :wink:
_________
Sincerely,
Vovan
Аватара пользователя
Vovan
 
Сообщения: 3340
Зарегистрирован: 05 окт 2005, 12:03
Откуда: Литва
прог. языки: asm

Re: Нужна помошь в освоении proteus.

Сообщение INDEPENDENT » 06 июл 2011, 21:54

Получаеться несколько проводков под минус?) теперь ясно)) спасибо огромное) нее макет робота точно будет) все детали уже купил)Спасибо всем)

dccharacter » Сегодня, 09:09
Используй, пожалуйста, гугл. Там очень легко и быстро найдешь ответы на все свои вопросы. Читай и думай.
Перед тем как тут спросить задаю в интернете, по робототехнике очень мало ссылок.

Добавлено спустя 1 минуту 11 секунд:
А usb где должно быть?
INDEPENDENT
 
Сообщения: 52
Зарегистрирован: 28 окт 2010, 21:37
Skype: independent645

Re: Нужна помошь в освоении proteus.

Сообщение dccharacter » 06 июл 2011, 22:30

avr123, с твоего сайта по клику на выделенный текст утащило на порно-страницу. Ты поставь нормальные баннеры, мы тебе так накликаем - нафик делать чернуху скрытую?
И вообще кнопку "донейт" повесь.
Мой волшебник это я сам. Всю архитектуру программы придумал лично, а ребята помогли воплотить её. Я бы и сам мог написать, но лень учить язык и его конструкции.
Аватара пользователя
dccharacter
 
Сообщения: 4995
Зарегистрирован: 10 дек 2010, 13:16
Откуда: Красногорск МО
прог. языки: C, Python, wiring/processing
ФИО: Андрей

Re: Нужна помошь в освоении proteus.

Сообщение INDEPENDENT » 07 июл 2011, 15:44

А usb где? А какой смысл этой кнопки в данном макете?
l298n имеет отличие от l289?
INDEPENDENT
 
Сообщения: 52
Зарегистрирован: 28 окт 2010, 21:37
Skype: independent645

След.

Вернуться в Новичкам или основы основ роботостроения.

Кто сейчас на конференции

Сейчас этот форум просматривают: нет зарегистрированных пользователей и гости: 0

cron