
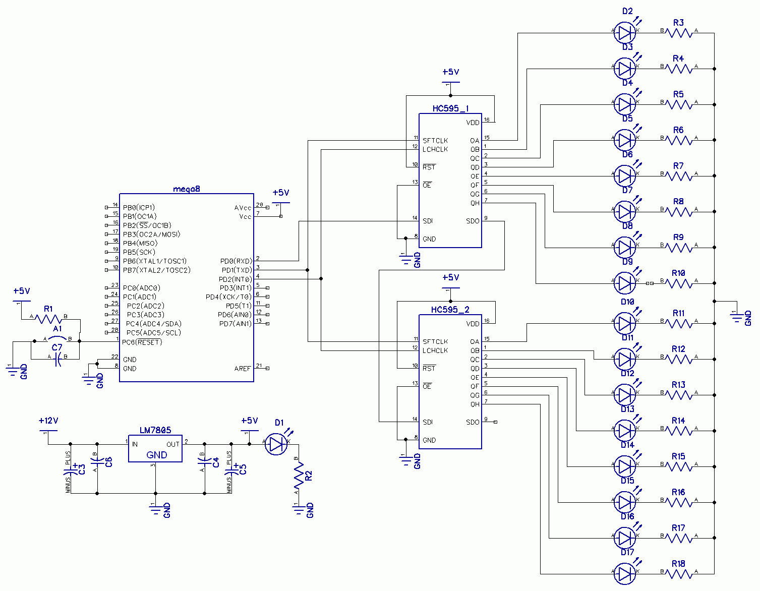
Схемку с 4-мя светодиодами сделал, все работает.
Щас хочу сделать еще одну с механической разверткой, наткнулся в схеме на символ, не могу найти в гугле что он значит.
слева между резистором R1 и конденсатором С7, стоит значок A1 с какой-то дугой, что он обозначает?