roboforum.ru

Технический форум по робототехнике.

Ремонт коляски Meyra Ortopedia Allround-950

Ремонт коляски Meyra Ortopedia Allround-950

Сообщение allarh » 08 сен 2021, 11:20

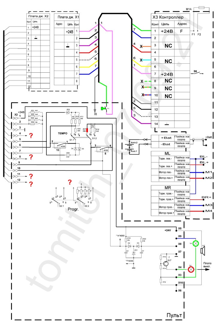
Уважаемые форумчане! У меня поломалась инвалидная коляска с электроприводом Meyra Ortopedia Allround-950 Вернее я поломал её сам. Устраняя мелкую неисправность в пульте я снял верхнюю плату регуляторов со штырей разъёма платы джойстика. При этом забыл выключить питание. Обуглился,(но не перегорел) резистор 7.5 ом на плате регуляторов. Раньше при включении мигали 3-5 секунд красная и зелёная лампы. Потом красная гасла, а зелёная горела не мигая. Можно было начинать движение. Теперь при включении обе лампы мигают 3-5 секунд, а потом пауза в 1-2 секунды и снова мигание обоих ламп. Если в момент этой короткой паузы успеть передвинуть рукоятку джойстика,то коляска иногда едет, управляется и выполняет все программы. Но чаще при передвижении джойстика в момент паузы колёса вращаются только пару секунд, останавливаются и снова мигают обе лампы.Схемы я найти не смог и уже вряд ли найду. Если кто то из Вас хорошо знаком с работой джойстика и контроллера,то помогите моей беде. Буду рад любой помощи!
Вложения
Изображение 589.jpg
20210831_182444.jpg
20210831_182626.jpg
PCB_top_DET.jpg.cf81610b4b31c2c5867e3e52a3552b23.jpg
1432474944_1734.thumb.jpg.c9fc1d51cb82b4ed59e9fd62eff9f698.jpg
1187453084_.thumb.JPG.e8ae237b6bcd3e0cd275c43e22d850b8.JPG
919004790_496.jpg.e3cbc8fd3f2dca98c5b95d8789b6455a.jpg
20210830_100629.thumb.jpg.e3eb1dde11481648b5c6c6fd93991f44.jpg
342686095__04_09.thumb.JPG.b4488d715ac5d04ea000208f3ac181c9.JPG
502105359_600.jpg.bea7176e44a7539bf099d118f45d414b.jpg
744499711_.thumb.JPG.deab25da833b3efbef8e672a0244911a.JPG
small_shop_items_catal.jpg
small_shop_items_catal.jpg (17.23 КиБ) Просмотров: 9902
allarh
 
Сообщения: 1
Зарегистрирован: 08 сен 2021, 11:04

Вернуться в Электротранспорт

Кто сейчас на конференции

Сейчас этот форум просматривают: нет зарегистрированных пользователей и гости: 0

cron