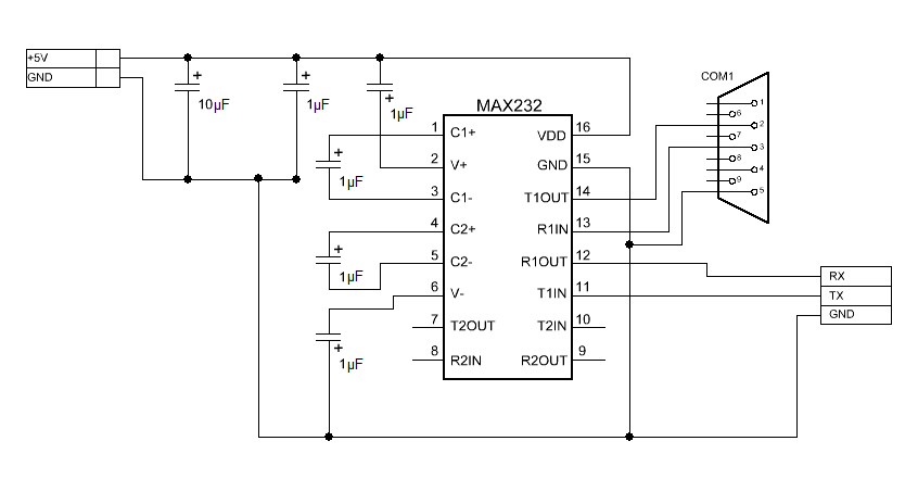
Подлючаю мах232 по схеме:
собираю на разводке паяю получается следующие:
замыкаю Rx и Tx на мах232 (11,12) софтиной открываю порт посылаю данные и они поидее должны возвротиться, но почему то не возврощаються, замыкаю 2 и 3 (на рисунке красным) посылаю данные, все ок, они вернулись. по схеме смотрю все ведь правильно подключено, даже в место керамических конденсаторов припаивал электролитные на 1uF, не помогло, думал малоли статикой убил микруху (хотя на жало паяльника был кинут провод к заземлению, паяю с антистатическим браслетом.), достал с ленты новую результат тот же - т.е. никакого. собираю схему на макетке только уже мах232 в дип копусе - все ок. что может быть не так ? посмотрите пожалуйста разводку (все лишнее удалил оставил только соединения связные с мах232)
з.Ы.: вместо батарейки побывал подключать питание от блока питания компа +5В, результат тот же. (мах232 в дип с 3 вольтами работает как надо)
