Добрый день, всем.
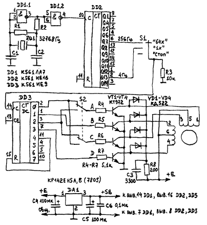
Пытаюсь заставить работать шаговый двигатель EM-142 от принтера. Подключил его по схеме как на прикреплённой картинке... Двигатель вращается, но один шаг он делает как бы полный (поворачивается скажем на угол L), а второй наполовину (L/2), третий шаг снова полный, четвёртый снова половинный... Не подскажете куда копать ?


