Добрый день, всем.
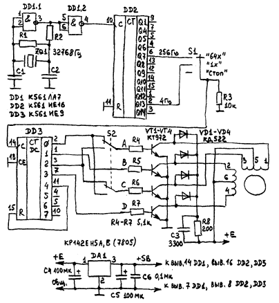
 Пытаюсь заставить работать шаговый двигатель EM-142 от принтера. Подключил его по схеме как на прикреплённой картинке... Двигатель вращается, но один шаг он делает как бы полный (поворачивается скажем на угол L), а второй наполовину (L/2), третий шаг снова полный, четвёртый снова половинный...  Не подскажете куда копать ?
			
				







