Датчик Хола в авто, помогите с распиновкой

Резисторы, транзисторы, конденсаторы, микросборки, чип компоненты ...
Вопросы согласования управляющих модулей с периферией.

Датчик Хола в авто, помогите с распиновкой

Сообщение Master » 21 дек 2010, 11:28

Вопрос больше следующего порядка, что будет если перепутать в датчике + и - и сигнальный провод. Он сгорит, будет работать, будет работать но не правильно?

Добавлено спустя 1 минуту 47 секунд:
Допустим землю я прозвонить могу по разъему, что звонится с корпусом авто, то минус. А вот как быть с + и сигнальным проводом? При ВЫключенном зажигании на одном из проводов относительно + порядка 2кОм, на втором бесконечность, если включить зажигание на обоих +12В.
Аватара пользователя
Master
 
Сообщения: 4468
Зарегистрирован: 21 дек 2006, 19:56
Откуда: Украина, г.Одесса
прог. языки: Delphi и С

Re: Датчик Хола в авто, помогите с распиновкой

Сообщение avr123.nm.ru » 21 дек 2010, 11:47

где 2 кОм это выход сигнала.
Читайте !
Аватара пользователя
avr123.nm.ru
отсылающий читать курс
 
Сообщения: 14195
Зарегистрирован: 06 ноя 2005, 04:18
Откуда: Москва

Re: Датчик Хола в авто, помогите с распиновкой

Сообщение Master » 21 дек 2010, 11:47

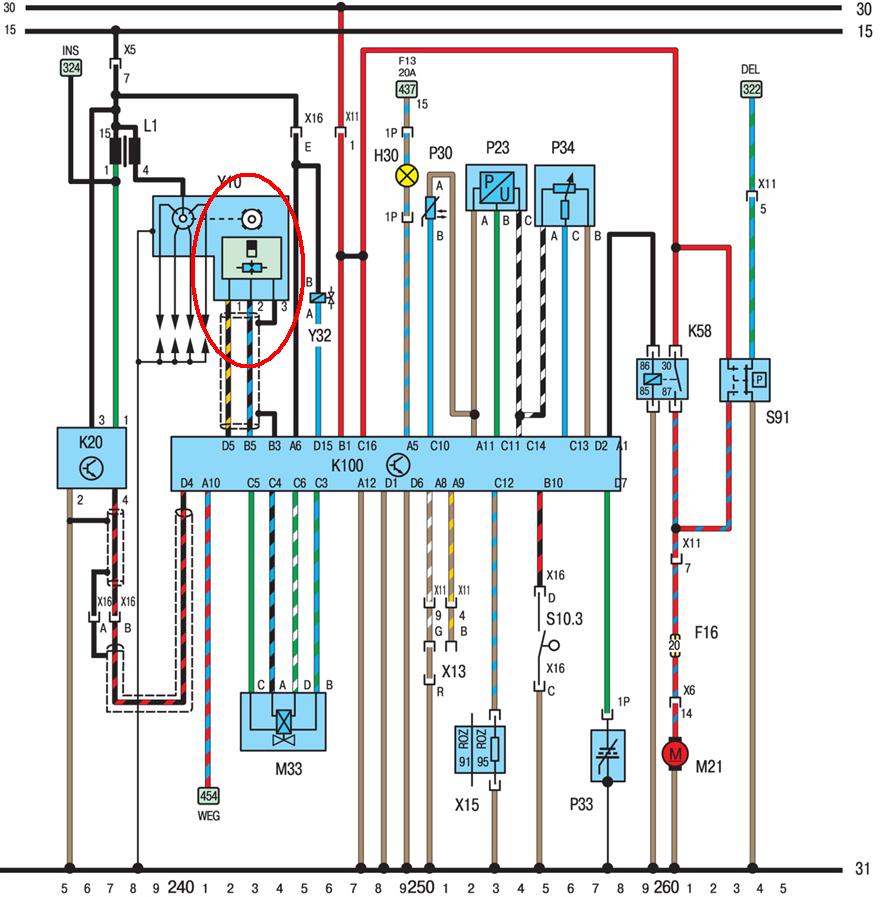
Вот схема и датчик.
chema.JPG

Chole.JPG
Аватара пользователя
Master
 
Сообщения: 4468
Зарегистрирован: 21 дек 2006, 19:56
Откуда: Украина, г.Одесса
прог. языки: Delphi и С

Re: Датчик Хола в авто, помогите с распиновкой

Сообщение Myp » 21 дек 2010, 13:50

а ты магнитом пошуруди у датчика и посмотри что меняться будет :)
<telepathmode>На вопросы отвечает Бригадир Телепатов!</telepathmode>
Всё уже придумано до нас!
Аватара пользователя
Myp
скрытый хозяин вселенной :)
 
Сообщения: 18018
Зарегистрирован: 18 сен 2006, 12:26
Откуда: Тверь по прозвищу Дверь
прог. языки: псевдокод =) сила в алгоритме!
ФИО: глубокоуважаемый Фёдор Анатольевич

Re: Датчик Хола в авто, помогите с распиновкой

Сообщение -= Александр =- » 22 дек 2010, 16:11

Если датчик с открытым коллектором - лучше плюс и выход не путать... Ищи схему монтажного блока.
Или попробуй при включенном зажигании дать на эти ноги нагрузку. Какая под ней провалится - та и сигнал. Нагрузку подбирать маломощную, например лампочку подсветки приборки. Т.к. там рядом пляшет распределитель с киловольтами - значит сигнал датчика неслабо подтянут для помехозащиты.
Ниндзя - круче всех. Они умеют ходить по воде, делить на ноль и угадывать шаффл в АйПоде.
Аватара пользователя
-= Александр =-
Мастер Самоделкин
 
Сообщения: 3678
Зарегистрирован: 11 окт 2004, 19:20
Откуда: Россия, СПб
прог. языки: C/C++, Python, asm
ФИО: Курмис Александр Андреевич

Re: Датчик Хола в авто, помогите с распиновкой

Сообщение Master » 22 дек 2010, 19:10

Ок я попробую лампочкой.

Myp, он реагирует на железо, хотя внутри дачика уже есть магнит, вон за той треугольной железячкой он находится.

Если я датчик подрубил к компутерному БП и он работает, значит с проводами я угадал?
Когда пластина перекрывает разъем на выходе 12В, а когда нет пластины 0В. Мерил стрелочным вольтметром.
Аватара пользователя
Master
 
Сообщения: 4468
Зарегистрирован: 21 дек 2006, 19:56
Откуда: Украина, г.Одесса
прог. языки: Delphi и С

Re: Датчик Хола в авто, помогите с распиновкой

Сообщение Myp » 23 дек 2010, 12:41

один фиг, он реагирует не на молекулярное железо, а на изменение магнитного поля :)
<telepathmode>На вопросы отвечает Бригадир Телепатов!</telepathmode>
Всё уже придумано до нас!
Аватара пользователя
Myp
скрытый хозяин вселенной :)
 
Сообщения: 18018
Зарегистрирован: 18 сен 2006, 12:26
Откуда: Тверь по прозвищу Дверь
прог. языки: псевдокод =) сила в алгоритме!
ФИО: глубокоуважаемый Фёдор Анатольевич


Вернуться в Электроника, электротехника

Кто сейчас на конференции

Сейчас этот форум просматривают: нет зарегистрированных пользователей и гости: 5