roboforum.ru

Технический форум по робототехнике.


MAX4427 Помогите разобраться

Резисторы, транзисторы, конденсаторы, микросборки, чип компоненты ...
Вопросы согласования управляющих модулей с периферией.

MAX4427 Помогите разобраться

Сообщение pashteton » 22 дек 2005, 13:58

Кто нибудь работал с ТС4427(МАХ4427)? Не могу разобраться с 4427, почему то она при любом раскладе крутит моторы...т.е. не отключает их от питания.
Подключаю ее напрямую к питанию, и даже не подавая управляющий сигнал, а моторы включаются.
pashteton
 
Сообщения: 10
Зарегистрирован: 22 дек 2005, 13:55

Сообщение pashteton » 22 дек 2005, 15:09

Похоже дело в отсутствии конденсаторов. Но какие из них действительно необходимы?
pashteton
 
Сообщения: 10
Зарегистрирован: 22 дек 2005, 13:55

Сообщение -= Александр =- » 22 дек 2005, 17:37

Схему в студию!  :wink:
Аватара пользователя
-= Александр =-
Мастер Самоделкин
 
Сообщения: 3678
Зарегистрирован: 11 окт 2004, 19:20
Откуда: Россия, СПб
прог. языки: C/C++, Python, asm
ФИО: Курмис Александр Андреевич

Сообщение pashteton » 22 дек 2005, 17:39

Я же пишу, что схемы нет...
Все включено напрямую, без кондеров, которые как бы должны быть по даташиту.
pashteton
 
Сообщения: 10
Зарегистрирован: 22 дек 2005, 13:55

Сообщение Kanoka » 22 дек 2005, 18:22

Подключаю ее напрямую к питанию, и даже не подавая управляющий сигнал, а моторы включаются.

Может дело как раз в управляющем сигнале, или в опорном напряжении?
Kanoka
Модератор
 
Сообщения: 1274
Зарегистрирован: 11 ноя 2004, 03:18
Откуда: Москва

Сообщение -= Александр =- » 22 дек 2005, 20:35

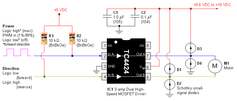
Вот чего я откопал. Волде аналог, только мощнее. Вижу на входе подтянуто к +5 В - может в этом дело?
Вложения
hbridgeschematic.gif
Аватара пользователя
-= Александр =-
Мастер Самоделкин
 
Сообщения: 3678
Зарегистрирован: 11 окт 2004, 19:20
Откуда: Россия, СПб
прог. языки: C/C++, Python, asm
ФИО: Курмис Александр Андреевич

Сообщение avr123.nm.ru » 22 дек 2005, 22:34

а в чем так красиво  нарисовано ?
Аватара пользователя
avr123.nm.ru
отсылающий читать курс
 
Сообщения: 14195
Зарегистрирован: 06 ноя 2005, 04:18
Откуда: Москва
Предупреждения: -8

Сообщение -= Александр =- » 22 дек 2005, 23:24

А вот для самого загадка...  :roll:  Видел много таких симпатичных схем, а в чем рисуется не знаю...
Аватара пользователя
-= Александр =-
Мастер Самоделкин
 
Сообщения: 3678
Зарегистрирован: 11 окт 2004, 19:20
Откуда: Россия, СПб
прог. языки: C/C++, Python, asm
ФИО: Курмис Александр Андреевич

Сообщение pashteton » 23 дек 2005, 11:53

Осталось найти 5 вольт...
pashteton
 
Сообщения: 10
Зарегистрирован: 22 дек 2005, 13:55

Сообщение pashteton » 23 дек 2005, 12:25

Вот моя схемка подключения:
И что не подавай на А, мотор всегда включен.
Вложения
untitled.GIF
Схема пдключения
untitled.GIF (7.81 КиБ) Просмотров: 3540
pashteton
 
Сообщения: 10
Зарегистрирован: 22 дек 2005, 13:55

Сообщение Kanoka » 23 дек 2005, 14:14

Александр дал же схему, чем она не устраивает?
Kanoka
Модератор
 
Сообщения: 1274
Зарегистрирован: 11 ноя 2004, 03:18
Откуда: Москва

Сообщение pashteton » 23 дек 2005, 14:25

Мне нужно просто включать двигатели.
Мне реверс не нужен.
pashteton
 
Сообщения: 10
Зарегистрирован: 22 дек 2005, 13:55

Сообщение Kanoka » 23 дек 2005, 14:45

Тогда поставь диод между 7 ногой и землей.
Kanoka
Модератор
 
Сообщения: 1274
Зарегистрирован: 11 ноя 2004, 03:18
Откуда: Москва

Сообщение pashteton » 23 дек 2005, 15:10

Ничего не меняет...
pashteton
 
Сообщения: 10
Зарегистрирован: 22 дек 2005, 13:55

Сообщение pashteton » 23 дек 2005, 15:11

А вот если А повесить на землю, то мотор останавливается.
pashteton
 
Сообщения: 10
Зарегистрирован: 22 дек 2005, 13:55

След.

Вернуться в Электроника, электротехника

Кто сейчас на конференции

Сейчас этот форум просматривают: нет зарегистрированных пользователей и гости: 3