Резисторы, транзисторы, конденсаторы, микросборки, чип компоненты ...
	
		
			
			
			pashteton 
			
			Кто нибудь работал с ТС4427(МАХ4427)? Не могу разобраться с 4427, почему то она при любом раскладе крутит моторы...т.е. не отключает их от питания.
			
		 
		
			
			
				pashteton 
			 
			
		  
		Сообщения:  10Зарегистрирован:  22 дек 2005, 13:55 
	
		
		 
	
		
			
			pashteton 
			
			Похоже дело в отсутствии конденсаторов. Но какие из них действительно необходимы?
			
		 
		
			
			
				pashteton 
			 
			
		  
		Сообщения:  10Зарегистрирован:  22 дек 2005, 13:55 
	
		
		 
	
		
			
			-= Александр =- 
			
			Схему в студию!  :wink:
			
		 
		
			
			
				-= Александр =- 
			 
			Мастер Самоделкин 
		  
		Сообщения:  3678Зарегистрирован:  11 окт 2004, 19:20Откуда:  Россия, СПбпрог. языки:  C/C++, Python, asmФИО:  Курмис Александр Андреевич
				 
		
		 
	
		
		 
	
		
			
			pashteton 
			
			Я же пишу, что схемы нет...
			
		 
		
			
			
				pashteton 
			 
			
		  
		Сообщения:  10Зарегистрирован:  22 дек 2005, 13:55 
	
		
		 
	
		
			
			Kanoka 
			
			Подключаю ее напрямую к питанию, и даже не подавая управляющий сигнал, а моторы включаются.
Может дело как раз в управляющем сигнале, или в опорном напряжении?
 
		
			
			
				Kanoka 
			 
			Модератор 
		  
		Сообщения:  1274Зарегистрирован:  11 ноя 2004, 03:18Откуда:  Москва
				 
		
		 
	
		
		 
	
		
			
			-= Александр =- 
			
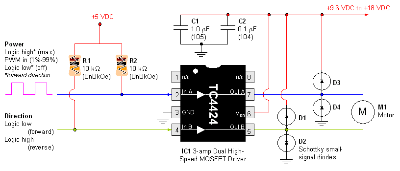
			Вот чего я откопал. Волде аналог, только мощнее. Вижу на входе подтянуто к +5 В - может в этом дело?
			
				
					Вложения 
					
						
		
			 
		 
					
				 
			
		 
		
			
			
				-= Александр =- 
			 
			Мастер Самоделкин 
		  
		Сообщения:  3678Зарегистрирован:  11 окт 2004, 19:20Откуда:  Россия, СПбпрог. языки:  C/C++, Python, asmФИО:  Курмис Александр Андреевич
				 
		
		 
	
		
		 
	
		
			
			avr123.nm.ru 
			
			а в чем так красиво  нарисовано ?
			
		 
		
			
			
				avr123.nm.ru 
			 
			отсылающий читать курс 
		  
		Сообщения:  14195Зарегистрирован:  06 ноя 2005, 04:18Откуда:  МоскваПредупреждения:  -8
				 
		
		 
	
		
		 
	
		
			
			-= Александр =- 
			
			А вот для самого загадка...  :roll:  Видел много таких симпатичных схем, а в чем рисуется не знаю...
			
		 
		
			
			
				-= Александр =- 
			 
			Мастер Самоделкин 
		  
		Сообщения:  3678Зарегистрирован:  11 окт 2004, 19:20Откуда:  Россия, СПбпрог. языки:  C/C++, Python, asmФИО:  Курмис Александр Андреевич
				 
		
		 
	
		
		 
	
		
			
			pashteton 
			
			Осталось найти 5 вольт...
			
		 
		
			
			
				pashteton 
			 
			
		  
		Сообщения:  10Зарегистрирован:  22 дек 2005, 13:55 
	
		
		 
	
		
			
			pashteton 
			
			Вот моя схемка подключения:
			
				
					Вложения 
					
						
		
			Схема пдключения untitled.GIF (7.81 КиБ) Просмотров: 3426 
		 
		 
					
				 
			
		 
		
			
			
				pashteton 
			 
			
		  
		Сообщения:  10Зарегистрирован:  22 дек 2005, 13:55 
	
		
		 
	
		
			
			Kanoka 
			
			Александр дал же схему, чем она не устраивает?
			
		 
		
			
			
				Kanoka 
			 
			Модератор 
		  
		Сообщения:  1274Зарегистрирован:  11 ноя 2004, 03:18Откуда:  Москва
				 
		
		 
	
		
		 
	
		
			
			pashteton 
			
			Мне нужно просто включать двигатели.
			
		 
		
			
			
				pashteton 
			 
			
		  
		Сообщения:  10Зарегистрирован:  22 дек 2005, 13:55 
	
		
		 
	
		
			
			Kanoka 
			
			Тогда поставь диод между 7 ногой и землей.
			
		 
		
			
			
				Kanoka 
			 
			Модератор 
		  
		Сообщения:  1274Зарегистрирован:  11 ноя 2004, 03:18Откуда:  Москва
				 
		
		 
	
		
		 
	
		
			
			pashteton 
			
			Ничего не меняет...
			
		 
		
			
			
				pashteton 
			 
			
		  
		Сообщения:  10Зарегистрирован:  22 дек 2005, 13:55 
	
		
		 
	
		
			
			pashteton 
			
			А вот если А повесить на землю, то мотор останавливается.
			
		 
		
			
			
				pashteton 
			 
			
		  
		Сообщения:  10Зарегистрирован:  22 дек 2005, 13:55 
	
		
		 
	
Вернуться в Электроника, электротехника 
	
	Кто сейчас на конференции 
	Сейчас этот форум просматривают: нет зарегистрированных пользователей и гости: 0