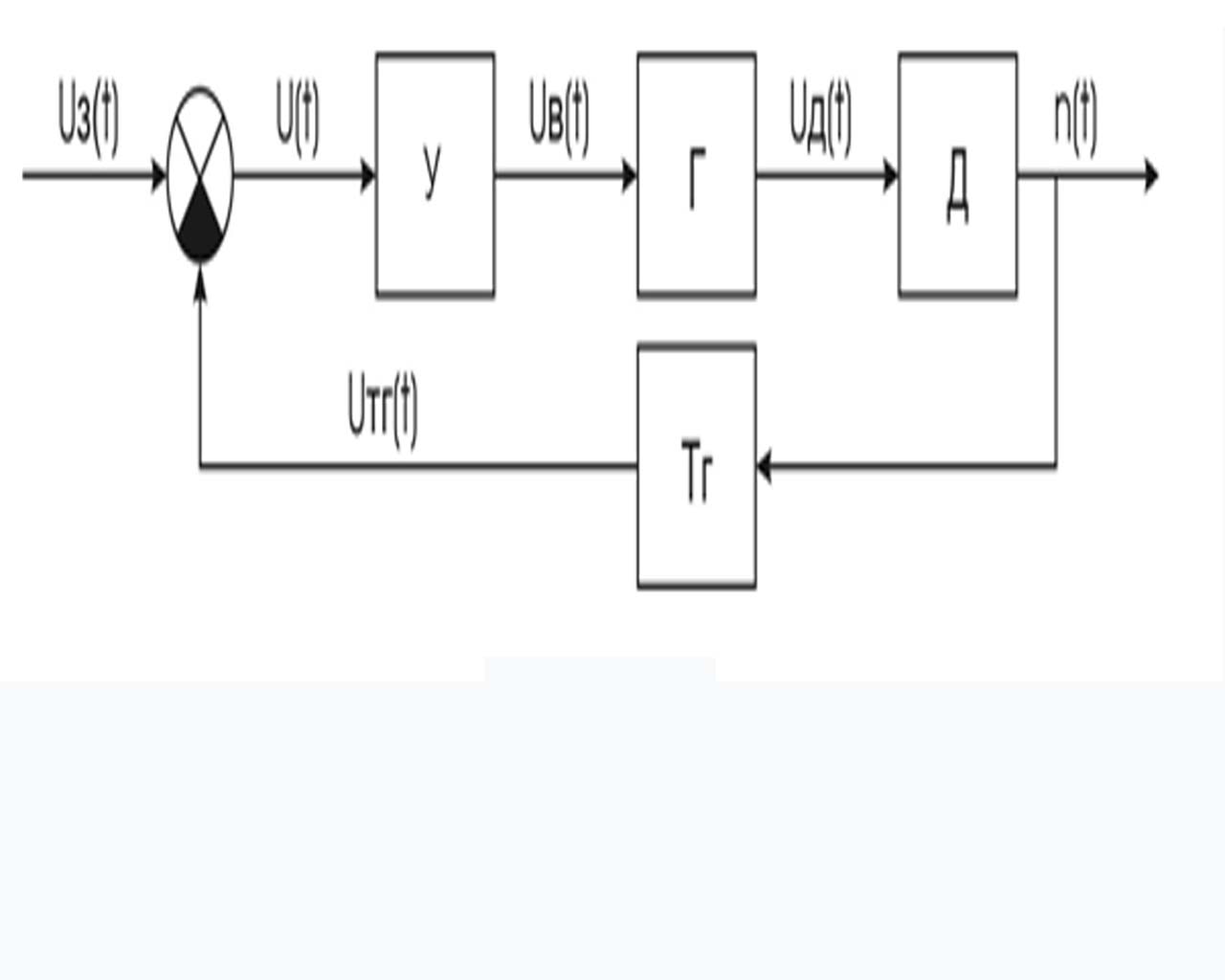
Если влияние нагрузки будет учитыватся в звене двигателя то тахогенератор думаю можно пропорциональным звеном взять, ибо его инерционность куда меньше будет чем у двигателя с редуктором и мешалкой.
А эксперементально это можно посмотреть сравнив скорости разгона дввигателя с отключеным от вала тахогенератором и с подключеным. На сколько я разбираюсь в тахогенераторах - скорости будут исчезающе одинаковы

ПС: Эх, свой диплом вспоминаю - моделировал процесс нагрева парового автоклава с учетом всех элементов контура (давление пара, инерционность клапана, давление насыщенного пара.... Эксель кашлял и сморкался, но графики строил

)