roboforum.ru

Технический форум по робототехнике.


Зачем тут транзистор?

Резисторы, транзисторы, конденсаторы, микросборки, чип компоненты ...
Вопросы согласования управляющих модулей с периферией.

Зачем тут транзистор?

Сообщение Kanoka » 09 окт 2005, 15:06

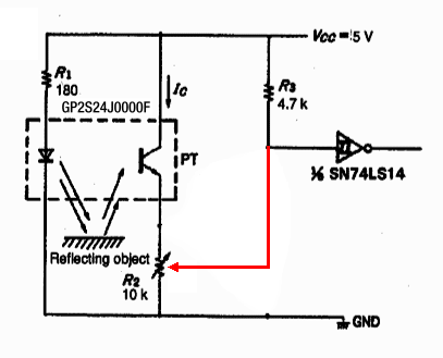
Ниже схема подключения сенсора на отражение SHARP GP2S24, вроде все понятно за исключением транзистора, для чего он?
Вложения
GP2S24.gif
Kanoka
Модератор
 
Сообщения: 1274
Зарегистрирован: 11 ноя 2004, 03:18
Откуда: Москва

Сообщение EdGull » 09 окт 2005, 16:30

Транзистор в оптопаре вроде как слабый для открывания на прямую логики, вот промежуточный и поставили.
Аватара пользователя
EdGull
 
Сообщения: 10211
Зарегистрирован: 28 дек 2004, 20:33
Откуда: Тольятти
Skype: Ed_Gull
прог. языки: Bascom AVR Basic
ФИО: Гуль Эдуард Викторович

Сообщение Kanoka » 09 окт 2005, 20:38

То есть он там необходим?
И насколько я понимаю если заменить GP2S24 http://sharp-world.com/products/device/ ... 2s09_e.pdf на GP2S28 http://sharp-world.com/products/device/ ... 2s28_e.pdf схема останется такой же?

Да и еще, вероятно я туплю, но у переменного резистора 3 ноги, а на схеме 2. Почему?
Kanoka
Модератор
 
Сообщения: 1274
Зарегистрирован: 11 ноя 2004, 03:18
Откуда: Москва

Сообщение Vladimir » 10 окт 2005, 18:16

Kanoka писал(а):Да и еще, вероятно я туплю, но у переменного резистора 3 ноги, а на схеме 2. Почему?


Если третью ногу не использовать, тогда и будет, как на схеме.
Vladimir
 
Сообщения: 17
Зарегистрирован: 12 мар 2005, 14:58
Откуда: С.Петербург

Сообщение FireFly » 10 окт 2005, 19:23

Kanoka писал(а):Да и еще, вероятно я туплю, но у переменного резистора 3 ноги, а на схеме 2. Почему?


Соедини любую крайнюю со средней ногой на резисторе и все :wink:
Аватара пользователя
FireFly
 
Сообщения: 1576
Зарегистрирован: 19 июн 2005, 18:27
Откуда: Камышин

Сообщение Mike_MA » 11 окт 2005, 11:22

ВСЁ банально просто:
- когда на транзистор попадает излучение он переходит в открытое состояние и на резисторе R2 получается 5В. (лог "1")
- транзистор "Tr" нужен для того, чтобы инвертировать сигнал т.к. при лог "1" на входе (т.е. на резисторе R2) на выходе будет лог "0", который далее идёт на логику...

подведём итог:
- когда излучение отражается от чего-то и попадает на фототранзистор, на выходе схемы - лог "0"
- когда излучение не попадает на фототранзистор - лог "1"
Mike_MA
 
Сообщения: 367
Зарегистрирован: 07 фев 2005, 17:41
Откуда: Санкт-Петербург

Сообщение EdGull » 11 окт 2005, 15:16

Mike_MA писал(а):ВСЁ банально просто:
- когда на транзистор попадает излучение он переходит в открытое состояние и на резисторе R2 получается 5В. (лог "1")
- транзистор "Tr" нужен для того, чтобы инвертировать сигнал т.к. при лог "1" на входе (т.е. на резисторе R2) на выходе будет лог "0", который далее идёт на логику...

А тогда зачем поставлен инвертор на логике, чтоб еще раз проинвертировать? 8-)
Аватара пользователя
EdGull
 
Сообщения: 10211
Зарегистрирован: 28 дек 2004, 20:33
Откуда: Тольятти
Skype: Ed_Gull
прог. языки: Bascom AVR Basic
ФИО: Гуль Эдуард Викторович

Сообщение Mike_MA » 11 окт 2005, 15:53

EdGull писал(а):А тогда зачем поставлен инвертор на логике, чтоб еще раз проинвертировать? 8-)

Интересный вопрос... :wink:  :wink:  :wink:
Ну и как усилитель по току... :wink:
Mike_MA
 
Сообщения: 367
Зарегистрирован: 07 фев 2005, 17:41
Откуда: Санкт-Петербург

Сообщение -= Александр =- » 12 окт 2005, 00:43

Хм... А я как-то не задумываясь такие датчики прямо в контроллер втыкал. Если надо было - подтягивал куда надо резисторами и все работало на ура! Хотя может он от температуры сплывет куда-нибудь... Зимой будет видно.  :wink:

А инвертор тут хитрый, он на входе имеет что дают, а на выходе из этого ТТЛ делает. Называется че-то-там-формирователь если правильно помню...  :roll:
Аватара пользователя
-= Александр =-
Мастер Самоделкин
 
Сообщения: 3678
Зарегистрирован: 11 окт 2004, 19:20
Откуда: Россия, СПб
прог. языки: C/C++, Python, asm
ФИО: Курмис Александр Андреевич

Сообщение Kanoka » 16 окт 2005, 17:12

Если я правильно понял то без этого транзистора можно вполне обойтись?

Как в таком случае будет выглядить схема, не совсем уверен что так.
Вложения
GP2S24-1.gif
Kanoka
Модератор
 
Сообщения: 1274
Зарегистрирован: 11 ноя 2004, 03:18
Откуда: Москва

Сообщение EdGull » 16 окт 2005, 17:19

Тогда уж буфер точно не нужен. Тогда переносим резистор транзистора с емитера на коллектор и делаем выход между этим резистором и коллектором.
Последний раз редактировалось EdGull 16 окт 2005, 17:21, всего редактировалось 1 раз.
Аватара пользователя
EdGull
 
Сообщения: 10211
Зарегистрирован: 28 дек 2004, 20:33
Откуда: Тольятти
Skype: Ed_Gull
прог. языки: Bascom AVR Basic
ФИО: Гуль Эдуард Викторович

Сообщение Kanoka » 16 окт 2005, 17:19

Или так?

P.S. Кусок от SN74LS14 сюда затесался потому что был на исходной схеме. Мне нужно просто подключить датчик с возможностью регулировки чувствительности.
Вложения
GP2S24-2.gif
Последний раз редактировалось Kanoka 16 окт 2005, 17:24, всего редактировалось 1 раз.
Kanoka
Модератор
 
Сообщения: 1274
Зарегистрирован: 11 ноя 2004, 03:18
Откуда: Москва

Сообщение EdGull » 16 окт 2005, 17:24

Я лучше б логику выкинул чем транзистор.
Аватара пользователя
EdGull
 
Сообщения: 10211
Зарегистрирован: 28 дек 2004, 20:33
Откуда: Тольятти
Skype: Ed_Gull
прог. языки: Bascom AVR Basic
ФИО: Гуль Эдуард Викторович

Сообщение -= Александр =- » 16 окт 2005, 18:00

А чем этот транзистор так не понравился? Ну есть он там - пусть будет. Мало ли без него лагать начнет?
Аватара пользователя
-= Александр =-
Мастер Самоделкин
 
Сообщения: 3678
Зарегистрирован: 11 окт 2004, 19:20
Откуда: Россия, СПб
прог. языки: C/C++, Python, asm
ФИО: Курмис Александр Андреевич

Сообщение Kanoka » 16 окт 2005, 18:12

Тогда переносим резистор транзистора с емитера на коллектор и делаем выход между этим резистором и коллектором.

:shock: Может нарисуешь? Помоему я недопонял.
Вложения
GP2S28_circuit.gif
GP2S28_circuit.gif (4.42 КиБ) Просмотров: 3902
Kanoka
Модератор
 
Сообщения: 1274
Зарегистрирован: 11 ноя 2004, 03:18
Откуда: Москва

След.

Вернуться в Электроника, электротехника

Кто сейчас на конференции

Сейчас этот форум просматривают: нет зарегистрированных пользователей и гости: 0

cron