roboforum.ru

Технический форум по робототехнике.


электроклапан с обратным датчиком положения

Резисторы, транзисторы, конденсаторы, микросборки, чип компоненты ...
Вопросы согласования управляющих модулей с периферией.

Re: электроклапан с обратным датчиком положения

Сообщение =DeaD= » 08 ноя 2009, 11:40

Что-то я не понял как оно управляется, если освоите - можно сюда выложить? И цену на эту детальку в автомагазинах тоже бы :oops:
Проект [[Open Robotics]] - Универсальные модули для построения роботов
Аватара пользователя
=DeaD=
 
Сообщения: 24218
Зарегистрирован: 06 окт 2004, 18:01
Откуда: Ебург
прог. языки: C++ / PHP / 1C
ФИО: Антон Ботов

Re: электроклапан с обратным датчиком положения

Сообщение avr123.nm.ru » 08 ноя 2009, 12:04

=DeaD= писал(а):Что-то я не понял как оно управляется


А ты пытался ???

линк на "осцилы" на прошлой страничке. рекомендация по L297 + 298 тоже там
"степ + дир" там же.

Все равно не понятно ???

Тогда так: шаговый мотор управляется как шаговый мотор. шаговый мотор крутит гайку в корой винт-шток.

=============

Вот на резьбе IAC GM
Вложения
IAC на резьбе.jpg
IAC на резьбе.jpg (20.92 КиБ) Просмотров: 2534
Аватара пользователя
avr123.nm.ru
отсылающий читать курс
 
Сообщения: 14195
Зарегистрирован: 06 ноя 2005, 04:18
Откуда: Москва
Предупреждения: -8

Re: электроклапан с обратным датчиком положения

Сообщение =DeaD= » 08 ноя 2009, 12:17

Пытался, но мало. Из кучи осцилограмм это изучать всяко хуже, чем по 3-4 конкретным строкам, что и как. Разве нет?
Вы же свой курс явно не по принципу "в инете полно инфы, неужели непонятно?" строили? :wink:

Добавлено спустя 58 секунд:
Ок, то что там обычный шаговик - уже полезная инфа :) а датчика положения там нету разве?
Проект [[Open Robotics]] - Универсальные модули для построения роботов
Аватара пользователя
=DeaD=
 
Сообщения: 24218
Зарегистрирован: 06 окт 2004, 18:01
Откуда: Ебург
прог. языки: C++ / PHP / 1C
ФИО: Антон Ботов

Re: электроклапан с обратным датчиком положения

Сообщение avr123.nm.ru » 08 ноя 2009, 12:24

Нет. при вкл зажигания он выдвигается до упора в корпус куда вставлен и затем отодвигается в нужное положение.
Если зажигание включить то слышно как он "жужжит".

Курс я для новичков писал, а ты на 100 % знаешь как управляется шаговый мотор и ПРЕКРАСНО знаешь что такое L297 L298 и тем более знаешь L293 которую даже назвал "Г".
Аватара пользователя
avr123.nm.ru
отсылающий читать курс
 
Сообщения: 14195
Зарегистрирован: 06 ноя 2005, 04:18
Откуда: Москва
Предупреждения: -8

Re: электроклапан с обратным датчиком положения

Сообщение =DeaD= » 08 ноя 2009, 12:26

То есть он через крайнее положение калибруется? И я так понимаю не портится при этом, так?

Добавлено спустя 28 секунд:
А я не себе инфу, а другим чтобы была :)
Проект [[Open Robotics]] - Универсальные модули для построения роботов
Аватара пользователя
=DeaD=
 
Сообщения: 24218
Зарегистрирован: 06 окт 2004, 18:01
Откуда: Ебург
прог. языки: C++ / PHP / 1C
ФИО: Антон Ботов

Magnetic position sensor

Сообщение Dizayner » 08 ноя 2009, 12:27

---
Последний раз редактировалось Dizayner 20 июн 2014, 07:14, всего редактировалось 1 раз.
Dizayner
 
Сообщения: 148
Зарегистрирован: 26 дек 2005, 01:36
Откуда: Иордания

Re: электроклапан с обратным датчиком положения

Сообщение avr123.nm.ru » 08 ноя 2009, 12:29

Нет не портится - он так постоянно работает. Просто не рекомендуют его выдвигать когда нет корпуса. он резберется.

Там не надо ШИМ - ток ограничивается сопротивлением обмоток - у отечественных для ВАЗ оно по 11 ом примерно.
Аватара пользователя
avr123.nm.ru
отсылающий читать курс
 
Сообщения: 14195
Зарегистрирован: 06 ноя 2005, 04:18
Откуда: Москва
Предупреждения: -8

Re: Magnetic position sensor

Сообщение =DeaD= » 08 ноя 2009, 12:30

Dizayner писал(а):Линейное перемещение, ход штока порядка ~500мм

Может 50мм? ;)
Проект [[Open Robotics]] - Универсальные модули для построения роботов
Аватара пользователя
=DeaD=
 
Сообщения: 24218
Зарегистрирован: 06 окт 2004, 18:01
Откуда: Ебург
прог. языки: C++ / PHP / 1C
ФИО: Антон Ботов

Re: Magnetic position sensor

Сообщение avr123.nm.ru » 08 ноя 2009, 12:32

Dizayner писал(а): на входе карты у меня уже есть обратный сигнал 0-10 В


Тогда возможно програмный PID регулятор надо городить. Примеры с инфой про ПИД регулирование есть на http://PIDcontrol.narod.ru ( приложил архивом )

НО ИМХО дело это не совсем простое для начала. Возможно лучше сделать сервопривод - просто по аналогойвой команде устанавливающий шток примерно в нужное положение. Это ИМХО проще.
Вложения
регулятор PID control автоматическое регулирование PIDcontrol.narod.ru.rar
(221.01 КиБ) Скачиваний: 9
Аватара пользователя
avr123.nm.ru
отсылающий читать курс
 
Сообщения: 14195
Зарегистрирован: 06 ноя 2005, 04:18
Откуда: Москва
Предупреждения: -8

Re: электроклапан с обратным датчиком положения

Сообщение contr » 08 ноя 2009, 17:04

Регулируемые параметры так и остались загадкой :(
Задается только позиция или скорость хода тоже?
Сколько позиций? Какая точность?
Усилие на штоке?
уже установил магнитные датчики положения питающее напряжение +24В, обратный сигнал 0-10В

Датчики дискретные 0/10В или аналоговые 0..10В?

Oбратил внимание что на форуме нет раздела "Гидравлика" ...., с пневматикой хочешь не хочешь но в большинстве механизмов просто оптимальный вариант по простоте и дешевизне..

Если знаете доступные малогабаритные насосы, гидро/пневмо цилиндры, клапаны и пр. "заточенные" под управление от батареек 5..12В, то подскажите источники. :wink:
contr
 
Сообщения: 987
Зарегистрирован: 17 апр 2009, 15:09
Откуда: Rostov-Don
Предупреждения: -1

Re: электроклапан с обратным датчиком положения

Сообщение Dizayner » 09 ноя 2009, 00:08

---
Вложения
stepper motor card.JPG
Последний раз редактировалось Dizayner 20 июн 2014, 07:15, всего редактировалось 1 раз.
Dizayner
 
Сообщения: 148
Зарегистрирован: 26 дек 2005, 01:36
Откуда: Иордания

Re: электроклапан с обратным датчиком положения

Сообщение avr123.nm.ru » 09 ноя 2009, 01:06

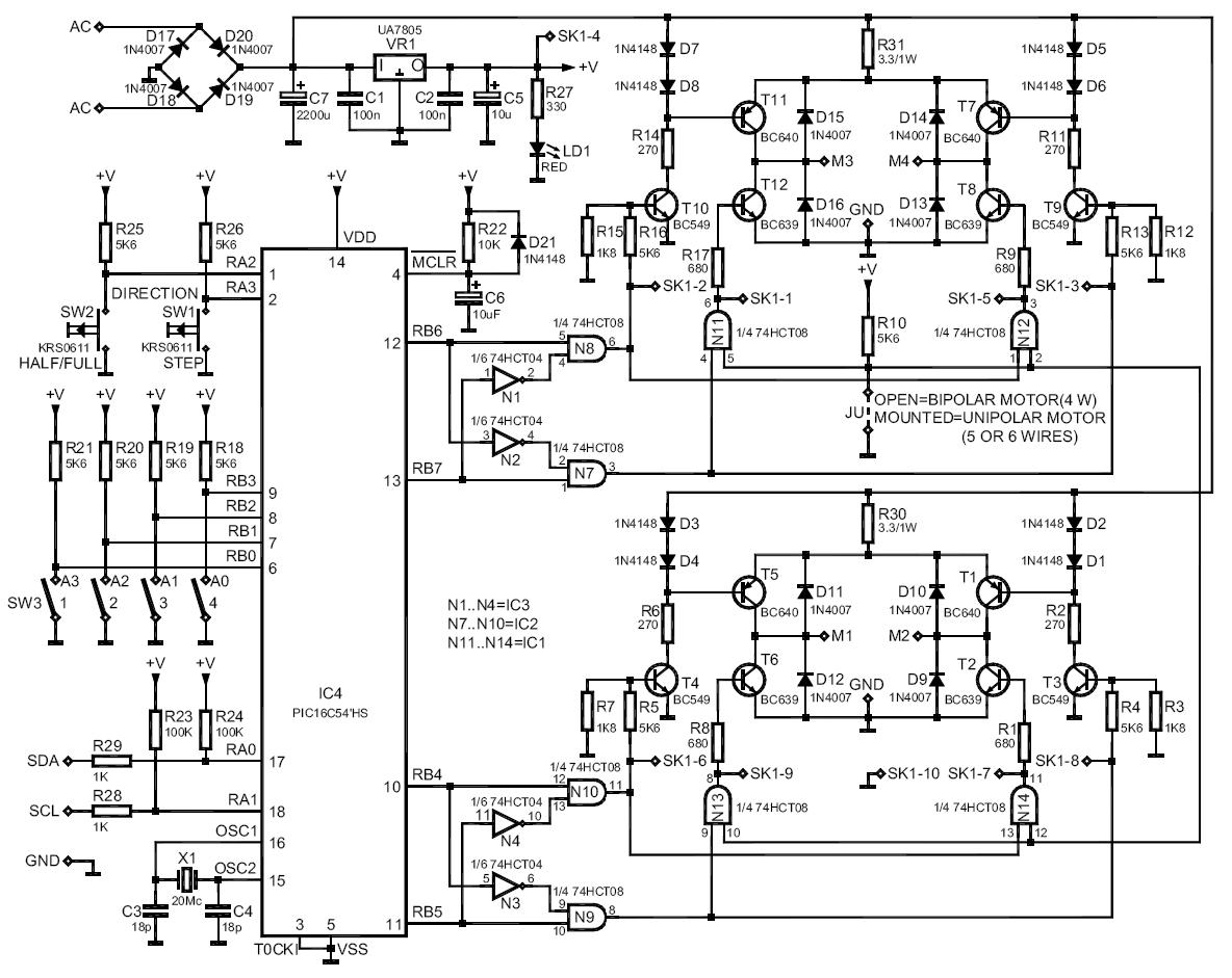
Весь "УЖАС" в правой части схемы заменяется одной микросхемой L293 или L298 с диодиками.

На прошлой странице я написал как управлять тем шаговиком - IAC. Подавать сигналы "ШАГ" и "НАПРАВЛЕНИЕ" - можно с дискретных выходов вашей USB платы можно с аналоговых.

Советую использовать формирователь шагов L297 ! схема подключения в даташите !

Шагов 255 у IAC обычно.

В PROTEUS есть проект BISTEPPER.DSN там L297 и L298 - можете пошагать посмотреть как работает.
Вложения
sshot-1.png
Аватара пользователя
avr123.nm.ru
отсылающий читать курс
 
Сообщения: 14195
Зарегистрирован: 06 ноя 2005, 04:18
Откуда: Москва
Предупреждения: -8

Re: электроклапан с обратным датчиком положения

Сообщение contr » 09 ноя 2009, 14:13

-пожалуйста:

Микро гидравлика/пневматика – очень дорогое удовольствие. Насосик размером с пачку сигарет стоит не меньшее кол-во денег. Да и соединять или переключать электрику проще, чем гидравлику. По этой причине без острой необходимости систему не усложняют.
когда пройдет подготовительный этап поговорим о нагрузке....

Это весьма интересный момент, поскольку стандартный актуатор имеет и датчик ОС, и управляемый от РС или 12В электропривод. Это избавляет от утечек масла и воя насоса.
пока еще не разобрался с подключением, куда и как подключатся? по каким параметрам регулировать (управлять) количество шагов и скорость вращения ? от этого параметра будет зависеть направление и скорость передвижения штока.

Я уже давал ссылку на простенький привод ШД. Подключается он к кнопкам, СОМ порту или другой двухпроводной шине. Софт под изменение скорости и позиции имеется как для ШД, так и для DC с датчиком от принтера, простой или оптической мыши.
Самых разных электросхем имеется великое множество, случайный выбор одной из них ничего не дает. Определитесь с конструкцией, чем и в каких пределах управляете, от чего, а уже потом прикинем как лучше.

зы. Коль так уж любите гидравлику, то вполне возможно, что система из нескольких клапанов (направление+скорость)и пары микриков (позиция) окажется проще
contr
 
Сообщения: 987
Зарегистрирован: 17 апр 2009, 15:09
Откуда: Rostov-Don
Предупреждения: -1

Re: электроклапан с обратным датчиком положения

Сообщение Dizayner » 09 ноя 2009, 17:18

---
Последний раз редактировалось Dizayner 20 июн 2014, 07:15, всего редактировалось 2 раз(а).
Dizayner
 
Сообщения: 148
Зарегистрирован: 26 дек 2005, 01:36
Откуда: Иордания

Re: электроклапан с обратным датчиком положения

Сообщение avr123.nm.ru » 09 ноя 2009, 17:46

Подключать цифроввые выходы ON/OFF к ножкам "step" ( 18 ) и "dir" ( 17 ) микросхемы L297.
Аватара пользователя
avr123.nm.ru
отсылающий читать курс
 
Сообщения: 14195
Зарегистрирован: 06 ноя 2005, 04:18
Откуда: Москва
Предупреждения: -8

Пред.След.

Вернуться в Электроника, электротехника

Кто сейчас на конференции

Сейчас этот форум просматривают: нет зарегистрированных пользователей и гости: 0

cron