
|  | roboforum.ruТехнический форум по робототехнике. |  | 
 Re: электроклапан с обратным датчиком положения
 Re: электроклапан с обратным датчиком положения

 Re: электроклапан с обратным датчиком положения
 Re: электроклапан с обратным датчиком положения=DeaD= писал(а):Что-то я не понял как оно управляется

 Re: электроклапан с обратным датчиком положения
 Re: электроклапан с обратным датчиком положения
 а датчика положения там нету разве?
 а датчика положения там нету разве?

 Re: электроклапан с обратным датчиком положения
 Re: электроклапан с обратным датчиком положения

 Magnetic position sensor
 Magnetic position sensor Re: электроклапан с обратным датчиком положения
 Re: электроклапан с обратным датчиком положения
 Re: Magnetic position sensor
 Re: Magnetic position sensorDizayner писал(а):Линейное перемещение, ход штока порядка ~500мм


 Re: Magnetic position sensor
 Re: Magnetic position sensorDizayner писал(а): на входе карты у меня уже есть обратный сигнал 0-10 В
 регулятор PID control автоматическое регулирование PIDcontrol.narod.ru.rar
 регулятор PID control автоматическое регулирование PIDcontrol.narod.ru.rar
 
 уже установил магнитные датчики положения питающее напряжение +24В, обратный сигнал 0-10В
Oбратил внимание что на форуме нет раздела "Гидравлика" ...., с пневматикой хочешь не хочешь но в большинстве механизмов просто оптимальный вариант по простоте и дешевизне..

 Re: электроклапан с обратным датчиком положения
 Re: электроклапан с обратным датчиком положения Re: электроклапан с обратным датчиком положения
 Re: электроклапан с обратным датчиком положения
-пожалуйста:
когда пройдет подготовительный этап поговорим о нагрузке....
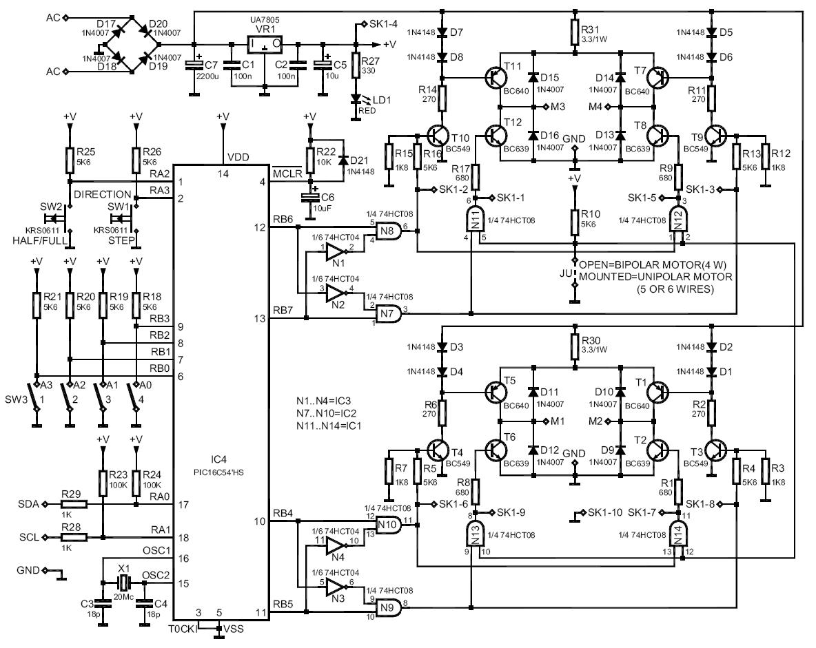
пока еще не разобрался с подключением, куда и как подключатся? по каким параметрам регулировать (управлять) количество шагов и скорость вращения ? от этого параметра будет зависеть направление и скорость передвижения штока.
 Re: электроклапан с обратным датчиком положения
 Re: электроклапан с обратным датчиком положения Re: электроклапан с обратным датчиком положения
 Re: электроклапан с обратным датчиком положения
Вернуться в Электроника, электротехника
Сейчас этот форум просматривают: нет зарегистрированных пользователей и гости: 0