Приветствую всех!
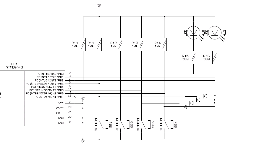
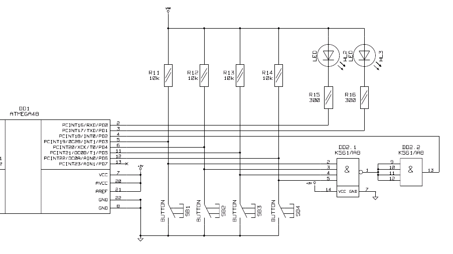
Задача заключается в следующем: для уменьшения энергопотребления при отсутствии активности усыплять (режим - powerdown) мегу48 со всей периферией. Пробуждение должно осуществляться при нажатии на одну из кнопок. Схемотехнически это выполнено так, как показано на рисунке ниже:
При отсутствии нажатия на любую из кнопок на входе INT0 микроконтроллера - лог. "1". Нажатие любой кнопки приведёт к появлению лог. "0" на входе INT0. При этом, согласно даташиту, осуществляется пробуждение МК.
Беда в том, что по непонятным пока причинам логика (DD2) в упор отказывается работать. Сначала на плату была припаяна КМОП К561ЛА8. При этом на выходе DD2.1 независимо от комбинации входных сигналов всегда присутствовал логический "1". Подумал, что при пайке ненароком ударил её статикой (хотя перед этим паялась мега, которая работает как часики) - перепаял на 74HC20N (ТТЛ, насколько я знаю). Эффект - тот же, только теперь на выходе независимо от входной комбинации - лог. "0".
Может быть подтяжка к +5В слишком мала/велика, и требуется смена номиналов резисторов? Полагаю, что такое поведение из-за подключенной напрямую меги.
Подскажите, пожалуйста, в какую сторону проводить раскопки.





