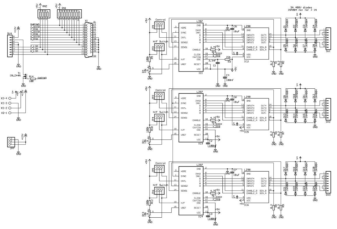
Вопрос пока один, зачем придумывают разные сложные драйверы для управления ШД, если можно использовать специализированные решения, типа L297+L298? Я щас говорю не о мощных шаговиках для промышленных станков, а о хоббийных до 2А (из принтеров, ДШИ-200-1).
Просто у меня есть ДШИ-200-1 и я не знаю что мне делать, найти драйвер уже готовый и спаять, разработать с нуля на avr или использовать L297+L298.
			
		






 
 
