roboforum.ru

Технический форум по робототехнике.


Управление ШД (есть вопросы)

Резисторы, транзисторы, конденсаторы, микросборки, чип компоненты ...
Вопросы согласования управляющих модулей с периферией.

Re: Управление ШД (есть вопросы)

Сообщение avr123.nm.ru » 21 окт 2009, 16:01

Вау !!!!!!
Аватара пользователя
avr123.nm.ru
отсылающий читать курс
 
Сообщения: 14195
Зарегистрирован: 06 ноя 2005, 04:18
Откуда: Москва
Предупреждения: -8

Re: Управление ШД (есть вопросы)

Сообщение Master » 21 окт 2009, 16:20

Так, что даете добро травить? :)
Аватара пользователя
Master
 
Сообщения: 4468
Зарегистрирован: 21 дек 2006, 19:56
Откуда: Украина, г.Одесса
прог. языки: Delphi и С

Re: Управление ШД (есть вопросы)

Сообщение avr123.nm.ru » 21 окт 2009, 16:31

Еще раз проверьте разводку и травите.
Аватара пользователя
avr123.nm.ru
отсылающий читать курс
 
Сообщения: 14195
Зарегистрирован: 06 ноя 2005, 04:18
Откуда: Москва
Предупреждения: -8

Re: Управление ШД (есть вопросы)

Сообщение Master » 22 окт 2009, 13:36

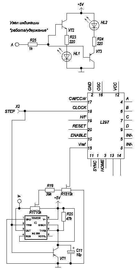
Думаю нужно сделать еще уменьшение тока на удержание. Вот так.
Вложения
.JPG
Аватара пользователя
Master
 
Сообщения: 4468
Зарегистрирован: 21 дек 2006, 19:56
Откуда: Украина, г.Одесса
прог. языки: Delphi и С

Re: Управление ШД (есть вопросы)

Сообщение avr123.nm.ru » 22 окт 2009, 13:54

VT1 не может там работать. Как на схеме нарисовано только полевик может работать.
Аватара пользователя
avr123.nm.ru
отсылающий читать курс
 
Сообщения: 14195
Зарегистрирован: 06 ноя 2005, 04:18
Откуда: Москва
Предупреждения: -8

Re: Управление ШД (есть вопросы)

Сообщение Master » 22 окт 2009, 14:05

Хор меняем на полевик, на какой?

Добавлено спустя 50 секунд:
Да вообще жесть я сразу не посмотрел, даже резистор на базу не поставили.
Аватара пользователя
Master
 
Сообщения: 4468
Зарегистрирован: 21 дек 2006, 19:56
Откуда: Украина, г.Одесса
прог. языки: Delphi и С

Re: Управление ШД (есть вопросы)

Сообщение avr123.nm.ru » 22 окт 2009, 14:18

можно полевик типа 2n7000 7002 или с резистором в базу npn nhfypbcnjh/
Аватара пользователя
avr123.nm.ru
отсылающий читать курс
 
Сообщения: 14195
Зарегистрирован: 06 ноя 2005, 04:18
Откуда: Москва
Предупреждения: -8

Re: Управление ШД (есть вопросы)

Сообщение Master » 22 окт 2009, 14:33

npn, наверное, не пойдет там вроде по низкому уровню на Step идет управление. Всмысле когда на Step низкий уровень больше 0,5 сек, должно переключится в режим удержания. Т.е. уменьшить напряжение на Vref в 2 раза или меньше.
Аватара пользователя
Master
 
Сообщения: 4468
Зарегистрирован: 21 дек 2006, 19:56
Откуда: Украина, г.Одесса
прог. языки: Delphi и С

Re: Управление ШД (есть вопросы)

Сообщение Master » 23 окт 2009, 10:28

Тут вот кстати тоже целую полемику развели на счет этого транзистора.
http://vri-cnc.ru/modules.php?name=Foru ... c&start=90
В сообщении №39 (3-й пост сверху) дается ссылка на радиокот, там действительно PNP и без резистора.
Аватара пользователя
Master
 
Сообщения: 4468
Зарегистрирован: 21 дек 2006, 19:56
Откуда: Украина, г.Одесса
прог. языки: Delphi и С

Re: Управление ШД (есть вопросы)

Сообщение Duhas » 23 окт 2009, 13:16

сморя какой транзюк.. у меня и без резисторов работало )
«Как сердцу выразить себя? … Мысль изреченная есть ложь!»
В этом мире меня подводит доброта и порядочность...
"двое смотрят в лужу, один видит лужу, другой отраженные в ней звезды"
Аватара пользователя
Duhas
 
Сообщения: 6338
Зарегистрирован: 15 сен 2007, 13:03
Откуда: Красноярск
прог. языки: ASM(МК), C(PC)
ФИО: Гагарский Андрей Александрович

Re: Управление ШД (есть вопросы)

Сообщение Master » 23 окт 2009, 14:27

Тогда не знаю, буду пробовать так. Может еще в протеусе потестить?
Вот пока что получилось.

Добавлено спустя 23 минуты 54 секунды:
Что-то протеус не хочет изменять ток в ШД в зависимости от напряжения на Vref :(
Вложения
.JPG
+555.zip
(24.92 КиБ) Скачиваний: 8
Аватара пользователя
Master
 
Сообщения: 4468
Зарегистрирован: 21 дек 2006, 19:56
Откуда: Украина, г.Одесса
прог. языки: Delphi и С

Re: Управление ШД (есть вопросы)

Сообщение Master » 26 окт 2009, 11:06

Ну раз все молчат, то на этой неделе буду травить.
Аватара пользователя
Master
 
Сообщения: 4468
Зарегистрирован: 21 дек 2006, 19:56
Откуда: Украина, г.Одесса
прог. языки: Delphi и С

Пред.

Вернуться в Электроника, электротехника

Кто сейчас на конференции

Сейчас этот форум просматривают: Yandex [Bot] и гости: 6