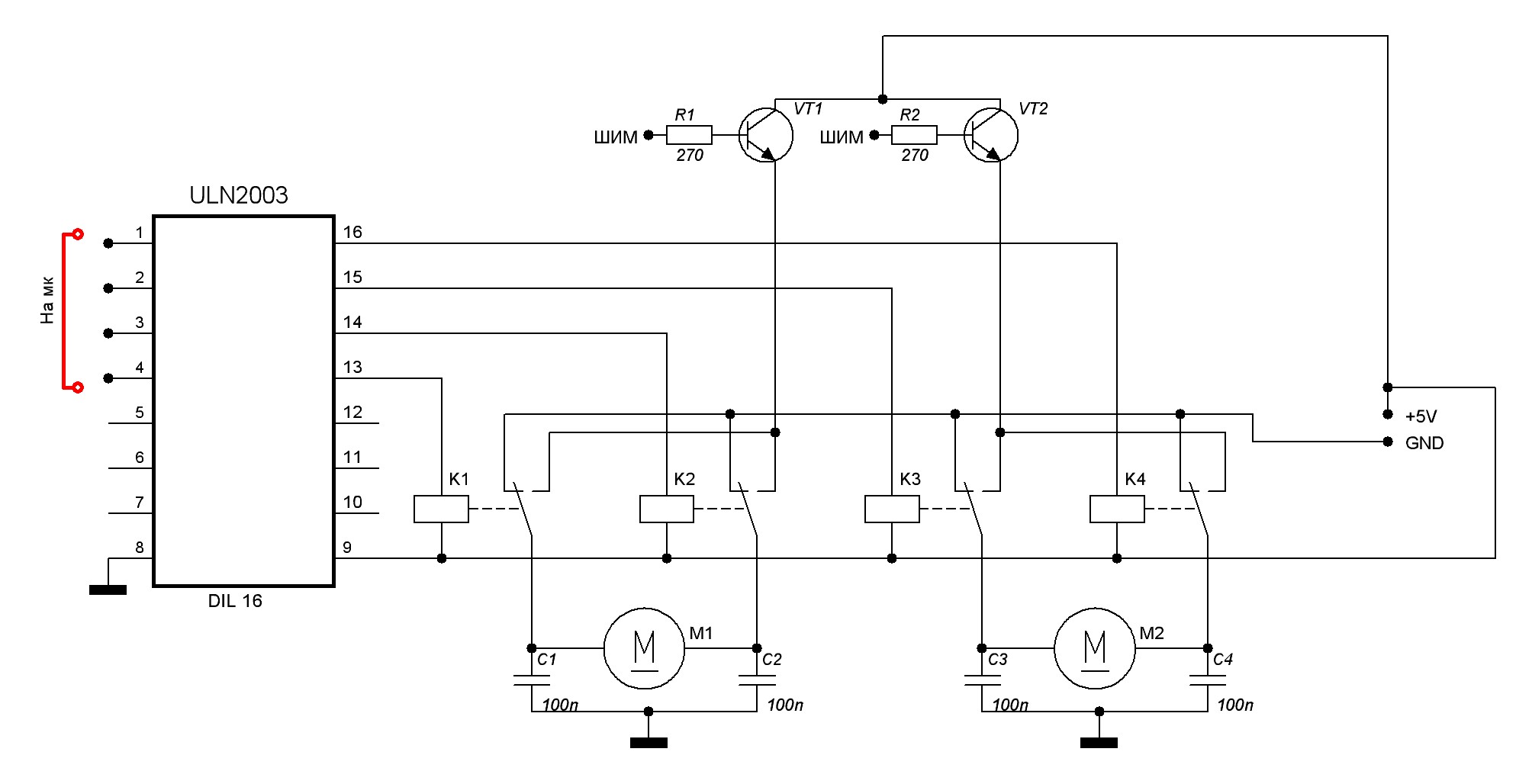
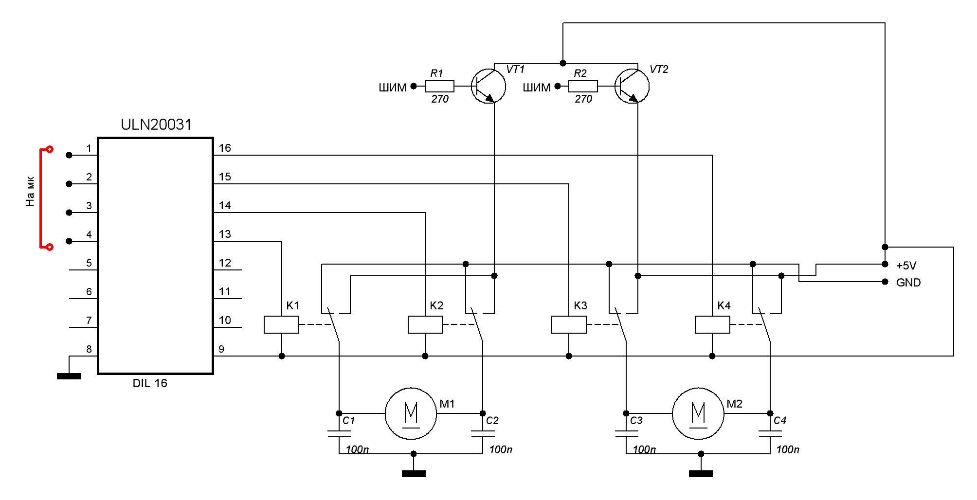
Народ посмотрите . Накидал схему. Интересуют конкретно ключи, которые поставил. Если они будут так стоять, то получится управлять шимом моторов или надо по другому?
И ещу как правильно располагать транзисторные ключи? А то вижу либо эмитар на землю, база через резистор на мк, а коллектор на один из выводов катушки реле(таких вариантов большинство), либо по другому, эмитар на один из выводов катушки, база через резюк к мк и коллектор на +

