|  | roboforum.ruТехнический форум по робототехнике. |  | 




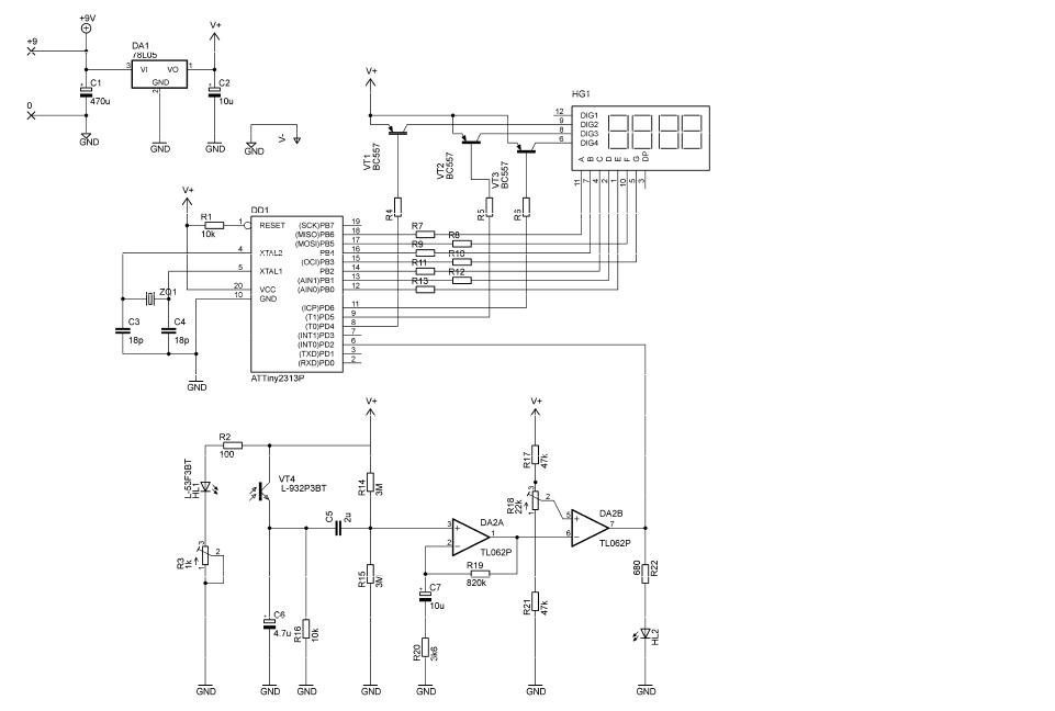
galex1981 писал(а):Сам датчик представляет собой конструкцию типа ик бампера, только используются обычный светодиод для подсветки кожи и вышеуказанная оптопара. Датчик может крепиться на мочку уха или на палец. Далее выход оптопары идет на усилителеподобную схему.



 ... Было бы хорошо если б например спящему челу надеть датчик на палец... но увы это тоже неудобно...
 ... Было бы хорошо если б например спящему челу надеть датчик на палец... но увы это тоже неудобно... Puls2.zip
 Puls2.zip


 
  
  я ж написал выше: от кости; ик свет просвечивает "плоть" на пальце (т.е. его подушечку пронизанную кровеносными сосудами) и отражается от кости опять же через "плоть"; пульсации крови в сосудах меняют интенсивность ИК света... Вот и всё
  я ж написал выше: от кости; ик свет просвечивает "плоть" на пальце (т.е. его подушечку пронизанную кровеносными сосудами) и отражается от кости опять же через "плоть"; пульсации крови в сосудах меняют интенсивность ИК света... Вот и всё 
 
 
 
 
 
  ...
 ...

 тогда можно продолжать:
 тогда можно продолжать: ) подключать к МК.
 ) подключать к МК.


Вернуться в Электроника, электротехника
Сейчас этот форум просматривают: нет зарегистрированных пользователей и гости: 0