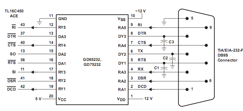
Хочу подключить мк. к com порту, но пока не получается.
- Как подключить Vcc&Vdd от молекса?
- Какие ножки использовать в качестве RX&TX?
- Обязательно подключать  к DE-9 контакты кроме 2,3,5? Если нет то нужны С1,С3 и какие?
- Что еще необходимо в схеме?
			
		


