Я это прекрасно понимаю НО:
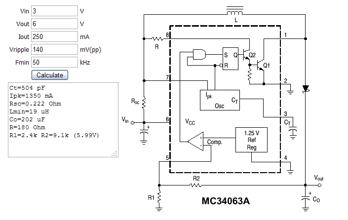
step-up схема из дш (12в - 28в) нормально работает, значит Протеус нормально симулирует работу схемы, и ,значит, именно моя схема собрана неправильно, точнее неправильно рассчитана.
да изменение частоты не дало результатов.
Добавлено спустя 20 минут 4 секунды:Вроде бы удалось победить.

По дш и калькулятору сопративление резистора R = 180 Oм и оно не меняется в зависимости от необходимого преобразования. После уменьшения его номинала в 2 раза схема нормально работает в диапазоне 2.6 - 5 в. что и требовалось. Но это только протеус, надеюсь на практике также будет работать.
Язык Ада - официально был признан министерством обороны США для создания ПО военной техники