 Собираю step up схему на мс 34063 необходимо получать 6в на выходе при напряжении входа 3-4.5 вольта. Но вот проблема при Vвход = 3.5-4.5 все работает нормально, но при 3в не могу получить 6 в на выходе
  Собираю step up схему на мс 34063 необходимо получать 6в на выходе при напряжении входа 3-4.5 вольта. Но вот проблема при Vвход = 3.5-4.5 все работает нормально, но при 3в не могу получить 6 в на выходе  
 По дш мс работает от 3 до 40в, значит из 3 в все-таки можно получить 6в.
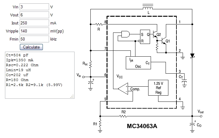
Расчет обвязки делал по дш, сейчас использую вот этот калькулятор http://www.nomad.ee/micros/mc34063a/index.shtml
параметры схемы и сама схема в протеус прилагаются.
Что посоветуете?



 
 


 По дш и калькулятору сопративление резистора R = 180 Oм и оно не меняется в зависимости от необходимого преобразования. После уменьшения его номинала в 2 раза схема нормально работает в диапазоне 2.6 - 5 в. что и требовалось. Но это только протеус, надеюсь на практике также будет работать.
  По дш и калькулятору сопративление резистора R = 180 Oм и оно не меняется в зависимости от необходимого преобразования. После уменьшения его номинала в 2 раза схема нормально работает в диапазоне 2.6 - 5 в. что и требовалось. Но это только протеус, надеюсь на практике также будет работать.