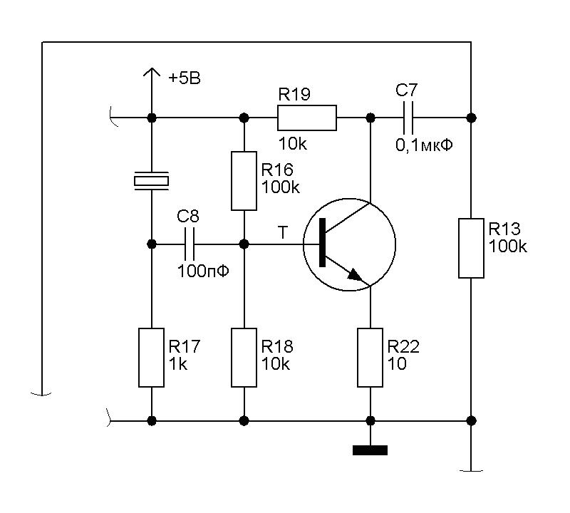
Дальше ИМХО: дроссель надо, в данном случае, с афигенной точностью ПОДБИРАТЬ, по максимуму АМПЛИТУДЫ... но! не рекомендую... всё равно ЛЭ в противофазе - круче, либо двухтакт...

![]() |
roboforum.ruТехнический форум по робототехнике. |
|
|

| Реклама | ||||
|
|
|
|||
) усложнение схемы...| Реклама | ||||
|
|
|
|||


MiBBiM писал(а):вместо этого автор использует вынужденные колебания. зачем - не пойму
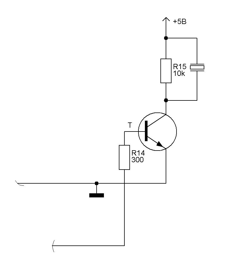
galex1981 писал(а):Я тоже немного понять не могу. По поводу излучателей - они эквивалентны емкости (у меня излучатели 2200 пф)

Вернуться в Электроника, электротехника
Сейчас этот форум просматривают: нет зарегистрированных пользователей и гости: 6