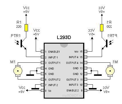
Подумали и нарисовали вот такую схемку.

Но она не работает. При подаче сигнала вращаются задние колеса, а передние никак не реагируют на сигнал.
Уважаемые форумачане, если вам не трудно, подправьте наши ошибки. Не можем понять, где ошиблись.
![]() |
roboforum.ruТехнический форум по робототехнике. |
|
|

| Реклама | ||||
|
|
|
|||
altechnology писал(а): Про потреус не слышали. Были бы очень рады ссылке на него - в интернете не нашли.
| Реклама | ||||
|
|
|
|||
Вроде то, что вам нужно:
Кстати, а сопротивления на землю на всех четырех входах должны быть одинаковыми?
Вернуться в Электроника, электротехника
Сейчас этот форум просматривают: нет зарегистрированных пользователей и гости: 0