Двунаправленный преобразователь уровней

Резисторы, транзисторы, конденсаторы, микросборки, чип компоненты ...
Вопросы согласования управляющих модулей с периферией.

Двунаправленный преобразователь уровней

Сообщение blindman » 16 июл 2008, 17:02

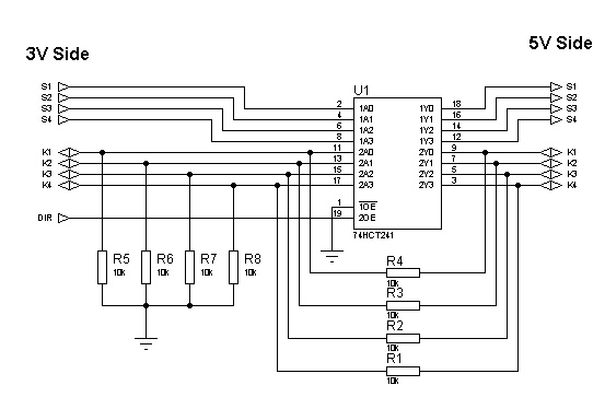
Имеется 4 двунаправленных линий, и 4 однонапраленных. Уровни данных - 5В КМОП. Надо подключить к этим линиям микроконтроллер с диапазоном питания 2.5 - 3.6 В. Хочется сделать с минимальным количеством компонент, и чтоб занимало минимальную площадь. Да и компоненты желательно такие, чтобы везде можно было приобрести. Думаю использовать 74HCT241. Однонаправленные линии просто пропустить через 74HCT241, а к двунаправленным подключить еще и делители. Вот так (на номиналы резисторов не обращать внимания):
shifter.PNG

Линии K1-K4 двунаправленные. Когда надо передавать данные от контроллера, влючаем выходы 74HCT241, и делители не влияют на уровни. Когда надо передавать данные в обратном направлении, отключаем выходы 74HCT241, и уровни на линиях K1-K4 со стороны МК определяются номиналами резисторов делителей. Что думаете?

Есть еще вариант сделать на мосфетах - один мосфет и 2 резистора на каждую линию, но это займет больше места на плате, да и разводить плату будет сложнее.

Какие еще есть варианты?
Проект [[Open Robotics]] - универсальные модули для построения роботов
Модули Open Robotics можно приобрести в магазине shop.roboforum.ru

Day OFF? You must be pulling my leg! Stop making humor before someone sees you, fool!

Аватара пользователя
blindman
 
Сообщения: 4130
Зарегистрирован: 29 апр 2008, 21:15
Откуда: Хабаровск
прог. языки: C,C++,Assembler,PHP,Javascript,Ruby, SPIN,Java(?)
ФИО: Андрей Юрьевич

Re: Двунаправленный преобразователь уровней

Сообщение hudbrog » 16 июл 2008, 17:31

max3378 ???
75rub, двунапрвленый, 1.2 до 5.5В, 4 канала

или и правда на мосфетах..

или куча application note'ов:
http://www.nxp.com/acrobat_download/app ... N97055.pdf
http://www.maxim-ic.com/appnotes.cfm/ap ... umber/3007
и т.п.


Или почитать вот эту ветку форума:
http://forum.sparkfun.com/viewtopic.php?p=16942
У меня в голове опилки и длинные слова меня только огорчают.
Аватара пользователя
hudbrog
 
Сообщения: 1585
Зарегистрирован: 14 май 2008, 15:49
Откуда: Москва
ФИО: Алексей

Re: Двунаправленный преобразователь уровней

Сообщение blindman » 16 июл 2008, 17:45

Все это уже видел. Лучшее решение на мой взгляд MAX33xx. Только вот в Промэлектронике их нет :( А мне так нравится их программка в которой заказ составляется ...
Проект [[Open Robotics]] - универсальные модули для построения роботов
Модули Open Robotics можно приобрести в магазине shop.roboforum.ru

Day OFF? You must be pulling my leg! Stop making humor before someone sees you, fool!

Аватара пользователя
blindman
 
Сообщения: 4130
Зарегистрирован: 29 апр 2008, 21:15
Откуда: Хабаровск
прог. языки: C,C++,Assembler,PHP,Javascript,Ruby, SPIN,Java(?)
ФИО: Андрей Юрьевич

Re: Двунаправленный преобразователь уровней

Сообщение hudbrog » 16 июл 2008, 17:55

В терре максы33хх лежат
У меня в голове опилки и длинные слова меня только огорчают.
Аватара пользователя
hudbrog
 
Сообщения: 1585
Зарегистрирован: 14 май 2008, 15:49
Откуда: Москва
ФИО: Алексей

Re: Двунаправленный преобразователь уровней

Сообщение blindman » 16 июл 2008, 18:22

Да они много где есть.

Кто что имеет сказать по той схеме что я набросал? Она работоспособна? Просто по цене она уж очень привлекательна, в 10 рублей можно уложиться, и места займет ненамного больше. У меня сомнения насчет входных уровней . По идее входы HCT должны быть совместимы с TTL, а значит и с 3V CMOS. Пробую симулировать в протеусе - получается что лог.1 не менее 3.5 вольт - что явно не TTL. Хотя очень вероятно, что протеус лажает.
Проект [[Open Robotics]] - универсальные модули для построения роботов
Модули Open Robotics можно приобрести в магазине shop.roboforum.ru

Day OFF? You must be pulling my leg! Stop making humor before someone sees you, fool!

Аватара пользователя
blindman
 
Сообщения: 4130
Зарегистрирован: 29 апр 2008, 21:15
Откуда: Хабаровск
прог. языки: C,C++,Assembler,PHP,Javascript,Ruby, SPIN,Java(?)
ФИО: Андрей Юрьевич

Re: Двунаправленный преобразователь уровней

Сообщение Виталий » 16 июл 2008, 19:05

Я пробовал с HCT у меня получилось.
Все новости о моих проектах http://savethebest.ru
Аватара пользователя
Виталий
 
Сообщения: 2114
Зарегистрирован: 08 окт 2004, 16:43
Откуда: St. Petersburg
Skype: quark-bot
ФИО: Клебан Виталий

Re: Двунаправленный преобразователь уровней

Сообщение EdGull » 16 июл 2008, 19:15

на сколько я понимаю серия должна быть НС
Аватара пользователя
EdGull
 
Сообщения: 10211
Зарегистрирован: 28 дек 2004, 20:33
Откуда: Тольятти
Skype: Ed_Gull
прог. языки: Bascom AVR Basic
ФИО: Гуль Эдуард Викторович

Re: Двунаправленный преобразователь уровней

Сообщение blindman » 16 июл 2008, 19:48

Скачал филипсовский даташит по семействам HC/HCT

У HC диапазон напряжений питания от 2 до 6В, у HCT - 4.5 - 5.5В

Для HC лог. единица не менее 0.7 Vcc. Для HCT лог. единица не менее 2В. Так что если у меня минимальное питание МК 2.5В, имеем почти полвольта запас на шум.

Буду наверно делать по той схеме что нарисовал.

Добавлено спустя 2 минуты 25 секунд:
В сети немало упоминаний об использовании серии HCT для сдвига уровней. Сейчас под рукой только HC. Завтра куплю HCT, проверю все это.
Проект [[Open Robotics]] - универсальные модули для построения роботов
Модули Open Robotics можно приобрести в магазине shop.roboforum.ru

Day OFF? You must be pulling my leg! Stop making humor before someone sees you, fool!

Аватара пользователя
blindman
 
Сообщения: 4130
Зарегистрирован: 29 апр 2008, 21:15
Откуда: Хабаровск
прог. языки: C,C++,Assembler,PHP,Javascript,Ruby, SPIN,Java(?)
ФИО: Андрей Юрьевич

Re: Двунаправленный преобразователь уровней

Сообщение EdGull » 16 июл 2008, 22:17

а от куда у тебя возмется 2.5В?
Аватара пользователя
EdGull
 
Сообщения: 10211
Зарегистрирован: 28 дек 2004, 20:33
Откуда: Тольятти
Skype: Ed_Gull
прог. языки: Bascom AVR Basic
ФИО: Гуль Эдуард Викторович

Re: Двунаправленный преобразователь уровней

Сообщение blindman » 17 июл 2008, 04:07

А вдруг батарейка сядет? :) Ну ладно, не 2.5 а 2.7.

Добавлено спустя 4 минуты 13 секунд:
А 34063 то меньше 3 вольт не работает :(
Проект [[Open Robotics]] - универсальные модули для построения роботов
Модули Open Robotics можно приобрести в магазине shop.roboforum.ru

Day OFF? You must be pulling my leg! Stop making humor before someone sees you, fool!

Аватара пользователя
blindman
 
Сообщения: 4130
Зарегистрирован: 29 апр 2008, 21:15
Откуда: Хабаровск
прог. языки: C,C++,Assembler,PHP,Javascript,Ruby, SPIN,Java(?)
ФИО: Андрей Юрьевич

Re: Двунаправленный преобразователь уровней

Сообщение EdGull » 17 июл 2008, 08:11

при 3.2В и литиевого акб сработает внутренняя защита от глубоко разряда
так шо не парься :wink:
Аватара пользователя
EdGull
 
Сообщения: 10211
Зарегистрирован: 28 дек 2004, 20:33
Откуда: Тольятти
Skype: Ed_Gull
прог. языки: Bascom AVR Basic
ФИО: Гуль Эдуард Викторович

Re: Двунаправленный преобразователь уровней

Сообщение blindman » 17 июл 2008, 08:32

Все-таки решил питать контроллер от 5В. Согласование уровней для SPI сделаю на мосфетах. Дешево и сердито, места на плате займет ненамного больше, чем интегрированный преобразователь (два корпуса SO14 или один SO20).
Проект [[Open Robotics]] - универсальные модули для построения роботов
Модули Open Robotics можно приобрести в магазине shop.roboforum.ru

Day OFF? You must be pulling my leg! Stop making humor before someone sees you, fool!

Аватара пользователя
blindman
 
Сообщения: 4130
Зарегистрирован: 29 апр 2008, 21:15
Откуда: Хабаровск
прог. языки: C,C++,Assembler,PHP,Javascript,Ruby, SPIN,Java(?)
ФИО: Андрей Юрьевич

Re: Двунаправленный преобразователь уровней

Сообщение EdGull » 17 июл 2008, 08:58

чем будешь поднимать напругу?
Аватара пользователя
EdGull
 
Сообщения: 10211
Зарегистрирован: 28 дек 2004, 20:33
Откуда: Тольятти
Skype: Ed_Gull
прог. языки: Bascom AVR Basic
ФИО: Гуль Эдуард Викторович

Re: Двунаправленный преобразователь уровней

Сообщение blindman » 17 июл 2008, 09:30

34063 или LM2621

Добавлено спустя 2 минуты 12 секунд:
Если кто не понял, речь идет об этом
Проект [[Open Robotics]] - универсальные модули для построения роботов
Модули Open Robotics можно приобрести в магазине shop.roboforum.ru

Day OFF? You must be pulling my leg! Stop making humor before someone sees you, fool!

Аватара пользователя
blindman
 
Сообщения: 4130
Зарегистрирован: 29 апр 2008, 21:15
Откуда: Хабаровск
прог. языки: C,C++,Assembler,PHP,Javascript,Ruby, SPIN,Java(?)
ФИО: Андрей Юрьевич


Вернуться в Электроника, электротехника

Кто сейчас на конференции

Сейчас этот форум просматривают: нет зарегистрированных пользователей и гости: 3