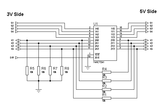
Имеется 4 двунаправленных линий, и 4 однонапраленных. Уровни данных - 5В КМОП. Надо подключить к этим линиям микроконтроллер с диапазоном питания 2.5 - 3.6 В. Хочется сделать с минимальным количеством компонент, и чтоб занимало минимальную площадь. Да и компоненты желательно такие, чтобы везде можно было приобрести.  Думаю использовать 74HCT241. Однонаправленные линии просто пропустить через 74HCT241, а к двунаправленным подключить еще и делители. Вот так (на номиналы резисторов не обращать внимания):
Линии K1-K4 двунаправленные. Когда надо передавать данные от контроллера, влючаем выходы 74HCT241, и делители не влияют на уровни. Когда надо передавать данные в обратном направлении, отключаем выходы 74HCT241, и уровни на линиях K1-K4 со стороны МК определяются номиналами резисторов делителей. Что думаете? 
Есть еще вариант сделать на мосфетах - один мосфет и 2 резистора на каждую линию, но это займет больше места на плате, да и разводить плату будет сложнее.
Какие еще есть варианты?
			
		



 А мне так нравится их программка в которой заказ составляется ...
  А мне так нравится их программка в которой заказ составляется ...

 Ну ладно, не 2.5 а 2.7.
  Ну ладно, не 2.5 а 2.7.