viewtopic.php?f=11&t=1963&start=150
Как работают транзисторы
viewtopic.php?f=11&t=3323
Схему маломощного н-моста ПРОВЕРЕНАЯ ПРАКТИКОЙ !
Нмост на мосфетиках маленьких в SOT23 (аналогичный схеме - openservo.org ) - "The motor is controlled with a FET H-bridge. The used FETs (IRLML 6401/2502) are perfectly suited for this application (low RDSon, ~ 4A, small SOT23)."
=================
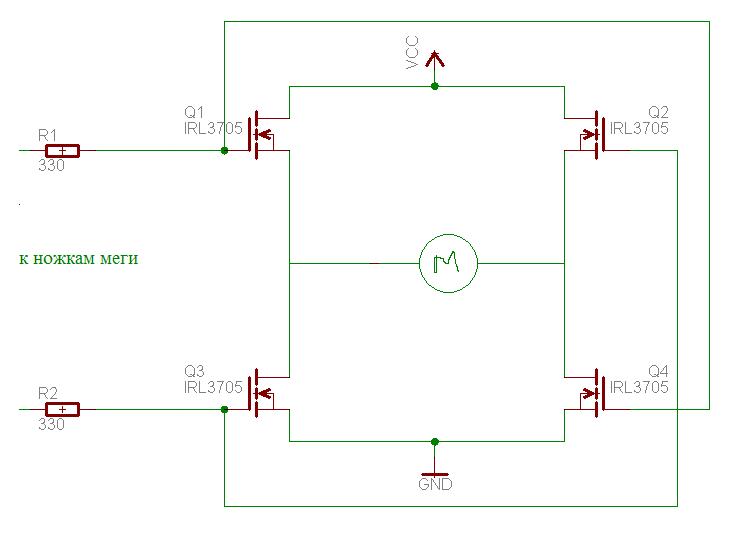
Требуется помощь в составлении схемы Н-моста и выбором номиналов деталей. Чтобы пойти в магазин и купить. Интересуют только проверенные схемы.
Особое внимание порошу уделить распространенности элементов и их относительной дешевизны.
Я так понял, что проще всего будет на полевиках????
Мне нужна самая простая схема - лишь бы рулила.
Задача: имеется мотор и акб на 6 вольт, ток около 1А, руление буду осуществлять от МК М16.
Добавлено спустя 33 минуты 5 секунд:
Я скопировал Н-мост из китайской игрушки. тот мост меня абсолютно устраивает - хороший качественный. Я решил его скопировать. Ну китайцы же так вообще везде и всегда поступают - тупое копирование
. начертил схемку (выкладываю) переписал все номиналы транзисторов - думаю щас печатку сделаю, в магазине транзисторы подходящие куплю...... АГА......в магазине таких не знают.... В нете тоже ничего про них нет.... Может кто именно в радиодеталях шарит мне объяснит, что это за детали такие и может быть на что их можно заменить?силовые:
первая строка - написано: STD
вторая строка - написано: 882
третья строка - написано: H5
Что это за зверь такой китайский?????? мне в магазине сказали, что у них есть 25 Д882 - за 7 руб. но они не знают- аналог ли это... внешне по габаритам они похожи, но кутайские из себя представляют просто пластмассовый прямоугольник, а то, что мне предложили - то же самое, но с дыркой по середине и кусочком алюминия в центре.
2 силовой:
силовые:
первая строка - написано: STD
вторая строка - написано: 772
третья строка - написано: E1
мне в магазине сказали, что у них есть 25 В772 - за 7 руб. но они не знают- аналог ли это...
дале...
на схеме присутсвуют транзисторы
H 945 P - первая строка
7f2 - вторая строка - вообще не понятно везде эта строка везде разная у всех тр-в.
в магазине предложили 2sc945 1.5 руб.
