roboforum.ru

Технический форум по робототехнике.


Посоветуйте драйвер двигателя в SOIC корпусе

Резисторы, транзисторы, конденсаторы, микросборки, чип компоненты ...
Вопросы согласования управляющих модулей с периферией.

Посоветуйте драйвер двигателя в SOIC корпусе

Сообщение Digit » 07 мар 2005, 01:45

Какой бы найти? Нужен драйвер для DC движков на 1А в каком-нибудь маленьком корпусе, а то все везде DIP...  :?
Может кто встречал сабж?
Аватара пользователя
Digit
 
Сообщения: 3339
Зарегистрирован: 27 ноя 2004, 00:42
Откуда: совсем Москва
ФИО: Григорий

Сообщение aliens » 07 мар 2005, 05:31

Так вроде L293D есть в SOIC корпусе. 2А на канал.
aliens
 
Сообщения: 171
Зарегистрирован: 26 окт 2004, 14:16
Откуда: Севастополь сити...

Сообщение RoboAlex » 08 мар 2005, 01:39

Посмотрите LB1638, держит до 1A.
Аватара пользователя
RoboAlex
 
Сообщения: 16
Зарегистрирован: 08 мар 2005, 01:32
Откуда: Москва

Сообщение Tracer » 09 мар 2005, 17:10

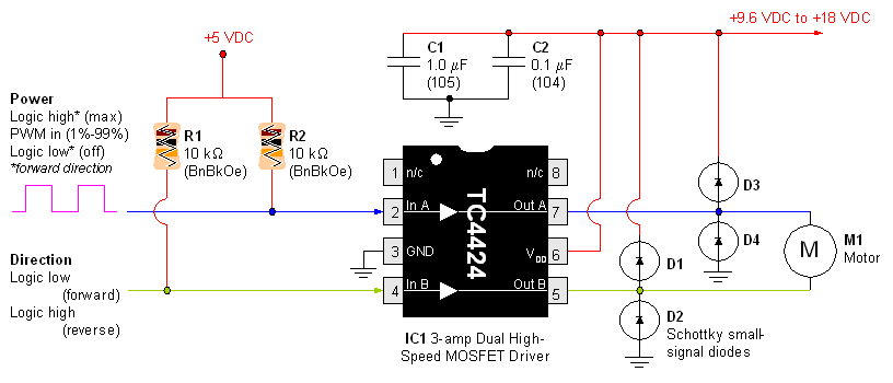
MAX4427 1.5A, 4.5 - 18V или TC4424  но он слабее  - 0.5А
Вложения
HBridgeSchematic.gif
Аватара пользователя
Tracer
 
Сообщения: 195
Зарегистрирован: 24 ноя 2004, 12:36
Откуда: Харьков

Сообщение Digit » 10 мар 2005, 00:12

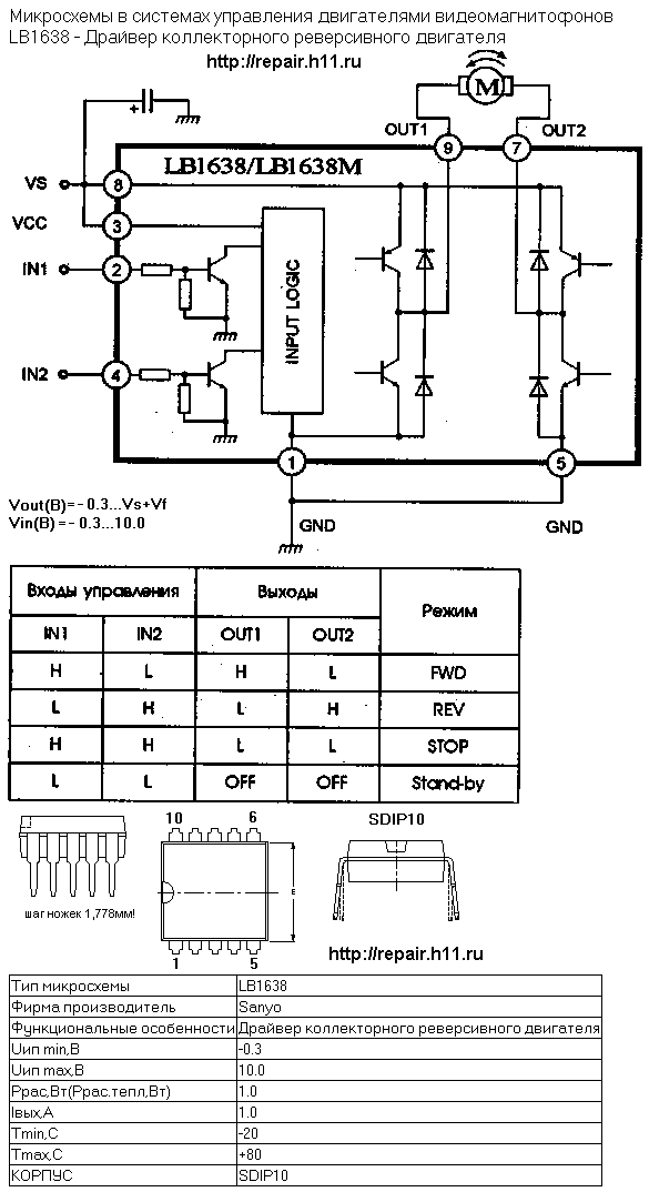
По LB1638 нашел только такую вот картинку... :(
У кого-нить на нее даташит есть?
(А L293D не хочется, т.к. дорого и прожорливо... :) а вообще, я теряюсь - слишком всего много кругом!  :? )
Вложения
LB1638.gif
Аватара пользователя
Digit
 
Сообщения: 3339
Зарегистрирован: 27 ноя 2004, 00:42
Откуда: совсем Москва
ФИО: Григорий

Сообщение setar » 10 мар 2005, 11:49

Digit писал(а):По LB1638 нашел только такую вот картинку... :(
У кого-нить на нее даташит есть?

Дабы таких вопросов не возникало впредь, рекомендую в избранные занести сайт http://www.datasheetarchive.com/
здесь есть почти всё, очень много инфы, и поиск грамотный.
Аватара пользователя
setar
Site Admin
 
Сообщения: 10991
Зарегистрирован: 04 окт 2004, 12:58
Откуда: St.Petersburg
Skype: taranenko.sergey
ФИО: Сергей Тараненко

Сообщение RoboAlex » 11 мар 2005, 10:40

Digit писал(а):По LB1638 нашел только такую вот картинку... :(
У кого-нить на нее даташит есть?
(А L293D не хочется, т.к. дорого и прожорливо... :) а вообще, я теряюсь - слишком всего много кругом!  :? )


В прилагаемом файле
Вложения
lb1638.pdf
(57 КиБ) Скачиваний: 177
Аватара пользователя
RoboAlex
 
Сообщения: 16
Зарегистрирован: 08 мар 2005, 01:32
Откуда: Москва

Сообщение Digit » 12 мар 2005, 01:15

RoboAlex, спасибо! Я уже нашел по ссылке Сетара...

2 ALL
Интересно ваше мнение по поводу "4-channel H-bridge type BTL driver for CD players" aka BA6299FP. Есть и другие драйверы такого класса. Они, если я правильно понял, могут управлять четырьмя движками. А по цене дешевле выходит, чем четыре отдельных драйвера покупать... Для разного рода шагоходов самое то!
Или я чего недопонял?
Аватара пользователя
Digit
 
Сообщения: 3339
Зарегистрирован: 27 ноя 2004, 00:42
Откуда: совсем Москва
ФИО: Григорий

Сообщение Arsen » 21 мар 2005, 10:13

Digit писал(а):Интересно ваше мнение по поводу "4-channel H-bridge type BTL driver for CD players" aka BA6299FP. Есть и другие драйверы такого класса. Они, если я правильно понял, могут управлять четырьмя движками. А по цене дешевле выходит, чем четыре отдельных драйвера покупать... Для разного рода шагоходов самое то!
Или я чего недопонял?


Четыре Н-моста - это четыре коллекторных двигателя или четыре обмотки шагового двигателя. Если ШД двухобмоточный, на одну BA6299FP получается два таких двигателя. Если 4-олбмоточный - тогда один ШД.
Железный Феликс: http://ironfelix.ru
Arsen
 
Сообщения: 110
Зарегистрирован: 11 окт 2004, 20:41
Откуда: Березники

Сообщение Andrew313 » 29 мар 2005, 01:38

Четыре Н-моста - это четыре коллекторных двигателя или четыре обмотки шагового двигателя. Если ШД двухобмоточный, на одну BA6299FP получается два таких двигателя. Если 4-олбмоточный - тогда один ШД.[/quote]

Однако, если не использовать средние выводы обмоток, то из 4-х обмоточного шаговика получается обычный биполярный. Так что или 4 DC мотора,
или два шаговика  8) .

Андрей
Рожденный летать ползать не может...
Аватара пользователя
Andrew313
 
Сообщения: 54
Зарегистрирован: 10 фев 2005, 19:53
Откуда: Питер


Вернуться в Электроника, электротехника

Кто сейчас на конференции

Сейчас этот форум просматривают: нет зарегистрированных пользователей и гости: 0

cron