Резисторы, транзисторы, конденсаторы, микросборки, чип компоненты ...
Вопросы согласования управляющих модулей с периферией.
avr123.nm.ru » 03 апр 2007, 15:59
Супервизор. Их масса есть. platan.ru efind.ru
-

avr123.nm.ru
- отсылающий читать курс
-
- Сообщения: 14195
- Зарегистрирован: 06 ноя 2005, 04:18
- Откуда: Москва
-
Валерос » 03 апр 2007, 18:26
Конкретный вопрос - конкретный ответ!
Может тут транзистора хватит?

-

Валерос
-
- Сообщения: 364
- Зарегистрирован: 30 сен 2006, 19:05
- Откуда: Санкт-Петербург
Chooze » 05 апр 2007, 09:32
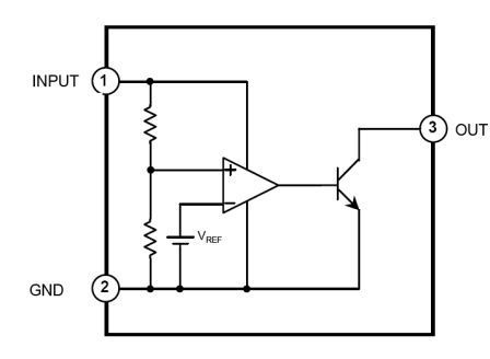
поставь DS1233-10 тогда резюки и всякая байда не нужна будет!
- Вложения
-
ds1233.pdf
- (48.22 КиБ) Скачиваний: 82
-
Chooze
-
- Сообщения: 79
- Зарегистрирован: 03 фев 2007, 20:24
- Откуда: Омск
-
Валерос » 05 апр 2007, 15:07
Сенкс, нашел такую деталюху и есть где купить, но по ходу МК сдох.

-

Валерос
-
- Сообщения: 364
- Зарегистрирован: 30 сен 2006, 19:05
- Откуда: Санкт-Петербург
maktep » 12 апр 2007, 00:12
Валерос, выпаяй ее нахрен. Будет работать и без неё всё.
-

maktep
- Правохранитель
-
- Сообщения: 197
- Зарегистрирован: 23 фев 2007, 02:23
- Откуда: Зеленоград
-
Вернуться в Электроника, электротехника
Кто сейчас на конференции
Сейчас этот форум просматривают: нет зарегистрированных пользователей и гости: 5