avr123.nm.ru писал(а):12 вольт нормально.
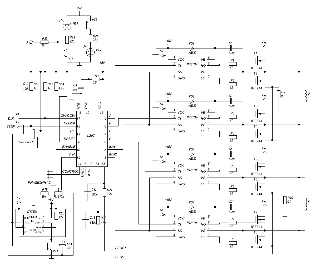
Я вот такую схему рекомендую для ШИМ до 3 Кгц и тока до 5 ампер (при коррекции выбора диодов) , при питании от 10 до 40 вольт примерно. Надеюсь она будет работать нормально.
В протеусе отлично работает) только ШИМ не проверил.
