roboforum.ru

Технический форум по робототехнике.


H-мост (H-bridge) и все о нем

Резисторы, транзисторы, конденсаторы, микросборки, чип компоненты ...
Вопросы согласования управляющих модулей с периферией.

Сообщение avr123.nm.ru » 25 янв 2007, 16:33

Вот драйвер моторов на ATmega16 и двух бесплатно раздаваемых st.com Н-мостах  VNH2SP30-E

http://forum.roboclub.ru/IPBoard/index. ... ic=899&hl=

схема и плата.
Аватара пользователя
avr123.nm.ru
отсылающий читать курс
 
Сообщения: 14195
Зарегистрирован: 06 ноя 2005, 04:18
Откуда: Москва
Предупреждения: -8

Сообщение avr123.nm.ru » 03 мар 2007, 15:42

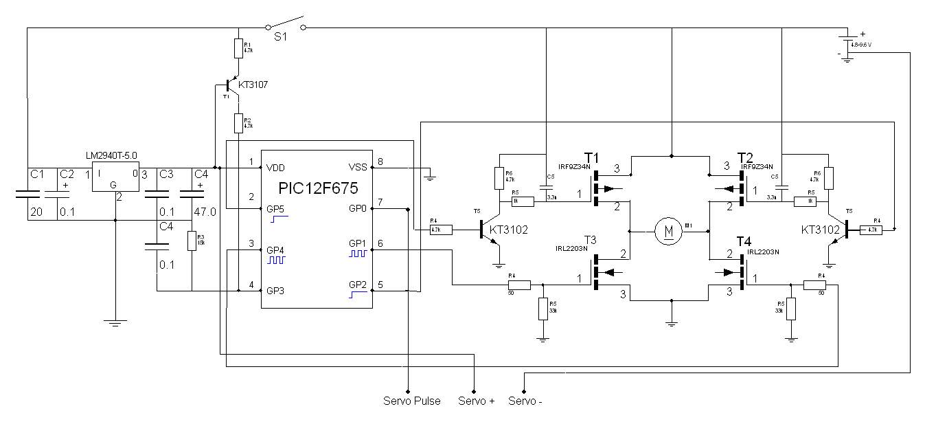
Регулятор скорости модельного двигателя с реверсом Н-мост pic12f675
http://www.rcdesign.ru/articles/electronics/esc_rev
Схема и прошивка имеются.
Аватара пользователя
avr123.nm.ru
отсылающий читать курс
 
Сообщения: 14195
Зарегистрирован: 06 ноя 2005, 04:18
Откуда: Москва
Предупреждения: -8

Сообщение dima » 05 мар 2007, 01:08

avr123.nm.ru писал(а):Регулятор скорости модельного двигателя с реверсом Н-мост pic12f675
http://www.rcdesign.ru/articles/electronics/esc_rev
Схема и прошивка имеются.

Схема не рабочая, и это обсуждалось там же на форуме. Не пудрите народу мозги, если не пробовали. В моем проекте используется аналогичная схема, только переделанная. В оригинале - очень сильно греются верхние мосфеты. Какие только не подбирал и не менял... у меня есть переделанная схема и прошивка с иностранного сайта. Если все собрано правильно - запускается сразу и подбора номиналов не требует. Работает плавно и автоматом понимает средние ручки передатчика. Кому интересно - http://www.roboforum.ru/viewtopic.htm?p=25186#25186 ездит и шевелит рукой на таких регуляторах (вся ветка о проекте). Так, что если нужно, могу выложить и схему и прошивку.
dima
 
Сообщения: 215
Зарегистрирован: 21 ноя 2006, 17:55
Откуда: Ukraine Lugansk

Сообщение avr123.nm.ru » 05 мар 2007, 05:49

dima писал(а):В моем проекте используется аналогичная схема, только переделанная. В оригинале - очень сильно греются верхние мосфеты.


Как вы управляли этим мостом ?
Аватара пользователя
avr123.nm.ru
отсылающий читать курс
 
Сообщения: 14195
Зарегистрирован: 06 ноя 2005, 04:18
Откуда: Москва
Предупреждения: -8

Сообщение dima » 05 мар 2007, 11:20

В оригинале - стоит PIC16F675+галимая прошивка... в моей схеме мост управляется PIC16F629 + прошивка с какого то забугорного сайта. А он в свою очередь получает сигнал с приемника РУ. И мосфеты работают практически любые и не греются. Пробовал мотор с планера (шестисотый) - 15 ампер кушает и мосфеты горячие (парные) но тянет прекрасно (без радиаторов).
dima
 
Сообщения: 215
Зарегистрирован: 21 ноя 2006, 17:55
Откуда: Ukraine Lugansk

Сообщение avr123.nm.ru » 05 мар 2007, 12:49

Вы сказали что ЭТОТ мост ПЛОХОЙ.

Вот я спрашиваю - как вы управляли транзисторами ЭТОГО моста ?
Аватара пользователя
avr123.nm.ru
отсылающий читать курс
 
Сообщения: 14195
Зарегистрирован: 06 ноя 2005, 04:18
Откуда: Москва
Предупреждения: -8

Сообщение avr123.nm.ru » 05 мар 2007, 12:50

dima писал(а): в моей схеме мост управляется PIC16F629 + прошивка с какого то забугорного сайта. А он в свою очередь получает сигнал с приемника РУ.


и ГДЕ это ???
Аватара пользователя
avr123.nm.ru
отсылающий читать курс
 
Сообщения: 14195
Зарегистрирован: 06 ноя 2005, 04:18
Откуда: Москва
Предупреждения: -8

Сообщение dima » 05 мар 2007, 12:54

Вот...
Вложения
001.GIF
dima
 
Сообщения: 215
Зарегистрирован: 21 ноя 2006, 17:55
Откуда: Ukraine Lugansk

Сообщение avr123.nm.ru » 05 мар 2007, 13:26

А в том который грелся вы как управляли транзисторами ?
Аватара пользователя
avr123.nm.ru
отсылающий читать курс
 
Сообщения: 14195
Зарегистрирован: 06 ноя 2005, 04:18
Откуда: Москва
Предупреждения: -8

Сообщение dima » 05 мар 2007, 14:46

Мост такой же, само подключение к МК и прошивка другие. Опять же, я не говорю конкретно о включении самих мосфетов, а  полностью о схеме (Вы дали ссылку на схему). Вот эта схема - не рабочая. А та, которую я дал выше - рабочая и достачно надежна.
Вложения
esc_rev_sch.jpg
dima
 
Сообщения: 215
Зарегистрирован: 21 ноя 2006, 17:55
Откуда: Ukraine Lugansk

Сообщение Myp » 05 мар 2007, 15:04

дык мосфиты то одинакого цепляюцца
разве что с резюками разница небольшая но это походу под данную прошивку сделано

это в прошивке разве что могут быть какието неприятности
Аватара пользователя
Myp
скрытый хозяин вселенной :)
 
Сообщения: 18018
Зарегистрирован: 18 сен 2006, 12:26
Откуда: Тверь по прозвищу Дверь
прог. языки: псевдокод =) сила в алгоритме!
ФИО: глубокоуважаемый Фёдор Анатольевич

Сообщение avr123.nm.ru » 05 мар 2007, 15:14

dima писал(а):Мост такой же, само подключение к МК и прошивка другие. Опять же, я не говорю конкретно о включении самих мосфетов, а  полностью о схеме (Вы дали ссылку на схему). Вот эта схема - не рабочая.


Проблема в том что вы не понимаете как должен работать ИМЕННО ЭТОТ мост !

В нем верхние мосфеты практически не греются так как ШИМ на них не подается.  Они переключаются изредка при смене направления тока, при этом нижние мосфеты выключены.

Т.е. верхние переключаются медленно и без протекания тока.

ПОЭТОМУ их затворами управляет такая слабая цепь.

А ШИМ регулирования осуществляется нижними мосфетами - они в основном и греются - надеюсь в допустимых пределах.

=======

Вы не понимая работы схемы начали ее хаить.

И еще мне претензии предъявлять что я пудрю мозги !

Хотя если прочитаете мое сообщение ВНИМАТЕЛЬНО то увидите - оно чисто информационное и ни каких оценок - хорошая ли, рабочая ли, проверяенная ли схема  -  Я НЕ ДАВАЛ !!!

т.е. ни кого не вводил в заблуждение.
Аватара пользователя
avr123.nm.ru
отсылающий читать курс
 
Сообщения: 14195
Зарегистрирован: 06 ноя 2005, 04:18
Откуда: Москва
Предупреждения: -8

Сообщение dima » 05 мар 2007, 16:36

Я понимаю одно - если давать информацию - она должна быть проверена. А просто кидаться ссылками и я могу, благо инет большой... Понимаю или нет как работает мост - не вам судить, мы это не обсуждали. Греются мосфеты именно верхние. И проблема скорее всего действительно в прошивке. Хотя подключив только мост (без МК) и попробовав поуправлять им обычным переключателем получается таже картина - пока крутим в одну сторону - мосфеты холодные, но стоит переключить пару раз направление вращения мотора - сразу мосфеты кипят. Видимо скорость переключения должна быть не большой ( смена направления) т.е. програмно должна быть сделана пауза, для того, чтобы внутренняя емкость мосфета и емкость которая подключена внешне, успели разрядится. Что и сделано во второй прошивке+плавный но быстрый разгон (калеса пробуксовать не получится).
dima
 
Сообщения: 215
Зарегистрирован: 21 ноя 2006, 17:55
Откуда: Ukraine Lugansk

Сообщение Валерос » 05 мар 2007, 17:39

Дмитрий из Луганска, вы както воинственно настроены, не звездная ли у Вас болезнь?
Может прогаммульку надо было дописать под Ваши нужды? 8)
Аватара пользователя
Валерос
 
Сообщения: 364
Зарегистрирован: 30 сен 2006, 19:05
Откуда: Санкт-Петербург

Сообщение avr123.nm.ru » 05 мар 2007, 17:44

dima писал(а):Я понимаю одно - если давать информацию - она должна быть проверена.


А что в моем сообщении не соответствует действительности ???

dima писал(а):Греются мосфеты именно верхние. И проблема скорее всего действительно в прошивке.


Дак зачем вы врали тогда :

dima писал(а): Схема не рабочая


далее...

dima писал(а): програмно должна быть сделана пауза, для того, чтобы внутренняя емкость мосфета и емкость которая подключена внешне, успели разрядится.

Что и сделано во второй прошивке+плавный но быстрый разгон (калеса пробуксовать не получится).


и главное чтоб нижние мосфеты были выключены при переключении верхних.

тогда верхние просто не могут грется выше нормы - так как при их коммутации ток через них не протекает.

Вы можете посчитать или в симуляторе попробоать что время переключения верхник мосфетов не очень большое. В полне приемлимое даже для 100 переключений направления в секунду - что вполне достаточно для модельного мотора.
Аватара пользователя
avr123.nm.ru
отсылающий читать курс
 
Сообщения: 14195
Зарегистрирован: 06 ноя 2005, 04:18
Откуда: Москва
Предупреждения: -8

Пред.След.

Вернуться в Электроника, электротехника

Кто сейчас на конференции

Сейчас этот форум просматривают: нет зарегистрированных пользователей и гости: 0

cron