Резисторы, транзисторы, конденсаторы, микросборки, чип компоненты ... Вопросы согласования управляющих модулей с периферией.
	
		 
		
			
			
			  avr123.nm.ru   » 04 авг 2009, 23:31 
			
			Если шимят всем мостом постоянно - т.е. 50 % ШИМ это мотор стоит на месте то при малой частоте ШИМ ток через стоячий мотор слишком большой будет. Если ШИМ одной диагональю моста то низкая частота может давать звук и кроме того большие пульсации тока.
			
		 
		
			
			
				 
				avr123.nm.ru 
			 
			отсылающий читать курс 
		  
		Сообщения:  14195Зарегистрирован:  06 ноя 2005, 04:18Откуда:  МоскваПредупреждения:  -8 
			
				 
			 
		
		 
	
		
		 
	 
	 
	
		 
		
			
			
			  Ito   » 05 авг 2009, 00:38 
			
			Поигрался с низкой частотой, действительно противный писк. А нет ли скоростных оптопар в шестипиновых корпусах? А может ну их эти оптопары из нижних плеч, если туда вместо них поставить каскад с ОЭ?
			
		 
		
			
			
				Ito 
			 
			
		  
		Сообщения:  157Зарегистрирован:  26 июн 2009, 14:15Откуда:  Минск 
			прог. языки:  C++, Assembler 
		
		 
	
		
		 
	 
	 
	
		 
		
			
			
			  avr123.nm.ru   » 05 авг 2009, 01:08 
			
			В низу они нафиг не нужны да и вверху тоже в таких низковольтных приложениях.
			
		 
		
			
			
				 
				avr123.nm.ru 
			 
			отсылающий читать курс 
		  
		Сообщения:  14195Зарегистрирован:  06 ноя 2005, 04:18Откуда:  МоскваПредупреждения:  -8 
			
				 
			 
		
		 
	
		
		 
	 
	 
	
		 
		
			
			
			  Master   » 05 авг 2009, 09:31 
			
			Поигрался с низкой частотой, действительно противный писк.
Противный писк    сразу видно что вы не стояли возле индукционной печи с частотой работы 1кГц и мощностью 600 Вт. Вот там действительно противный писк.  
			
		 
		
			
			
				 
				Master 
			 
			
		  
		Сообщения:  4468Зарегистрирован:  21 дек 2006, 19:56Откуда:  Украина, г.Одесса 
			прог. языки:  Delphi и С 
		
			
				 
			 
		
		 
	
		
		 
	 
	 
	
		 
		
			
			
			  Ito   » 05 авг 2009, 11:24 
			
			Ну в верху оптопары это всётаки самый простой способ перейти от микроконтроллера к 24 вольтам.
Значит внизу меняем на каскад с ОЭ. bc546 сюда подойдёт?
Master, как хорошо, что я робота мощностью 600Вт не делаю   
			
		 
		
			
			
				Ito 
			 
			
		  
		Сообщения:  157Зарегистрирован:  26 июн 2009, 14:15Откуда:  Минск 
			прог. языки:  C++, Assembler 
		
		 
	
		
		 
	 
	 
	
		 
		
			
			
			  Duhas   » 05 авг 2009, 11:50 
			
			должен сойти )а я делаю ))) 
			«Как сердцу выразить себя? … Мысль изреченная есть ложь!» В этом мире меня подводит доброта и порядочность... "двое смотрят в лужу, один видит лужу, другой отраженные в ней звезды"
 
		 
		
			
			
				 
				Duhas 
			 
			
		  
		Сообщения:  6338Зарегистрирован:  15 сен 2007, 13:03Откуда:  Красноярск 
			прог. языки:  ASM(МК), C(PC) 
		
			ФИО:  Гагарский Андрей Александрович 
		
			
				 
			 
		
		 
	
		
		 
	 
	 
	
		 
		
			
			
			  avr123.nm.ru   » 05 авг 2009, 12:15 
			
			Ito писал(а): Ну в верху оптопары это всётаки самый простой способ перейти от микроконтроллера к 24 вольтам. Значит внизу меняем на каскад с ОЭ. 
каскад ОЭ - это и есть самый простой ИМХО - он значительно проще оптопар и БЫСТРЕЙ многократно.
 
			
		 
		
			
			
				 
				avr123.nm.ru 
			 
			отсылающий читать курс 
		  
		Сообщения:  14195Зарегистрирован:  06 ноя 2005, 04:18Откуда:  МоскваПредупреждения:  -8 
			
				 
			 
		
		 
	
		
		 
	 
	 
	
		 
		
			
			
			  Ito   » 05 авг 2009, 15:42 
			
			Что-то я запутался заменил оптопару на bc546(в коллекторе 1к, в цепи базы ставил 20к, 10к, 4,7к разницы не заметил) и пошли траблы. При шиме 90% на моторе падает только 5 вольт из 20ци. При чём при шиме 100% на моторе падает всё напряжение питания. Т.е. коммутация вроде работает, но как-то странно. В чём у меня может быть проблема?
			
		 
		
			
			
				Ito 
			 
			
		  
		Сообщения:  157Зарегистрирован:  26 июн 2009, 14:15Откуда:  Минск 
			прог. языки:  C++, Assembler 
		
		 
	
		
		 
	 
	 
	
		 
		
			
			
			  Master   » 05 авг 2009, 16:56 
			
			Duhas писал(а): должен сойти )а я делаю ))) 
Может создашь отдельную тему похвастаешься нароботками? Я тоже полгода занимался индукционным нагревом, даже есть действующий макет, разогревал болт М10 до красного свечения.
 
			
		 
		
			
			
				 
				Master 
			 
			
		  
		Сообщения:  4468Зарегистрирован:  21 дек 2006, 19:56Откуда:  Украина, г.Одесса 
			прог. языки:  Delphi и С 
		
			
				 
			 
		
		 
	
		
		 
	 
	 
	
		 
		
			
			
			  avr123.nm.ru   » 05 авг 2009, 17:14 
			
			Ito писал(а): В чём у меня может быть проблема?
Схему покажи.
 
			
		 
		
			
			
				 
				avr123.nm.ru 
			 
			отсылающий читать курс 
		  
		Сообщения:  14195Зарегистрирован:  06 ноя 2005, 04:18Откуда:  МоскваПредупреждения:  -8 
			
				 
			 
		
		 
	
		
		 
	 
	 
	
		 
		
			
			
			  Duhas   » 05 авг 2009, 17:34 
			
			Master писал(а): Duhas писал(а): должен сойти )а я делаю ))) 
Может создашь отдельную тему похвастаешься нароботками? 
я про Н мосты ))) тележка общей мощей 500Вт в номинале ) правда пока не вышла на нее ибо с акумов 24В а надо порядка 50 для того чтоб в форсаж мона было уходить...
 
			«Как сердцу выразить себя? … Мысль изреченная есть ложь!» В этом мире меня подводит доброта и порядочность... "двое смотрят в лужу, один видит лужу, другой отраженные в ней звезды"
 
		 
		
			
			
				 
				Duhas 
			 
			
		  
		Сообщения:  6338Зарегистрирован:  15 сен 2007, 13:03Откуда:  Красноярск 
			прог. языки:  ASM(МК), C(PC) 
		
			ФИО:  Гагарский Андрей Александрович 
		
			
				 
			 
		
		 
	
		
		 
	 
	 
	
		 
		
			
			
			  Ito   » 05 авг 2009, 17:37 
			
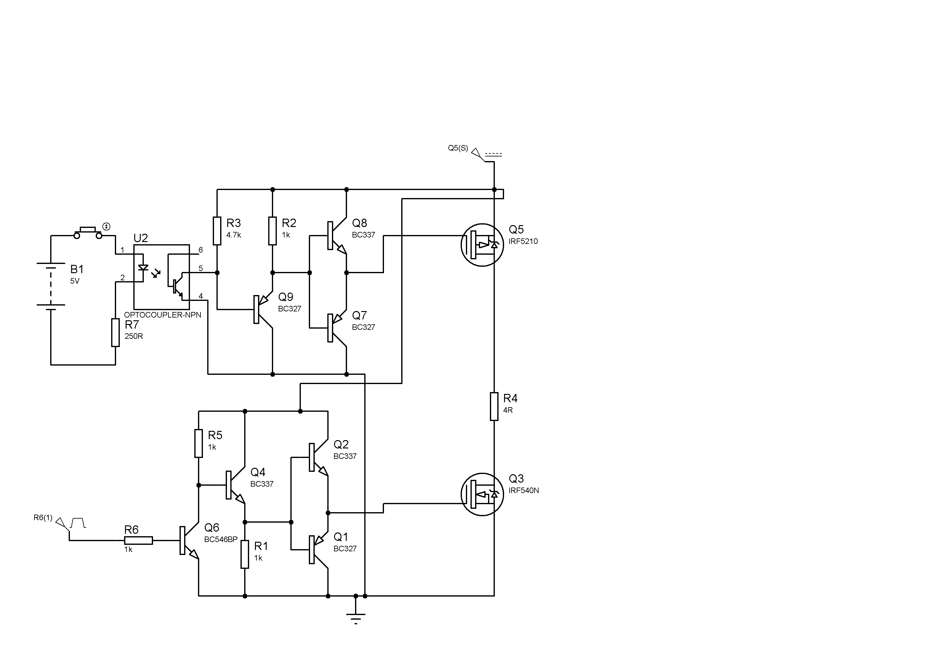
			Сейчас это выглядит так:
			
				
					Вложения 
					
						
		
			 
			
		 
		 
					
				 
			
		 
		
			
			
				Ito 
			 
			
		  
		Сообщения:  157Зарегистрирован:  26 июн 2009, 14:15Откуда:  Минск 
			прог. языки:  C++, Assembler 
		
		 
	
		
		 
	 
	 
	
		 
		
			
			
			  Duhas   » 05 авг 2009, 17:47 
			
			крайне плохо выглядит.. "земля" верхнего повторителя должна бы быть на истоке верхнего ключа )
			«Как сердцу выразить себя? … Мысль изреченная есть ложь!» В этом мире меня подводит доброта и порядочность... "двое смотрят в лужу, один видит лужу, другой отраженные в ней звезды"
 
		 
		
			
			
				 
				Duhas 
			 
			
		  
		Сообщения:  6338Зарегистрирован:  15 сен 2007, 13:03Откуда:  Красноярск 
			прог. языки:  ASM(МК), C(PC) 
		
			ФИО:  Гагарский Андрей Александрович 
		
			
				 
			 
		
		 
	
		
		 
	 
	 
	
		 
		
			
			
			  avr123.nm.ru   » 05 авг 2009, 17:59 
			
			Рисуйте схемы в НОРМАЛЬНОМ масштабе !  Видно же что и в топике можно нормально увидеть. Вот вам редактор хороший бесплатный 1.5 Мб но МОГУЧИЙ ! -  Paint.NET =========================== Уберите Q4 и R1 ,  резисторы по 1 ком нормально. каково напряжение питания ? верхний драйвер сделайте точно таким же как и нижний. На входы драйверов добавьте резисторы по 10 кОм для создания "выключено" при отсутствии сигнала от МК.
			
		 
		
			
			
				 
				avr123.nm.ru 
			 
			отсылающий читать курс 
		  
		Сообщения:  14195Зарегистрирован:  06 ноя 2005, 04:18Откуда:  МоскваПредупреждения:  -8 
			
				 
			 
		
		 
	
		
		 
	 
	 
	
		 
		
			
			
			  Ito   » 05 авг 2009, 18:21 
			
			Напряжение питания 24 вольта. Верхний драйвер работает идеально, он нужен только для выбора направления. 10к подтянуть на +5?Добавлено спустя 14 минут 33 секунды:  Выпаял Q4, R1 ничего не изменилось.
			
		 
		
			
			
				Ito 
			 
			
		  
		Сообщения:  157Зарегистрирован:  26 июн 2009, 14:15Откуда:  Минск 
			прог. языки:  C++, Assembler 
		
		 
	
		
		 
	 
	 
	
	 
	
Вернуться в Электроника, электротехника 
	
	Кто сейчас на конференции 
	Сейчас этот форум просматривают: нет зарегистрированных пользователей и гости: 0