roboforum.ru

Технический форум по робототехнике.


H-мост (H-bridge) и все о нем

Резисторы, транзисторы, конденсаторы, микросборки, чип компоненты ...
Вопросы согласования управляющих модулей с периферией.

Re: H-мост (H-bridge) и все о нем

Сообщение Amper91 » 16 июн 2014, 20:01

Всем привет!
Киньте чем-нибудь в такую схемку:
h-br-sch.png


Бортсеть 24В, мосфеты взяты пока первые попавшиеся. Драйвер IXDD604 (не подписан на схеме)
Amper91
 
Сообщения: 24
Зарегистрирован: 23 май 2011, 01:02
Откуда: Москва
прог. языки: C
ФИО: Алексей

Re: H-мост (H-bridge) и все о нем

Сообщение avr123.nm.ru » 17 июн 2014, 01:55

НЕ МНОГО ЛИ 24 ВОЛЬТА НА ЗАТВОРЫ ВЕРХН КЛЮЧЕЙ? наверно верхн резистор надо разделить на пару резисторов и затвор зашунт стабилитроном на 12 вольт.
Читайте !
Аватара пользователя
avr123.nm.ru
отсылающий читать курс
 
Сообщения: 14195
Зарегистрирован: 06 ноя 2005, 04:18
Откуда: Москва
Предупреждения: -8

Re: H-мост (H-bridge) и все о нем

Сообщение Amper91 » 17 июн 2014, 12:48

avr123.nm.ru писал(а):НЕ МНОГО ЛИ 24 ВОЛЬТА НА ЗАТВОРЫ ВЕРХН КЛЮЧЕЙ?

а если поставить логик наверх и питать их от vcc +5? (хотя наверно плохо открываться будет)
хотелось бы универсального решения на 12-24В, но, видимо, это будет не так просто, как хотел бы...
Amper91
 
Сообщения: 24
Зарегистрирован: 23 май 2011, 01:02
Откуда: Москва
прог. языки: C
ФИО: Алексей

Re: H-мост (H-bridge) и все о нем

Сообщение Aseris » 17 июн 2014, 19:13

универсально - дорого получается, чтоб GS Voltage было около 30 В.....
Аватара пользователя
Aseris
 
Сообщения: 1142
Зарегистрирован: 01 сен 2009, 14:58
Откуда: Чехия
прог. языки: C/С++, VHDL, Verilog, ASM, Python

Re: H-мост (H-bridge) и все о нем

Сообщение Amper91 » 17 июн 2014, 22:58

Да вот я че-то вообще не нахожу мосфетов с Vgs > 20 вольт...
В общем, понятно. Либо 12, либо 24. Проще на 12 бортсеть перевести..
Amper91
 
Сообщения: 24
Зарегистрирован: 23 май 2011, 01:02
Откуда: Москва
прог. языки: C
ФИО: Алексей

Re: H-мост (H-bridge) и все о нем

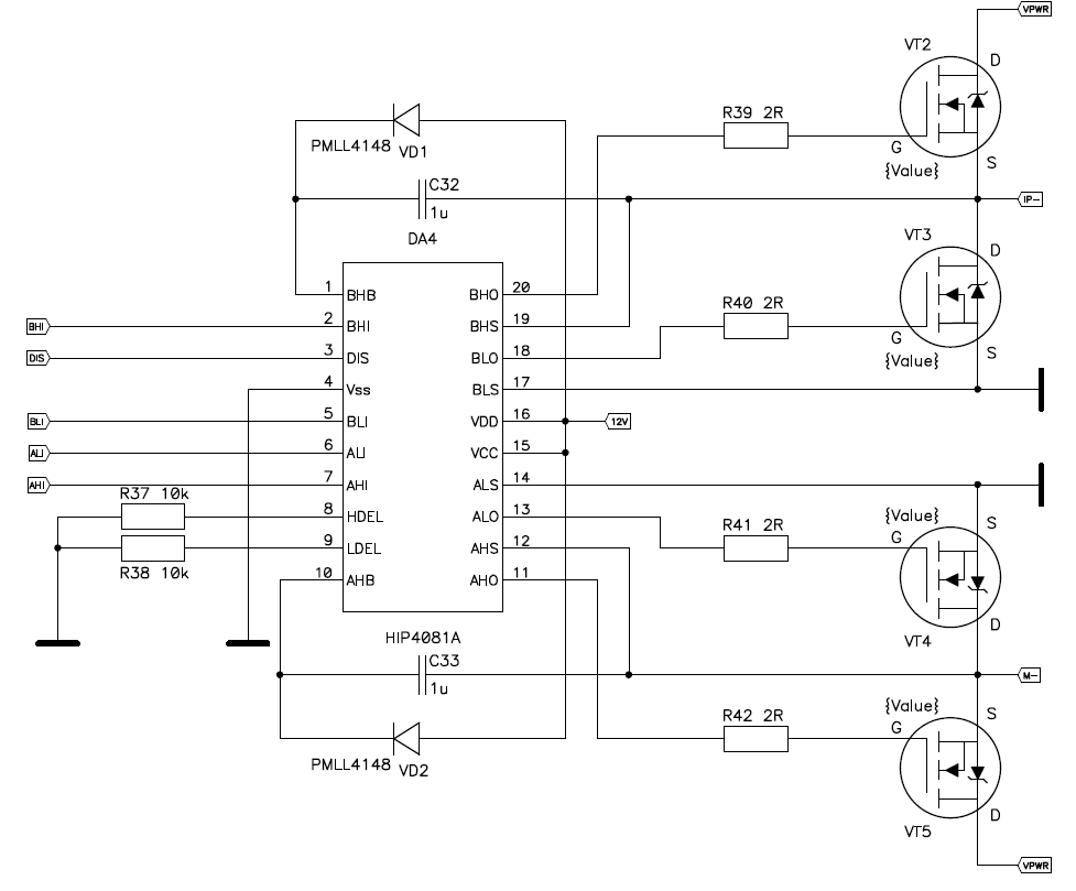
Сообщение Duhas » 18 июн 2014, 05:31

вот неплохой вариант, только драйвер не из дешевых.
напряжение силового питания до 80В, это ограничения драйвера. затворные резисторы - по вкусу.
Вложения
HIP4081A_HBridge.png
«Как сердцу выразить себя? … Мысль изреченная есть ложь!»
В этом мире меня подводит доброта и порядочность...
"двое смотрят в лужу, один видит лужу, другой отраженные в ней звезды"
Аватара пользователя
Duhas
 
Сообщения: 6338
Зарегистрирован: 15 сен 2007, 13:03
Откуда: Красноярск
прог. языки: ASM(МК), C(PC)
ФИО: Гагарский Андрей Александрович

Re: H-мост (H-bridge) и все о нем

Сообщение Aseris » 18 июн 2014, 15:59

Amper91 74 страницу посмотри.
Аватара пользователя
Aseris
 
Сообщения: 1142
Зарегистрирован: 01 сен 2009, 14:58
Откуда: Чехия
прог. языки: C/С++, VHDL, Verilog, ASM, Python

Re: H-мост (H-bridge) и все о нем

Сообщение Amper91 » 19 июн 2014, 16:51

Aseris да я вроде все 74 страницы перечитал... Осталось научиться читать даташиты внимательнее :)
Собственно, напряжение уже понижено до 15в, мотор шуруповертный, буду собирать по почти той же схеме, какую выложил. Драйвер только попроще возьму.
А не подскажите, случайно, как задержку аппаратно сделать в ~0.1 сек при переключении направлений? конденсатором там не обойдется к логике?
Amper91
 
Сообщения: 24
Зарегистрирован: 23 май 2011, 01:02
Откуда: Москва
прог. языки: C
ФИО: Алексей

Re: H-мост (H-bridge) и все о нем

Сообщение avr123.nm.ru » 19 июн 2014, 18:47

Выключение ENA должно выкл на 100 мС и ENB и наоборот.
Читайте !
Аватара пользователя
avr123.nm.ru
отсылающий читать курс
 
Сообщения: 14195
Зарегистрирован: 06 ноя 2005, 04:18
Откуда: Москва
Предупреждения: -8

Re: H-мост (H-bridge) и все о нем

Сообщение Amper91 » 19 июн 2014, 19:01

avr123.nm.ru писал(а):Выключение ENA должно выкл на 100 мС и ENB и наоборот.

это понянто. Как можно эту задержку сделать аппаратно? так-то в МК все что угодно можно напрограммить...
Amper91
 
Сообщения: 24
Зарегистрирован: 23 май 2011, 01:02
Откуда: Москва
прог. языки: C
ФИО: Алексей

Re: H-мост (H-bridge) и все о нем

Сообщение Duhas » 19 июн 2014, 20:35

я привел схему с аппаратным мертвым временем....
«Как сердцу выразить себя? … Мысль изреченная есть ложь!»
В этом мире меня подводит доброта и порядочность...
"двое смотрят в лужу, один видит лужу, другой отраженные в ней звезды"
Аватара пользователя
Duhas
 
Сообщения: 6338
Зарегистрирован: 15 сен 2007, 13:03
Откуда: Красноярск
прог. языки: ASM(МК), C(PC)
ФИО: Гагарский Андрей Александрович

Re: H-мост (H-bridge) и все о нем

Сообщение avr123.nm.ru » 20 июн 2014, 02:14

Amper91 писал(а):Как можно эту задержку сделать аппаратно?
схема на 1 стр топика.
Читайте !
Аватара пользователя
avr123.nm.ru
отсылающий читать курс
 
Сообщения: 14195
Зарегистрирован: 06 ноя 2005, 04:18
Откуда: Москва
Предупреждения: -8

Re: H-мост (H-bridge) и все о нем

Сообщение demon333 » 19 июл 2018, 03:46

Коллеги,а подскажите как можно простенько усилить выходную мощность на электромотор сервы?
Замысел такой,есть стандартная серва,которая работает на 5вольт,мы ее разбираем и вместо крохотного электродвигателя собираемся запитать электродвигатель под напряжение 12 вольт.То есть заводскую плату управления сервы использовать в качестве источника управляемого сигнала ,нужно только "раскачать" выходной сигнал под новое напряжение и ток.На ум приходит что то типа операционного усилителя на выходе,но может кто подскажет простенькое решение на операционниках или еще чего готовое?
Вариант готовых контроллеров двигателей,использующих стандартный р/у сигнал, не катит,задача хакнуть Лего,а там пока что доступ только к проводам на электромотор.
Вот память подводит,лет пятнадцать назад мы вроде такую фигню проделали на одной всего микросхеме,но хоть убейте ,не могу теперь вспомнить что и как делали.То есть помню что разобрал серву и платку тупо припаял к какой то микрухе...вроде операционник,а что было еще не могу вспомнить.
Аватара пользователя
demon333
 
Сообщения: 581
Зарегистрирован: 15 авг 2007, 16:54
Откуда: Москва

Re: H-мост (H-bridge) и все о нем

Сообщение Aseris » 19 июл 2018, 17:00

ет похоже как на легковушку постваить мотор от грузовика. Мож поедет а мож нет. Но нормально нужно менять полевики, и брать такие где переходные процесы похожи.
В деале взять проект Openservo и переделать его силовую часть под нужный мотор и поправить прошивку.

Добавлено спустя 2 минуты 25 секунд:
Но все зависит от мотора.
Аватара пользователя
Aseris
 
Сообщения: 1142
Зарегистрирован: 01 сен 2009, 14:58
Откуда: Чехия
прог. языки: C/С++, VHDL, Verilog, ASM, Python

Re: H-мост (H-bridge) и все о нем

Сообщение dccharacter » 19 июл 2018, 22:17

demon333 писал(а):Коллеги,а подскажите как можно простенько усилить выходную мощность на электромотор сервы?
Замысел такой,есть стандартная серва,которая работает на 5вольт,мы ее разбираем и вместо крохотного электродвигателя собираемся запитать электродвигатель под напряжение 12 вольт.То есть заводскую плату управления сервы использовать в качестве источника управляемого сигнала ,нужно только "раскачать" выходной сигнал под новое напряжение и ток.На ум приходит что то типа операционного усилителя на выходе,но может кто подскажет простенькое решение на операционниках или еще чего готовое?
Вариант готовых контроллеров двигателей,использующих стандартный р/у сигнал, не катит,задача хакнуть Лего,а там пока что доступ только к проводам на электромотор.
Вот память подводит,лет пятнадцать назад мы вроде такую фигню проделали на одной всего микросхеме,но хоть убейте ,не могу теперь вспомнить что и как делали.То есть помню что разобрал серву и платку тупо припаял к какой то микрухе...вроде операционник,а что было еще не могу вспомнить.

Семы управления сервами в количестве находятся в интернете. Они тривиальные. Проще спаять новую схему, чем переделывать плату сервы. А если еще и управляющий сигнал не серва - то просто готовый драйвер ставишь с минимальным обвесом и поехал.

Добавлено спустя 2 минуты 42 секунды:
http://www.aishack.in/tutorials/servo-motors/
Мой волшебник это я сам. Всю архитектуру программы придумал лично, а ребята помогли воплотить её. Я бы и сам мог написать, но лень учить язык и его конструкции.
Аватара пользователя
dccharacter
 
Сообщения: 4995
Зарегистрирован: 10 дек 2010, 13:16
Откуда: Красногорск МО
прог. языки: C, Python, wiring/processing
ФИО: Андрей

Пред.След.

Вернуться в Электроника, электротехника

Кто сейчас на конференции

Сейчас этот форум просматривают: нет зарегистрированных пользователей и гости: 0

cron