Мне требуется схема для управления сразу множеством соленоидов.
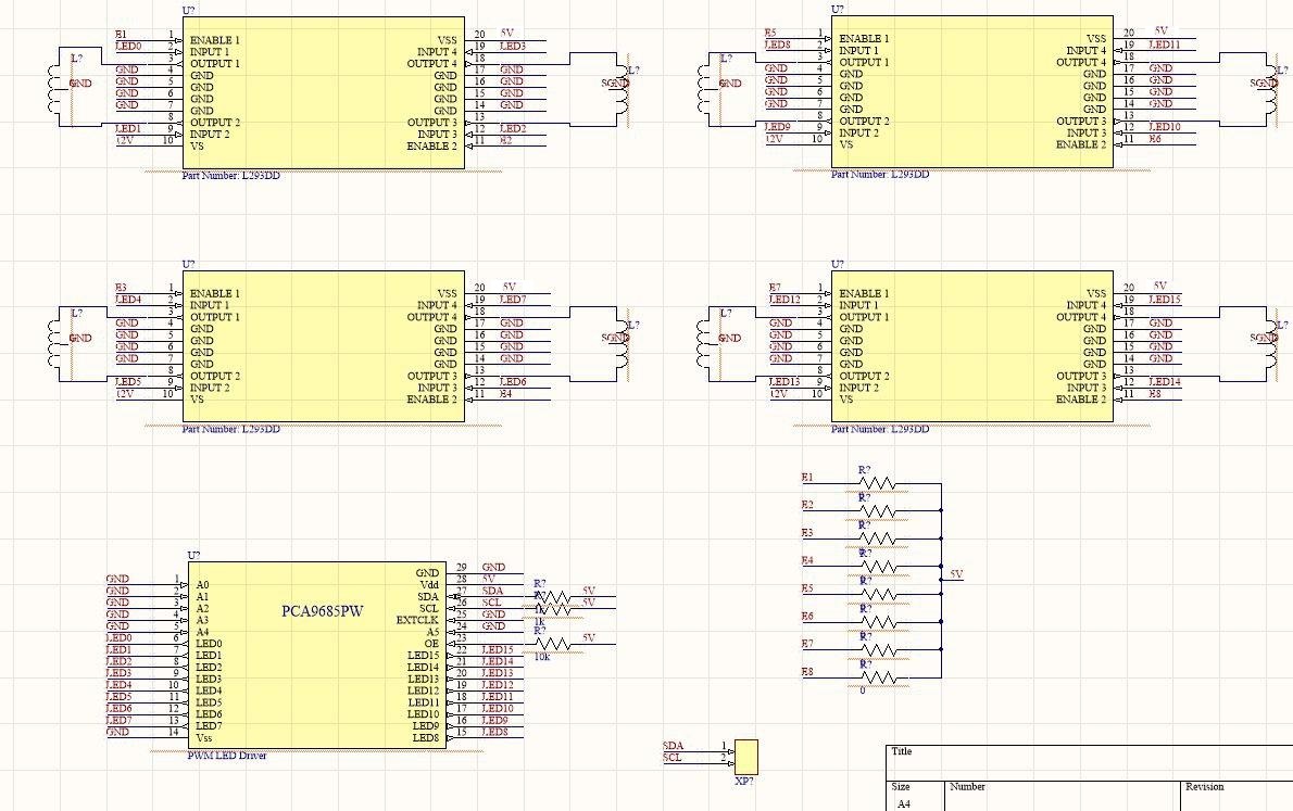
Было решено использоватьдля этого протокол I2c и соотвественно схему PCA9685pw.
А так же драйверы L293dd.
Схема была разработана см вложение.
Для управления данной схемой применяю следующий код.
- Код: Выделить всё • Развернуть
# -*- coding: utf-8 -*-
import Adafruit_PCA9685
import time
pwm = Adafruit_PCA9685.PCA9685(0x40)
pwm.set_pwm_freq(100)
# Demo using LED on Channel 12 of the PCA9685
# Wire up the LED on Channel 12 such that
# Shortleg of LED goes to GND and
# Long leg goes to PWM pin on channel 12
for t in range(0, 16):
pwm.set_pwm(t,0,4096) # Ставим логический 0 на все пины 0-15
print(t)
print ("start")
pwm.set_pwm(0,0,4095) # Ставим логический 1 на пин 1
time.sleep(30)
for t in range(0, 16):
pwm.set_pwm(t,0,4096) # Full bright
print ("wfwfqwf")
В соответствии с данной кодом на все пины сперва ставится логический 0
Затем на пин 0 подается шим сигнал, примерно равный 1.
И не могу понять почему не работают соленоиды.
Драйвер L293dd на который подается сигнал греется.
На контактах соленоида не большое напряжение присутствует.

но это скучно.