в резоните просверлят)ilalexey писал(а):Кандёры в смд вариант забыл перевести. Или тебе сверлить нравится?
там где я работаю, используются штырьевые компоненты, смд микросхема это и так уже попрание всех традиций, монтажник ругаться будет.
это я пока не умею))ilalexey писал(а):Из библиотеки ещё добавь gnd/vcc. Создай на слое топ полигон по всей плате и сделай его gnd(будет заливка земли).
ilalexey писал(а):Дорожки тянуть между штырьками разъёмов дурной тон.
я тут самый опытный разводильщик/трасировщик плат, аж 2 дня как тружусь, так что всё Ок.
Добавлено спустя 3 минуты 30 секунд:
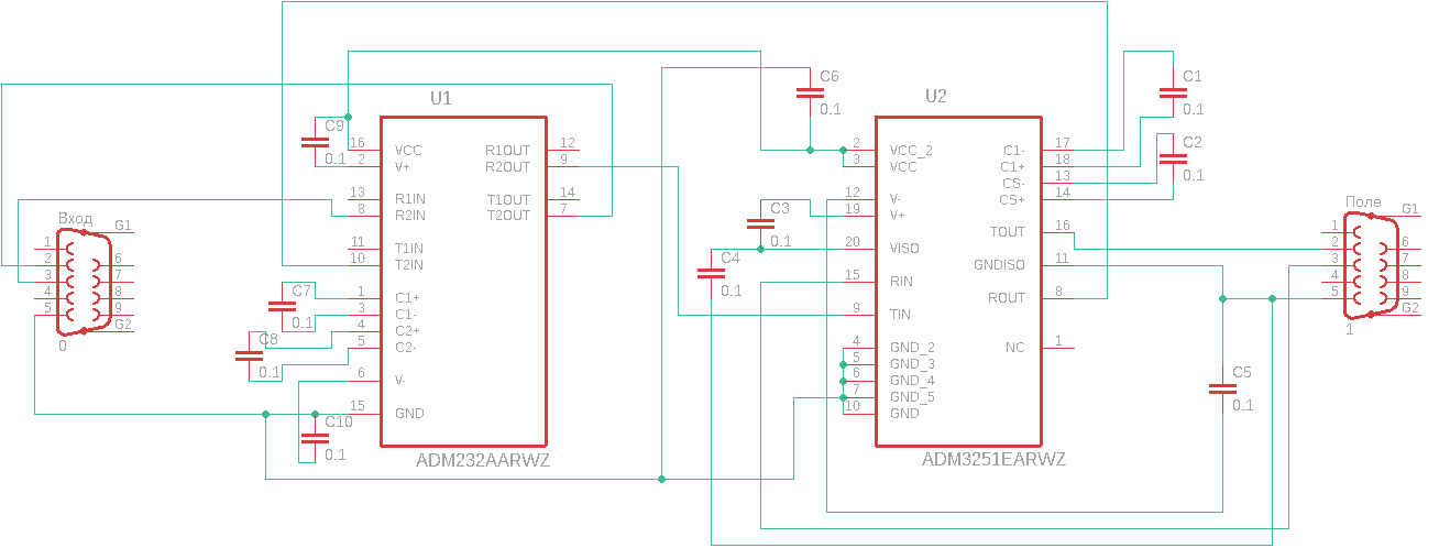
Dmitry__ писал(а):Rout соединен с T1out. Это же оба выхода. Надо выход на вход, и.т.д. У тебя входы со входами обьединены, а выходы с выходами
странно... вчера выглядело всё верно



