
![]() |
roboforum.ruТехнический форум по робототехнике. |
|
|

| Реклама | ||||
|
|
|
|||

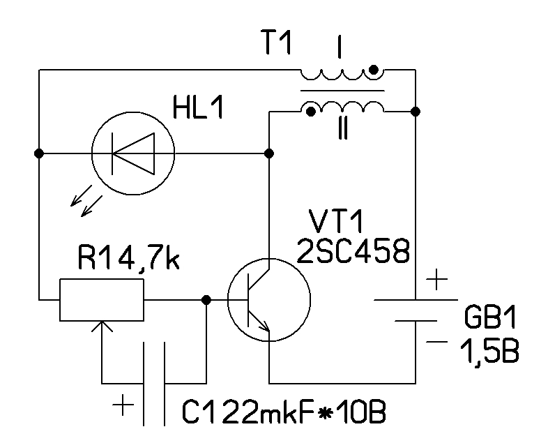
, в первой схеме диод засвечиваем енергией запасенной в катушке, во второй во время закрытия транзистора| Реклама | ||||
|
|
|
|||
Вернуться в Электроника, электротехника
Сейчас этот форум просматривают: нет зарегистрированных пользователей и гости: 0