Myp писал(а):блин, ты меня просто убил
Да у меня такие обломы, как с этим бп, редко происходят. Я был в одном шаге от "захватить мир"

Обратноходовый бп ни в жизнь не даст таких характеристик как на нем написано. И в инетах нашел
подтверждение. Бирка на бп просто веселит:bp 300 ватт, так?
12v1 16a, 12v2 16a = уже 384ватт.

3.3в и 5в 130 ватт. 12в 240 ватт, дежурка 10 ватт = 300 ватт

Да, диоды по 12в na 20 ампер, а на крышке = 32 ампера

Если с этого бп получится 100 ватт, это уже будет круто.
Но есть и хороший момент, все та же обратноходовость, можно получить большую кратность изменения напряжения. Буду пилить...
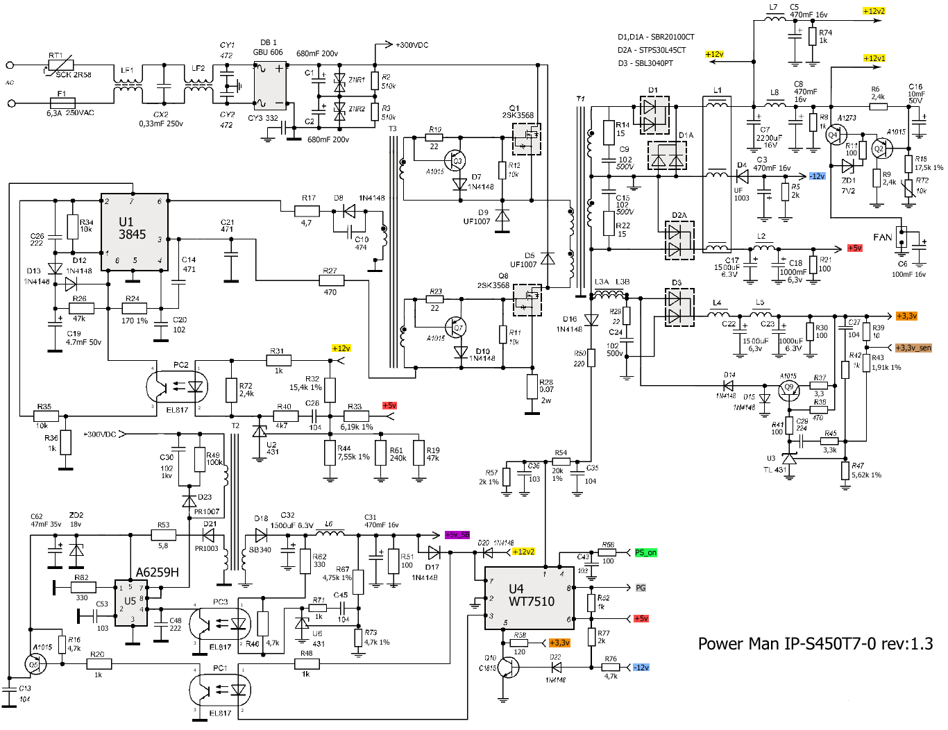
Значит так, я уже спаял транс и плату управления. С трансом делать нечего, обмотки не изолировать друг от друга. Плата управления простая как валенок, отдельный регулятор на рассыпухе и супервизор на WT751002. Сразу отвечаю на:
ilalexey писал(а):По теме - в ролике про всякие защиты упоминалось, как предполагается быть в этом варианте? они должны быть или нет?
Надо убрать, для этого даже не надо снимать плату управления. 3 пин WT751002 приходит на 5 пин платы и далее на оптопару (2 штуки стоят рядом друг с другом между трансами). Вот этот провод надо отрезать от платы, а оптрон посадить на землю. А скорее всего, даже не надо резать дорожку, т.к. выход WT751002 с открытым коллектором и можно просто коротить на землю.
2-й оптрон - обратная связь регулировки вых. напряжения, разберусь со схемой, продолжу.
Да есть еще 3-й оптрон - дежурки, он рядом с трансом дежурки, с краю платы, рядом с TNY276PN.
Самый главный вопрос, до скольки можно поднять питание. На видео поднимали до 16 без бубль гума. Дальше надо смотреть высоковольтность транзистора на первичке транса...
Добавлено спустя 3 минуты 3 секунды:Вот еще похожая схема, правильная схема первички и обратной связи по оптрону, только супервизор на рассыпухе:
http://electro-tech.narod.ru/schematics/power/comp/atx/Nuitek-colors_it-350t.pdfВзял
тута