Здраствуйте!
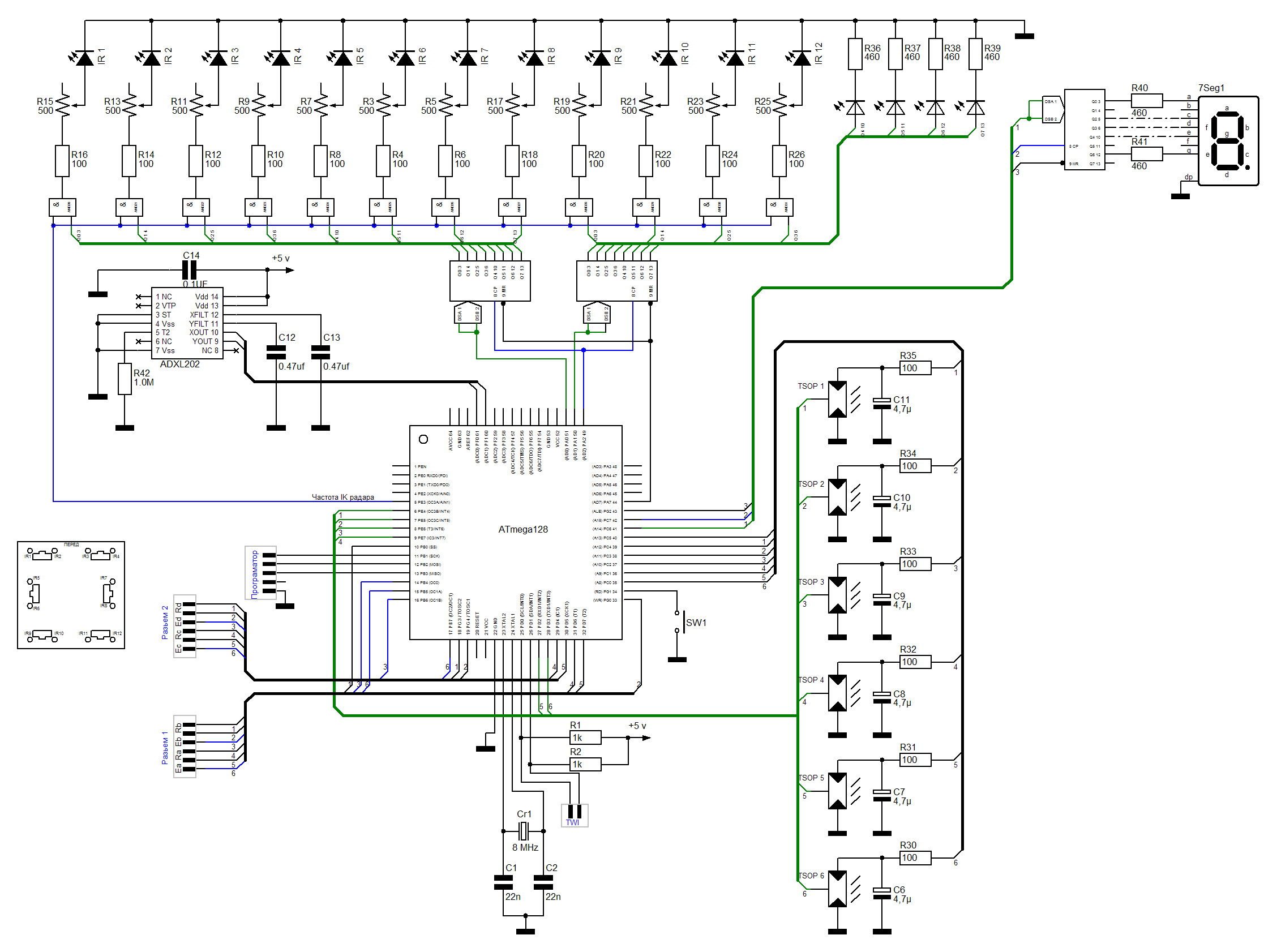
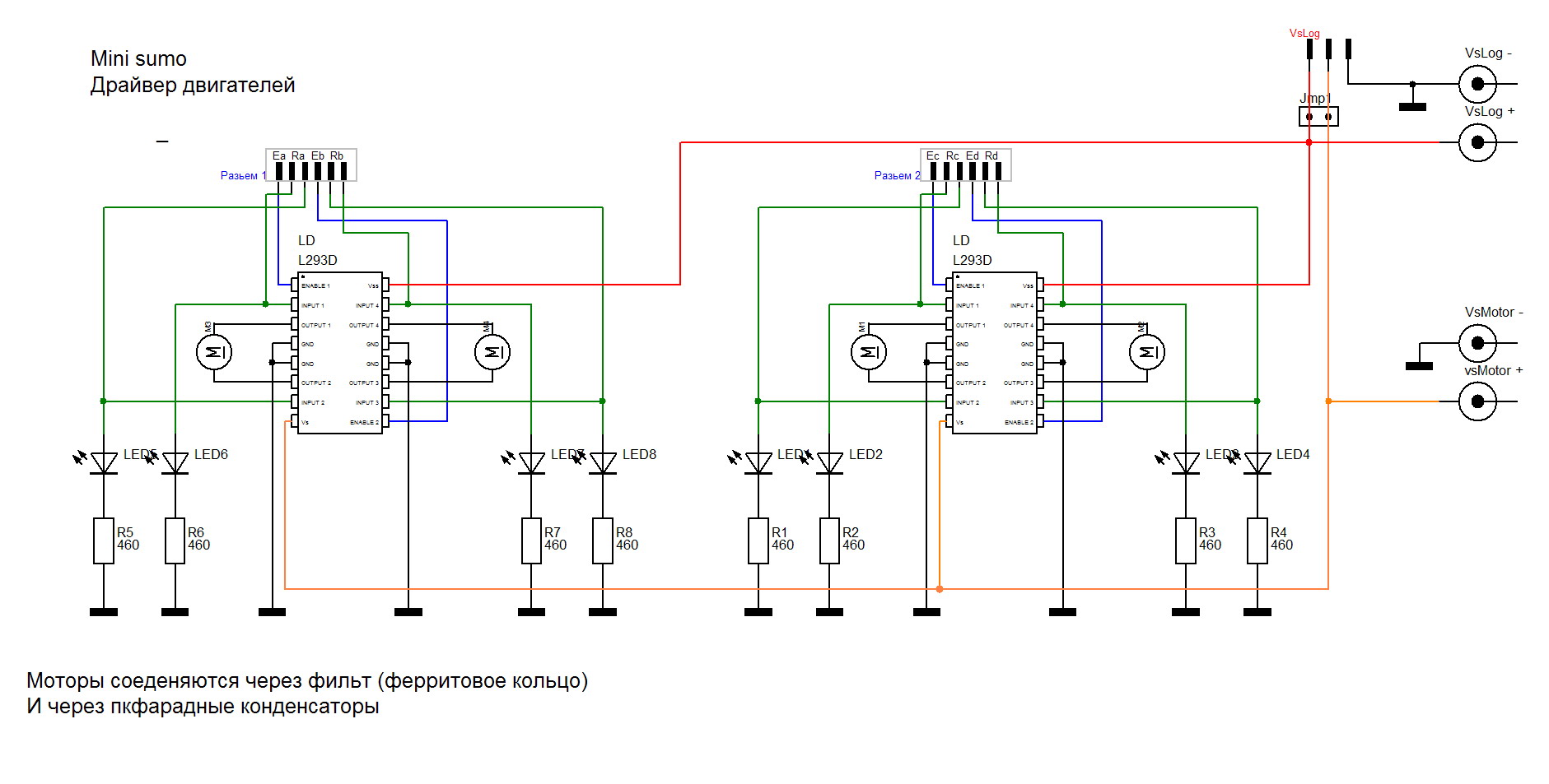
Вот рисую схему, для своего сумо-автономного бота.
Пожалуйста, прокаментируйте ее.
Схема состоит из двух частей
1. часть драйвер двигателя. отдельная плата
2. сам контроллер с установленными TSop и ик диодами, для бампера
тсопчики питаются от контроллера, это сделал для того чтобы в режиме "спячки" прожорливые тсопчики понапрасту нетратили энергию.
Частота генерации мигания ик диодов задается шимом.
выходы тсопов зацеплены на прерывания.
--
еще нужно сделать питание
и зарядку литеонной батарейки... (шоб контроллер сам отключал зарядку)
