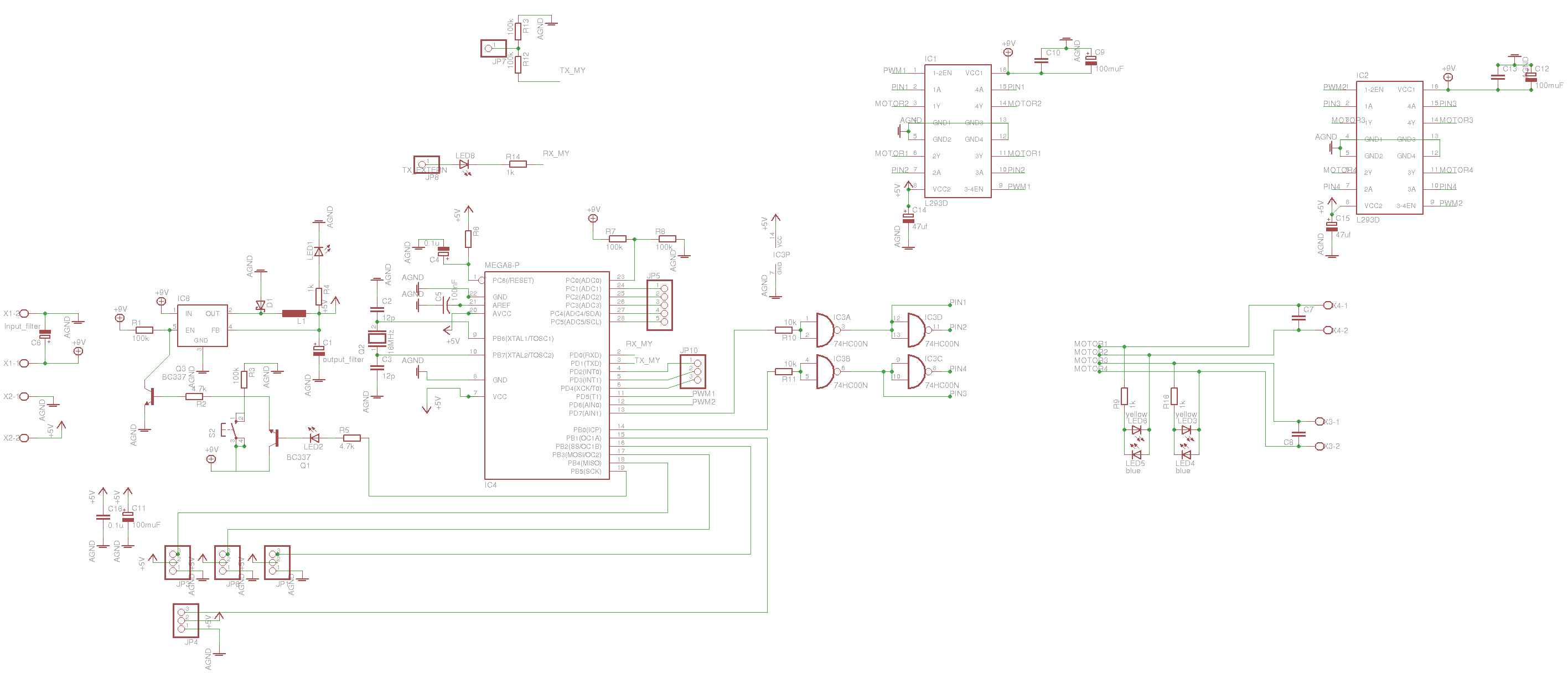
Собрал схему для управления моторами и сервами. Для отладки на ней есть две пары светодиодов которые подключены параллельно с двигателями. Но при запуске моторов почему-то загораются сразу все светодиоды (на схеме они справа внизу, LED 6,5,4,3)
, хотя они и "направлены" в разные стороны. Как такое может быть?При этом МК перестает реагировать на команды по UART. Тут может бытьи программная ошибка, но я сомневаюсь, думаю что-то со схемой.
Добавлено спустя 5 минут 37 секунд:
Да, если моторы не подключать, то схема работает правильно. На команды по uart отвечает и светодиоды по одному загораются.


