Добрый день! 
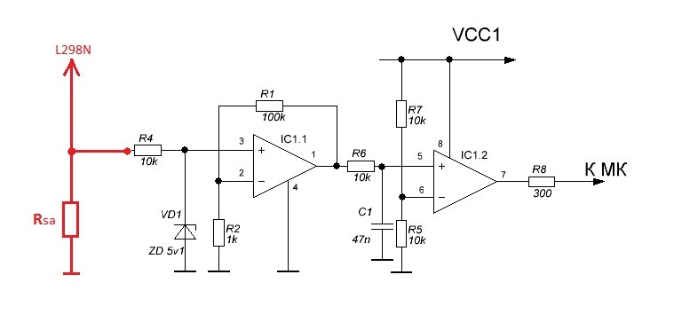
У микросхемы L298 (драйвер двигателей) есть 2 вывода, предназначенные для контроля тока, потребляемого двигателями, подключенными к ней.
Судя по схеме подключения, указанной в даташите (http://www.datasheetcatalog.org/datashe ... s/1773.pdf), эти выводы должны шунтироваться на "землю" резистором, сопротивлением в 0,5 Ом и с этого шунта можно снимать показания.
Подскажите, пожалуйста, как всё это подключить к АЦП микроконтроллера ATMega32? Я так понимаю, нужно использовать делитель напряжения?
Имеет ли значение, что я буду подключаться не напрямую к источнику тока, а к шунтирующему резистору?
Либо имеет смысл использовать компаратор и триггер?
Буду очень благодарен за помощь!
			
		


 
 

