![]() |
roboforum.ruТехнический форум по робототехнике. |
|
|
| Реклама | ||||
|
|
|
|||
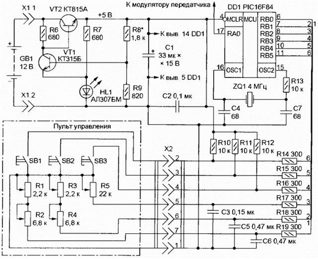
, купить готовое пропорциональное ру нет возможности. а тут вроде все более менее просто
да и команд достаточно)| Реклама | ||||
|
|
|
|||

предложите ваш вариант, который бы мне подошел (желательно попроще)). Купить-не вариант 

рома316 писал(а):покупать:
1-дорого, да и купить в магазине не получится, таких тут просто нет(
2-нужно чтобы ру уже через месяц было, за месяц мне из китая врядли доставят(
.jpg)


, мне понравились и другие, но их нет в наличии 
Myp писал(а):вот бы кто ещё сказал где можно купить 3х летний полноприводный хэтч с кондеем и не дороже 300 тыщ... и наступило бы вселенское счастье.
Вернуться в Электроника, электротехника
Сейчас этот форум просматривают: нет зарегистрированных пользователей и гости: 4