roboforum.ru

Технический форум по робототехнике.

Программатор для ARM - AT91SAM9260 процессора

Резисторы, транзисторы, конденсаторы, микросборки, чип компоненты ...
Вопросы согласования управляющих модулей с периферией.

Программатор для ARM - AT91SAM9260 процессора

Сообщение graviton9 » 01 окт 2011, 21:08

Подойдет ли программатор "5-проводков" из кусра avr123 rs232-uart для прошивки ARM процессора ?
graviton9
 
Сообщения: 58
Зарегистрирован: 11 сен 2011, 10:39

Re: Программатор для ARM - AT91SAM9260 процессора

Сообщение Romikgy » 01 окт 2011, 22:02

думаю врядли... хотя если напишешь сам, алго программинга джетагом , то пойдет и 5 проводков... хотя не сильно уверен что хватит ног юарта на выход ...
die Wahrheit ist irgendwo da draußen
Аватара пользователя
Romikgy
 
Сообщения: 750
Зарегистрирован: 15 ноя 2009, 13:37
Откуда: Porto Franco "Odessa"

Re: Программатор для ARM - AT91SAM9260 процессора

Сообщение graviton9 » 02 окт 2011, 19:49

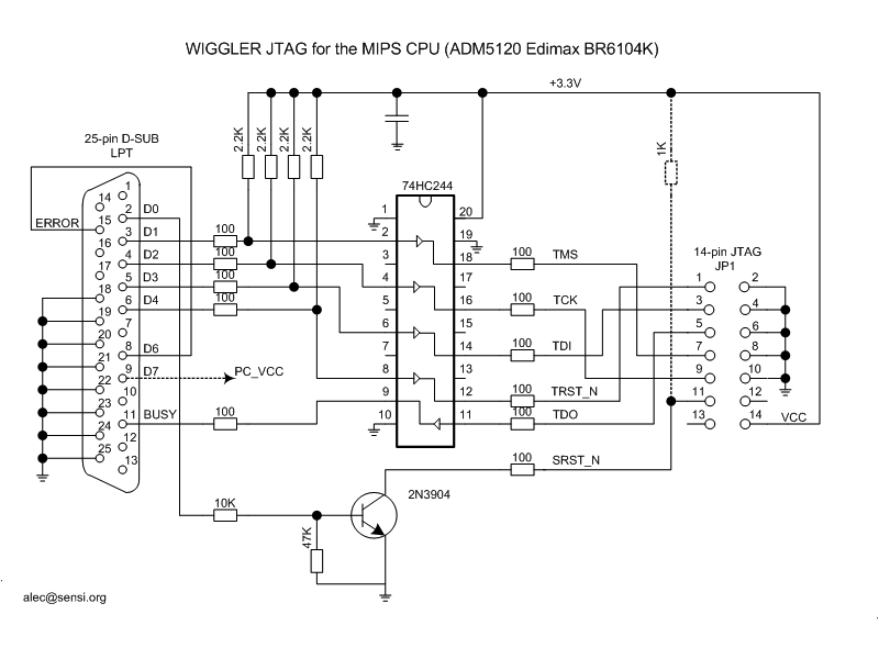
может вот это схема подойдет ? http://www.masteram.su/index.php?app=core&module=attach&section=attach&attach_rel_module=post&attach_id=184

Добавлено спустя 8 минут 52 секунды:
Или может вот это. И еще на второй схеме конденсатор есть, вверху, но номинал не знаю каким номиналом брать ?
Вложения
b2e1d17992d772061734258367235517.media.png
wiggler.gif
graviton9
 
Сообщения: 58
Зарегистрирован: 11 сен 2011, 10:39

Re: Программатор для ARM - AT91SAM9260 процессора

Сообщение Flexz » 02 окт 2011, 20:40

Только имейте ввиду, у 9260 нет флеша, там нечего шить, но можно конечно заливать программу в оперативку. На плате должна быть внешняя флеш-память, в которую и заливается прошивка. Флеш есть у sam9xe, если мне не изменяет память.
Flexz
 
Сообщения: 47
Зарегистрирован: 27 авг 2011, 14:05

Re: Программатор для ARM - AT91SAM9260 процессора

Сообщение Strijar » 03 окт 2011, 08:56

Проще USB припаять, там 4 резистора. А работать быстрей будет

Добавлено спустя 1 минуту 28 секунд:
Romikgy писал(а):думаю врядли... хотя если напишешь сам, алго программинга джетагом , то пойдет и 5 проводков... хотя не сильно уверен что хватит ног юарта на выход ...


Ничего писать не надо - OpenOCD умеет AT91SAM9x через JTAG
Аватара пользователя
Strijar
 
Сообщения: 664
Зарегистрирован: 28 авг 2006, 17:09
Откуда: Всеволожск (СПб)
прог. языки: С, C++, Python, Lua, VHDL, Verilog, Forth
ФИО: Олег Белоусов

Re: Программатор для ARM - AT91SAM9260 процессора

Сообщение graviton9 » 03 окт 2011, 08:59

Strijar писал(а):Проще USB припаять, там 4 резистора. А работать быстрей будет

Добавлено спустя 1 минуту 28 секунд:
Romikgy писал(а):думаю врядли... хотя если напишешь сам, алго программинга джетагом , то пойдет и 5 проводков... хотя не сильно уверен что хватит ног юарта на выход ...


Ничего писать не надо - OpenOCD умеет AT91SAM9x через JTAG

А можете дать ссылку на эту USB схему или хоть какую то информацию про эту схему ?
graviton9
 
Сообщения: 58
Зарегистрирован: 11 сен 2011, 10:39

Re: Программатор для ARM - AT91SAM9260 процессора

Сообщение Strijar » 03 окт 2011, 09:59

graviton9 писал(а):А можете дать ссылку на эту USB схему или хоть какую то информацию про эту схему ?


У вас свое устройство или готовое? Если свое то надо припаять USB device - через резисторы 33 ома на ноги DDM и DDP (PIN 54 и 55). А на готовых USB обычно уже стоит.
Аватара пользователя
Strijar
 
Сообщения: 664
Зарегистрирован: 28 авг 2006, 17:09
Откуда: Всеволожск (СПб)
прог. языки: С, C++, Python, Lua, VHDL, Verilog, Forth
ФИО: Олег Белоусов

Re: Программатор для ARM - AT91SAM9260 процессора

Сообщение graviton9 » 03 окт 2011, 10:25

Strijar писал(а):
graviton9 писал(а):А можете дать ссылку на эту USB схему или хоть какую то информацию про эту схему ?


У вас свое устройство или готовое? Если свое то надо припаять USB device - через резисторы 33 ома на ноги DDM и DDP (PIN 54 и 55). А на готовых USB обычно уже стоит.

Вот так взять и через резистор подключать ножки к usb ? А диоди, стабилизаторы, конденсаторы не нужны. Так будет работать ? спсибо.
graviton9
 
Сообщения: 58
Зарегистрирован: 11 сен 2011, 10:39

Re: Программатор для ARM - AT91SAM9260 процессора

Сообщение Strijar » 03 окт 2011, 10:34

graviton9 писал(а):Вот так взять и через резистор подключать ножки к usb ? А диоди, стабилизаторы, конденсаторы не нужны. Так будет работать ? спсибо.


Почитайте доку "36. USB Device Port (UDP)" - там все есть
Аватара пользователя
Strijar
 
Сообщения: 664
Зарегистрирован: 28 авг 2006, 17:09
Откуда: Всеволожск (СПб)
прог. языки: С, C++, Python, Lua, VHDL, Verilog, Forth
ФИО: Олег Белоусов

Re: Программатор для ARM - AT91SAM9260 процессора

Сообщение graviton9 » 03 окт 2011, 10:46

Strijar писал(а):
graviton9 писал(а):Вот так взять и через резистор подключать ножки к usb ? А диоди, стабилизаторы, конденсаторы не нужны. Так будет работать ? спсибо.


Почитайте доку "36. USB Device Port (UDP)" - там все есть

А можно ссылку на этот материал ?
graviton9
 
Сообщения: 58
Зарегистрирован: 11 сен 2011, 10:39

Re: Программатор для ARM - AT91SAM9260 процессора

Сообщение Strijar » 03 окт 2011, 10:58

Аватара пользователя
Strijar
 
Сообщения: 664
Зарегистрирован: 28 авг 2006, 17:09
Откуда: Всеволожск (СПб)
прог. языки: С, C++, Python, Lua, VHDL, Verilog, Forth
ФИО: Олег Белоусов


Вернуться в Электроника, электротехника

Кто сейчас на конференции

Сейчас этот форум просматривают: нет зарегистрированных пользователей и гости: 0

cron