взялся тут поднять медиа центр DAS-3077D
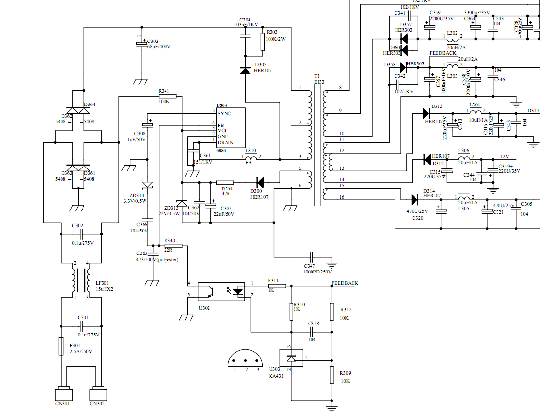
трабла с питанием.. импульсник не стартует.. выражается тем что индикация на морде загорается и сразу тухнет.. нагрузки отключал, основные мозги с лабораторного БП заводил.. трабла именно в БП. 0880 менял.. пробовал давать 12+ вольт на VCC 0880 от лабораторного БП результата не было..
сейчас судя по звуку он дергается пытаясь запуститься.. опыта в наладке импульсников сетевых не имею, так что советы куда копать что смотреть/мерить/менять приветствуются..
схема в пдф и картинкой оттуда ниже..
ПС модеры, если я не прав с расположением и названием темы (можно ее оставить и для других ремонтов) то перенесите и намекните на счет сменить название )
Переименовал тему

))