Ремонт - проблема с импульсником DAS-3077D

Резисторы, транзисторы, конденсаторы, микросборки, чип компоненты ...
Вопросы согласования управляющих модулей с периферией.

Ремонт - проблема с импульсником DAS-3077D

Сообщение Duhas » 12 сен 2011, 21:47

взялся тут поднять медиа центр DAS-3077D

трабла с питанием.. импульсник не стартует.. выражается тем что индикация на морде загорается и сразу тухнет.. нагрузки отключал, основные мозги с лабораторного БП заводил.. трабла именно в БП. 0880 менял.. пробовал давать 12+ вольт на VCC 0880 от лабораторного БП результата не было..

сейчас судя по звуку он дергается пытаясь запуститься.. опыта в наладке импульсников сетевых не имею, так что советы куда копать что смотреть/мерить/менять приветствуются..

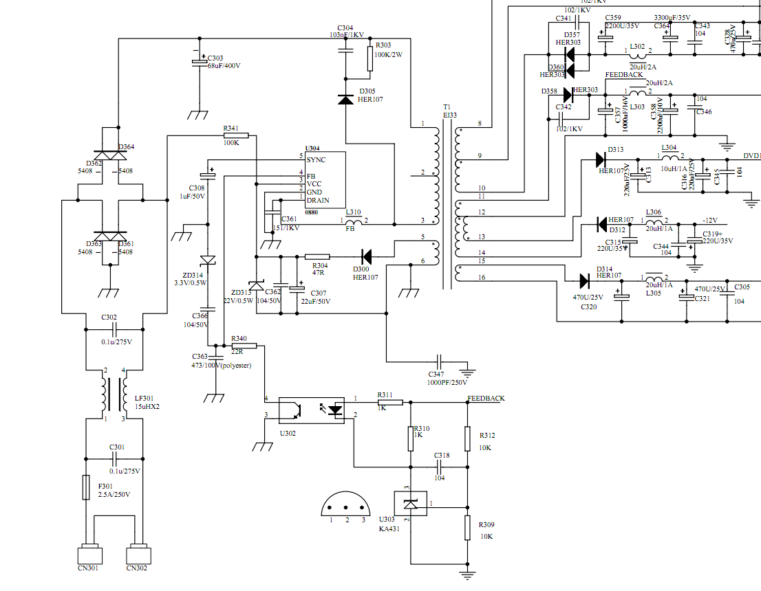
схема в пдф и картинкой оттуда ниже..

ПС модеры, если я не прав с расположением и названием темы (можно ее оставить и для других ремонтов) то перенесите и намекните на счет сменить название )

Переименовал тему
Вложения
DAS-3077D.pdf
(468.71 КиБ) Скачиваний: 0
3077.png
«Как сердцу выразить себя? … Мысль изреченная есть ложь!»
В этом мире меня подводит доброта и порядочность...
"двое смотрят в лужу, один видит лужу, другой отраженные в ней звезды"
Аватара пользователя
Duhas
 
Сообщения: 6338
Зарегистрирован: 15 сен 2007, 13:03
Откуда: Красноярск
прог. языки: ASM(МК), C(PC)
ФИО: Гагарский Андрей Александрович

Re: Ремонт - проблема с импульсником DAS-3077D

Сообщение dccharacter » 14 сен 2011, 00:30

Предохранитель плавкий или самовосстанавливающийся?

Ну иди по схеме и смотри напряжения - есть ли напруга на выходе моста, например... на оптопаре посмотри что...
Мой волшебник это я сам. Всю архитектуру программы придумал лично, а ребята помогли воплотить её. Я бы и сам мог написать, но лень учить язык и его конструкции.
Аватара пользователя
dccharacter
 
Сообщения: 4995
Зарегистрирован: 10 дек 2010, 13:16
Откуда: Красногорск МО
прог. языки: C, Python, wiring/processing
ФИО: Андрей

Re: Ремонт - проблема с импульсником DAS-3077D

Сообщение Duhas » 14 сен 2011, 06:14

на входе все ок.. на оптопаре видны призника жизни - на сколько это можно увидеть китайской цешкой.. ничего лучше рядом с девайсом нет (
«Как сердцу выразить себя? … Мысль изреченная есть ложь!»
В этом мире меня подводит доброта и порядочность...
"двое смотрят в лужу, один видит лужу, другой отраженные в ней звезды"
Аватара пользователя
Duhas
 
Сообщения: 6338
Зарегистрирован: 15 сен 2007, 13:03
Откуда: Красноярск
прог. языки: ASM(МК), C(PC)
ФИО: Гагарский Андрей Александрович

Re: Ремонт - проблема с импульсником DAS-3077D

Сообщение dccharacter » 14 сен 2011, 11:40

Ну смотри, там куча точек, где можно промеры контрольные сделать - но без осцилла даже не знаю. Прям вот идешь по схеме и смотришь - синус на входе диодного моста, цуги на выходе, напругу после конденсатора, смотришь на свитче (вот даташит: http://www.datasheetcatalog.org/datashe ... S0880B.pdf) напряжения, щелкает ли ключ, что на обмотках трансформатора. Схема выглядит простой и понятной, так что вооружайся осциллом и бойся конденсаторов - херачат ой как чувствительно :-)))
Мой волшебник это я сам. Всю архитектуру программы придумал лично, а ребята помогли воплотить её. Я бы и сам мог написать, но лень учить язык и его конструкции.
Аватара пользователя
dccharacter
 
Сообщения: 4995
Зарегистрирован: 10 дек 2010, 13:16
Откуда: Красногорск МО
прог. языки: C, Python, wiring/processing
ФИО: Андрей

Re: Ремонт - проблема с импульсником DAS-3077D

Сообщение Radist » 14 сен 2011, 14:09

Внесу свои 5 копеек. Импульсники пытаются завестись и не могут в основном в двух случаях: КЗ в нагрузке и обрыв контура обратной связи. КЗ может быть пробитым кондером, обрыв контура обратной связи - надо проверить все элементы ОС.
Аватара пользователя
Radist
 
Сообщения: 2254
Зарегистрирован: 01 июл 2009, 08:59
Откуда: Екатеринбург
прог. языки: асемблер AVR

Re: Ремонт - проблема с импульсником DAS-3077D

Сообщение Duhas » 14 сен 2011, 17:40

отключил все кроме питания логики.. которое после стаба точно целое.. щас его дол стаба еще проверю.. ну и видимо по ОС тупо все менять.. там не много деталек один чорт..
«Как сердцу выразить себя? … Мысль изреченная есть ложь!»
В этом мире меня подводит доброта и порядочность...
"двое смотрят в лужу, один видит лужу, другой отраженные в ней звезды"
Аватара пользователя
Duhas
 
Сообщения: 6338
Зарегистрирован: 15 сен 2007, 13:03
Откуда: Красноярск
прог. языки: ASM(МК), C(PC)
ФИО: Гагарский Андрей Александрович

Re: Ремонт - проблема с импульсником DAS-3077D

Сообщение RootAdmin » 14 сен 2011, 23:58

Диоды ввпрмительные смотреть в первую очередь. Причем звониться могут как нормальные. Рркомендую выпаять,кроме одного напржения.
Дым, идущий из всех устройств в помещении предвещает появление электрика.
RootAdmin
 
Сообщения: 1725
Зарегистрирован: 07 авг 2010, 21:29
Откуда: КМВ
прог. языки: C
ФИО: Андрей

Re: Ремонт - проблема с импульсником DAS-3077D

Сообщение Duhas » 15 сен 2011, 07:27

так уже и сделано )надор проверить то что не выапяно...
«Как сердцу выразить себя? … Мысль изреченная есть ложь!»
В этом мире меня подводит доброта и порядочность...
"двое смотрят в лужу, один видит лужу, другой отраженные в ней звезды"
Аватара пользователя
Duhas
 
Сообщения: 6338
Зарегистрирован: 15 сен 2007, 13:03
Откуда: Красноярск
прог. языки: ASM(МК), C(PC)
ФИО: Гагарский Андрей Александрович

Re: Ремонт - проблема с импульсником DAS-3077D

Сообщение Duhas » 15 сен 2011, 15:11

проверил почти все уже.. поменял оптопару.. 817-я стояла.. 431 стаб поменял в ОС.. непонятно... ща еще буду мучать цепь ОС.. но там остальное только пассивка + пара диодов/стабилитронов..
«Как сердцу выразить себя? … Мысль изреченная есть ложь!»
В этом мире меня подводит доброта и порядочность...
"двое смотрят в лужу, один видит лужу, другой отраженные в ней звезды"
Аватара пользователя
Duhas
 
Сообщения: 6338
Зарегистрирован: 15 сен 2007, 13:03
Откуда: Красноярск
прог. языки: ASM(МК), C(PC)
ФИО: Гагарский Андрей Александрович

Re: Ремонт - проблема с импульсником DAS-3077D

Сообщение Dmitry__ » 15 сен 2011, 15:42

проверь цепь питания 0880: D300, R304 и выводы 5 - 6 транса прозвони.
очень похоже, что 0880 стартует на заряженном конденсаторе C307 от R341, a после старта не приходит основное питание с 5-6 обмотки транса.
Аватара пользователя
Dmitry__
 
Сообщения: 8033
Зарегистрирован: 13 янв 2011, 15:25
Откуда: Санкт-Петербург

Re: Ремонт - проблема с импульсником DAS-3077D

Сообщение Duhas » 15 сен 2011, 17:54

цешка кетай показывает скачек до 20+ при включении тумблера сетевого, при этом БП пытается стартануть, пфытается зажечься экран.. т.е. временно напряжения на месте.. судя по тому что вместо 16в на кондерах там 30+ то вовсю пытается.. после попытки запуска напряжение 11-13.. и того что происходит при включении тумблера уже не происходит..

Добавлено спустя 33 минуты 6 секунд:
убрал все цепи питания.. стартую с лаборатрного - тот же эффект.. остается цепь ОС таки.. думаю..

Добавлено спустя 39 минут 31 секунду:
отключил потребителей от ветки питания с которой идет ОС.. толку нет. подаю на ОС с БП 5 вольт.. толку нет.. симптомы те же.. мне чота совсем не понятно..
«Как сердцу выразить себя? … Мысль изреченная есть ложь!»
В этом мире меня подводит доброта и порядочность...
"двое смотрят в лужу, один видит лужу, другой отраженные в ней звезды"
Аватара пользователя
Duhas
 
Сообщения: 6338
Зарегистрирован: 15 сен 2007, 13:03
Откуда: Красноярск
прог. языки: ASM(МК), C(PC)
ФИО: Гагарский Андрей Александрович

Re: Ремонт - проблема с импульсником DAS-3077D

Сообщение Michael_K » 15 сен 2011, 18:35

Транс?

Добавлено спустя 16 секунд:
Входной мост проверили?
Аватара пользователя
Michael_K
 
Сообщения: 6028
Зарегистрирован: 07 окт 2009, 00:29
Откуда: СПб

Re: Ремонт - проблема с импульсником DAS-3077D

Сообщение Duhas » 15 сен 2011, 19:42

диоды звонил, один поджарил сам.. паяльником полез когда был подключен к сети.. и без него те же симптомы и после установки нового...

если транс - идет оно все в чертовой матери.. по первичке только есть.. и ключ в перегруз по току уходит..
«Как сердцу выразить себя? … Мысль изреченная есть ложь!»
В этом мире меня подводит доброта и порядочность...
"двое смотрят в лужу, один видит лужу, другой отраженные в ней звезды"
Аватара пользователя
Duhas
 
Сообщения: 6338
Зарегистрирован: 15 сен 2007, 13:03
Откуда: Красноярск
прог. языки: ASM(МК), C(PC)
ФИО: Гагарский Андрей Александрович

Re: Ремонт - проблема с импульсником DAS-3077D

Сообщение RootAdmin » 16 сен 2011, 01:05

Не раз встречал пробкой емкостей (неэлектролитов) под напряжением именно в импульсных БП.
Дым, идущий из всех устройств в помещении предвещает появление электрика.
RootAdmin
 
Сообщения: 1725
Зарегистрирован: 07 авг 2010, 21:29
Откуда: КМВ
прог. языки: C
ФИО: Андрей


Вернуться в Электроника, электротехника

Кто сейчас на конференции

Сейчас этот форум просматривают: нет зарегистрированных пользователей и гости: 6